Рассмотрим цилиндрическую зубчатую передачу (рис. 5,а). Величины угловых скоростей связаны формулой

Буквами R обозначены радиусы колес, буквами z – числа зубцов колес.
Приведенная формула справедлива и для конической передачи, а также для ременной и цепной передач. В случае ременной передачи R означает радиус шкива, а в случае цепной передачи z – число зубцов звездочки. Формула, учитывающая знаки проекций угловых скоростей колес на ось
, коллинеарную осям вращения колес, выглядит так:

Здесь р – признак зацепления колес. При внутреннем зацеплении р = + 1, при внешнем р = - 1.

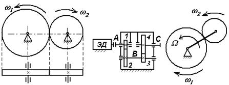
а б в
Рис. 5. Зубчатая передача. Редуктор. Планетарный механизм
Из зубчатых колес может быть собран редуктор – механизм, служащий для передачи вращения от одного вала к другому (reductio (лат.) – возвращение, приведение назад). На рис. 5,б изображена кинематическая схема двухступенчатого редуктора. Редуктор является понижающим, если угловая скорость выходного вала меньше, чем входного, т.е. если величина
. Данный редуктор является коаксиальным (соосным): оси входного А и выходного С валов совпадают. При этом направление вращения этих валов одно и то же, так что данный редуктор является нереверсивным.
Величины
и
называются передаточными отношениями редуктора. Величина
называется передаточным числом редуктора.
Для планетарной передачи (рис. 5, в) справедлива формула Виллиса:

где
– проекция угловой скорости водила (кривошипа) на ось его
вращения
.






