Виды стабилизаторов и их основные характеристики. Стабилизатором напряжения называют устройство, поддерживающее с определенной точностью неизменным напряжение на нагрузке. Изменение напряжения на нагрузке может быть вызвано рядом причин: колебаниями напряжения первичного источника питания (сети переменного напряжения, аккумулятора, гальванического элемента), изменением нагрузки, изменением температуры окружающей среды и др.
По принципу работы стабилизаторы делят на параметрические и компенсационные. В свою очередь параметрические стабилизаторы бывают однокаскадными, многокаскадными и мостовыми. Компенсационные стабилизаторы могут быть с непрерывным или импульсным регулированием; и те и другие могут быть последовательного или параллельного типа.
Параметрические стабилизаторы осуществляют стабилизацию напряжения за счет изменения параметров полупроводниковых приборов: стабилитронов, стабисторов, транзисторов и др. Изменяемым параметром полупроводниковых стабилизаторов напряжения является их сопротивление или проводимость.
|
|
|
Компенсационные стабилизаторы представляют собой замкнутые системы автоматического регулирования напряжения на нагрузке, выполненные па полупроводниковых приборах. Выходное напряжение в этих стабилизаторах поддерживается равным или пропорциональным стабильному опорному напряжению, которое обычно создается одним из типов параметрических стабилизаторов. Компенсационные стабилизаторы содержат регулирующий элемент (обычно транзистор), который может включаться последовательно или параллельно нагрузке. Стабилизатор с последовательным включением регулирующего элемента называют сериесным, а с параллельным включением — шунтовым. Регулирующий элемент может работать в непрерывном или ключевом режимах. В импульсных стабилизаторах используется ключевой режим работы регулирующего элемента. В стабилизаторах с непрерывным регулированием регулирующий элемент работает в непрерывном режиме.
По выходной мощности стабилизаторы можно разделить на маломощные (до 1Вт), средней мощности (до 250 Вт) и большой мощности (свыше 250 Вт).
По точности поддержания выходного напряжения па нагрузке стабилизаторы делят на прецизионные (изменение напряжения не более 0,005%), точные (изменение напряжения от 0,01 до 0,005%), средней точности (изменение напряжения от 0,1 до'0,01%) и низкой точности (изменение напряжения от 1 до 0,1%). В прецизионных стабилизаторах для получения наивысшей точности поддержания выходного напряжения используются специальные устройства, исключающие влияние изменения температуры окружающей среды (термостаты или криостаты).
|
|
|
Основные параметры стабилизаторов напряжения. Параметры стабилизаторов напряжения позволяют сравнивать их по качеству работы, выбирать те, которые удовлетворяют требованиям эксплуатации электронных устройств. К таким параметрам относят: номинальное выходное напряжение Uвых, диапазон изменения входного напряжения UBx.min и UBx.max, диапазон изменения тока нагрузки Iн.min и Iн.max коэффициент полезного действия η, коэффициент нестабильности по напряжению KнU и коэффициент нестабильности по току КнI, коэффициент сглаживания пульсаций Ксг и быстродействие.
Кроме эксплуатационных используются также расчетные параметры, которые необходимы при проектировании стабилизаторов с заданными свойствами. К таким параметрам относят: дифференциальное выходное сопротивление гст, температурный коэффициент напряжения ТКН, напряжение шумов Uш, временной дрейф выходного напряжения ΔUТ и некоторые другие.
Номинальное напряжение стабилизации Uвых — это выходное напряжение стабилизатора при нормальных условиях его эксплуатации (определенное входное напряжение, заданный ток нагрузки, установленная температура окружающей среды). Если стабилизатор позволяет регулировать выходное напряжение, то задается диапазон изменения выходного напряжения Uвыx.min и Uвых.max.
Диапазон изменения входного напряжения Uвх позволяет установить пределы изменения напряжения на входе стабилизатора, при которых сохраняются точностные свойства стабилизатора.
Диапазон изменения тока нагрузки Iн, позволяет установить пределы изменения тока нагрузки, при котором сохраняются точностные свойства стабилизатора.
Коэффициент полезного действия стабилизатора ηст — это отношение мощности, отдаваемой в нагрузку Рн, к мощности Рпот, потребляемой от первичного источника питания:
ηст = Рн / Рпот
Коэффициент нестабильности по напряжению KнU — это отношение относительного изменения выходного напряжения ΔUвых/Uвых к вызвавшему его изменению входного напряжения ΔUвх:
KнU = ΔUвых / (UвыхΔUвх), %/В.
Коэффициент нестабильности по току КнI —это отношение относительного изменения выходного напряжения ΔUвых/Uвых к вызвавшему его относительному изменению тока нагрузки ΔIн/Iн:
КнI = ΔUвых Iн/(Uвых ΔIн)
Коэффициент сглаживания пульсаций — это отношение амплитудного значения пульсаций входного напряжения к амплитудному значению пульсаций выходного напряжения:
Ксг = Uвх~/Uвых~
Быстродействие стабилизатора характеризует его способность быстро отрабатывать скачкообразные изменения входного напряжения или тока нагрузки. Обычно быстродействие стабилизатора определяют временем установления выходного напряжения при заданном скачкообразном изменении напряжения на входе или тока нагрузки.
Дифференциальное выходное сопротивление стабилизатора — это отношение приращения выходного напряжения к приращению тока нагрузки:
Rст = ΔUвых/ΔIн.
Температурный коэффициент — это отношение относительного изменения выходного напряжения к вызвавшему его изменению температуры окружающей среды:
ТКН = ΔUвых /(ΔTUвых), %/°С.
Приведенная система параметров достаточно полно отражает функциональные свойства стабилизатора напряжения любого типа независимо от его схемы или конструкции.
Параметрические стабилизаторы напряжения выполняют на специальных полупроводниковых диодах: стабилитронах и стабисторах. Для стабилизации напряжения при помощи стабилитрона используют обратную ветвь вольт-амперной характеристики полупроводникового диода, а при помощи стабистора — его прямую ветвь.
В стабилитронах используется явление электрического лавинного пробоя. При этом в широком диапазоне изменения тока через диод напряжение на нем меняется очень незначительно. Для ограничения тока через стабилитрон последовательно с ним включают сопротивление. Типовая схема включения стабилитрона приведена на рис. 1.а. Основными параметрами стабилитрона являются: номинальное напряжение стабилизации Uст, его дифференциальное сопротивление гст и температурный коэффициент напряжения стабилизации ТКН.
|
|
|
Температурный коэффициент напряжения стабилизации зависит от напряжения стабилизации и тока через стабилитрон. Типовые зависимости ТКН стабилитрона от Uст и Iст приведены на рис. 1.б. Из этих зависимостей следует, что при низком напряжении стабилизации (менее 5 В) ТКН имеет отрицательный знак и при токе около 10мА составляет примерно -2,1мВ/°С. При напряжении выше 6В ТКН имеет положительный знак и при Uст=10В достигает значения 6мВ/°С. Выбирая ток стабилитрона, можно добиться почти нулевого значения ТКН.

Рис. 1. Типовая схема включения стабилитрона (а) и зависимость ТКН стабилитрона от напряжения и тока стабилитрона.
Работа типовой схемы стабилизатора, приведенной на рис. 1.а, происходит следующим образом. Входное напряжение Uвх через ограничительное сопротивление Rr подводится к параллельно включенным стабилитрону Д и сопротивлению нагрузки Rн. Поскольку напряжение на стабилитроне меняется незначительно, то же относится и к напряжению на нагрузке. Если входное напряжение увеличивается, то практически все приращение ΔUвх передается на сопротивление Rr, что приводит к увеличению тока в нем. Это увеличение тока происходит за счет увеличения тока стабилитрона при почти неизменном токе нагрузки.
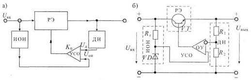
Компенсационные стабилизаторы. Структурная схема компенсационного стабилизатора напряжения приведена на рис. 2.а. Выходное напряжение Uвых стабилизатора через делитель напряжения ДН подводится к усилителю сигнала рассогласования (сигнала ошибки) УСО, где сравнивается с напряжением Uoп источника опорного напряжения ИОН. С выхода УСО напряжение ошибки поступает на регулирующий элемент РЭ и изменяет его коэффициент передачи. Уравнение компенсационного стабилизатора можно записать, используя схему рис. 2.а.
|
|
|
Кo(Uоп-КдUвых) = Uвых, (1)
где Uoп — напряжение опорного источника, Uвых — выходное напряжение стабилизатора, Кд — коэффициент передачи делителя напряжения ДН, К0 — коэффициент усиления усилителя сигнала рассогласования УСО и регулирующего элемента РЭ.
Из уравнения (1) получаем значение напряжения на выходе стабилизатора:
Uвых = UопК0/(1+К0Кд). (2).
Если усиление УСО достаточно велико, то при условии К0Кд >> 1 получаем из (2)
Uвых = U0/Кд. (3)

Рис. 2. Упрощенная структурная схема стабилизатора напряжения с непрерывным регулированием (а) и функциональная схема стабилизатора фиксированного
напряжения (б).
Таким образом, из уравнения (3) следует, что выходное напряжение компенсационного стабилизатора не зависит от изменения напряжения на входе Uвх и пропорционально опорному напряжению. Иначе говоря, стабильность выходного напряжения компенсационного стабилизатора зависит только от нестабильности элементов, включенных в цепь обратной связи, и не зависит от нестабильности элементов в цепи прямой передачи. В качестве источника опорного напряжения обычно используется один из видов параметрических стабилизаторов, рассмотренных ранее. В этом случае применение делителя напряжения ДН позволяет получать выходное напряжение, отличное от напряжения опорного источника.
К напряжению на входе предъявляются требования такие же, как к напряжению питания усилителя: оно должно быть больше, чем напряжение на выходе, хотя бы на падение напряжения на регулирующем элементе. Чем меньше падение напряжения на регулирующем элементе, тем выше будет КПД компенсационного стабилизатора. Поэтому для нормальной работы стабилизатора необходимо выполнение условий
Uвх> Uвых> Uoп ≈ Uд
По принципу действия компенсационные стабилизаторы делят на две группы: с непрерывным и импульсным регулированием. Основное различие этих стабилизаторов заключается в режиме работы регулирующего элемента: в стабилизаторах с непрерывным регулированием регулирующий элемент работает в непрерывном режиме (т. е. как регулируемое сопротивление), а в стабилизаторах с импульсным регулирования он работает как ключ.
Компенсационные стабилизаторы с непрерывным регулированием. Упрощенная схема компенсационного стабилизатора напряжения с непрерывным регулированием приведена на рис. 2.б. В этой схеме делитель напряжения ДН выполнен на резисторах R1 и R2. Коэффициент передачи такого делителя
Kд = R2/(R1+R2) < 1
Источник опорного напряжения Uоп выполнен на стабилитроне VD и гасящем сопротивлении Rг. В качестве стабилитрона можно использовать одну из стабилитрониых ИМС. Усилитель сигнала ошибки УСО выполнен на операционном усилителе ОУ. Регулирующий элемент построен на транзисторе VT по схеме эмиттерного повторителя. Коэффициент передачи такого регулирующего элемента близок к единице.
Компенсационный стабилизатор имеет ряд преимуществ по сравнению с параметрическим: выходной ток компенсационного стабилизатора может быть значительно больше и ограничивается возможностями регулирующего элемента; стабилитрон VD работает в режиме холостого хода, так как он подключен к высокоомному входу ОУ.
Основным недостатком компенсационного стабилизатора с непрерывным регулированием является его невысокий КПД.