При эксплуатации СЭЭС возможно возникновение аварийных режимов – короткое замыкание, повреждение приводного двигателя, повреждения системы регулирования напряжения или частоты и обрыв фазы и пр., которые вызывают повреждения и ненормальные(перегрузки) отклонения параметров. Эти режимы связаны с естественным старением электрооборудования, небрежной технической эксплуатацией или случайными процессами.
Наиболее опасны режимы короткого замыкания (КЗ ), вызывающие разрушение электрооборудования, возгорания и пожары и подразделяемые на внешние, действующие в ЛЭП, и внутренние, действующие в обмотках генератора.
Внешние КЗ могут повлечь электродинамические и термические повреждения электрооборудования, нарушение параллельной работы генераторов, затормаживание электродвигателей под током и другие последствия, тяжесть которых зависит от удаленности места КЗ от шин ГРЩ.
Внутренние КЗ влекут тяжелую аварию генератора. Наиболее опасны КЗ в якорных обмотках мощных и высоковольтных генераторов с большими индукциями в воздушном зазоре, сопровождающиеся перемежающимися процессами электрической дуги, «пожара» стали (выплавления замкнутых электрической дугой листов пакета стали), и воспламенения изоляции.
|
|
|
Повреждение приводного двигателягенераторного агрегата при одиночной работе приводит к его остановке и обесточиванию СЭЭС или к снижению напряжения и частоты тока, при параллельной работе – к переходу генератора в двигательный режим, созданию опасной перегрузки остальных агрегатов, снижению напряжения и частоты или к выпадению СГ из синхронизма с недопустимыми колебаниями тока, напряжения и частоты. Аварию локализуют, отключая поврежденный агрегат.
Защиту от внешних КЗ осуществляют, устанавливая во всех фазах или полюсах генератора максимальные расцепители генераторных АБ с селективной пристройкой, настроенной на отключение автоматических выключателей (АВ) до момента спадания тока короткого замыкания (ТКЗ) до величины тока возврата расцепителей, или плавкие предохранители (для генераторов мощностью до 50 кВт).
При недостаточной коммутационной способности, генераторные АВ применяют в сочетании с предохранителями поддержки, ограничивающими ожидаемые ТКЗ.
Защита от внутренних КЗи КЗ на генераторном фидере рекомендована для СГ мощностью не менее 1000 кВ∙А.

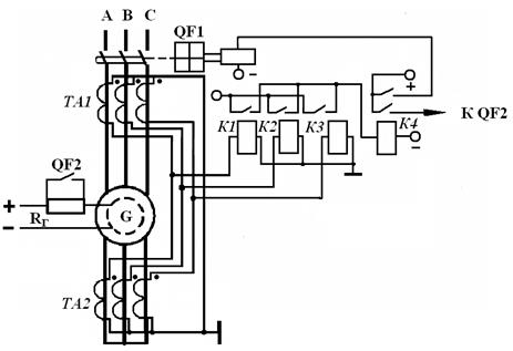
Рисунок 7 – Принципиальная схема дифференциальной защиты СГ
«Пожар» стали при внутренних КЗ СГ локализуют гашением поля СГ. Во избежание опасных перенапряжений при отключении обмотки возбуждения СГ ее поле гасят, замыкая на резистор с линейным или нелинейным, что эффективнее, сопротивлением, накоротко или вводя резистор гашения поля последовательно в цепь обмотки.
|
|
|
Защита от внутренних КЗ (продольная дифференциальная токовая защита) основана на сравнении токов в начале и конце защищаемого участка, ограниченного однотипными трансформаторами тока ТА 1 и ТА 2 (рисунок 7). При нормальной работе и внешнем КЗ токи в начале и конце защищаемого участка одинаковы, поэтому в катушках токовых реле К1 - К3 циркулируют небольшие токи небаланса, определяемые неидентичностью характеристики трансформаторов тока. Реле отстраивают от максимального тока небаланса (
). Повреждения внутри обмоток СГ или на генераторном фидере нарушают баланс тока и вызывают срабатывание соответствующего реле, а промежуточное реле К4 подает импульс на отключение ГВ (генераторного выключателя) QF1 и АГП (автомата гашения поля) QF2. Дифференциальная защита отличается высокой чувствительностью, быстродействием и компактностью по сравнению с другими видами аналогичных защит.
Защиту от перегрузкиустанавливают не менее чем в одной фазе или положительном полюсе при двухпроводной системе и не менее чем в двух фазах – при трехпроводной изолированной системе, дополняют ее сигнализацией о перегрузках 100…110%, действующей с выдержкой времени до 15 минут, и обеспечивают отключение генератора при больших перегрузках с обратно зависимой выдержкой времени, которая при перегрузке 150% не должна превышать 2 минут для СГ и 15 секунд – для ГПТ. После срабатывания защиты должна сохраняться возможность немедленного повторного включения генератора.
Генератор при перегрузке отключают расцепителями перегрузки или комбинированными расцепителями генераторных АВ через механические и другие замедлители или реле ИМ 145 в цепи независимого расцепителя генераторного выключателя.
Защита от перехода в двигательный режим обязательна при параллельной работе генераторов. Она должна обеспечивать работоспособность при снижении напряжения на 50% и передачу рекуперируемой из сети мощности. В отечественной практике ее осуществляют с помощью реле обратного тока или обратной мощности, воздействующими на независимый или минимальный расцепитель ГВ и имеющими уставки по току или мощности; 2…6% для синхронных ТГ; 8…15% для синхронных ДГ; 2…15% для ГПТ. Для отечественных ДГ применяют уставку 15% – при наличии наддува, 10% – при его отсутствии. Выдержка времени 0,7…1,5 с для ДГ и 3…5 с для ТГ.
Минимальная защита, обязательная для параллельно работающих генераторов, исключает возможность подключения генератора к шинам при напряжении менее 80% и отключает генератор при снижении напряжения ниже 70% номинального значения с выдержкой времени 0,5…2 с. Эта защита иногда является единственным средством отключения одиночно работающего генератора при остановке первичного двигателя, внутренних КЗ генератора и повреждениях автоматического регулятора напряжения. Для ее осуществления используют минимальный электромагнитный расцепитель генераторного АВ.