Современный стандарт FR включает протокол и интерфейс "пользователь - сеть" (ИПС) только для ПВК и поэтому в основном используется в корпоративных (региональных) и локальных сетях со статическими cпособами маршрутизации информационных потоков.
При создании глобальной широкополосной FR сети, в которой будут применяться коммутируемые виртуальные каналы (КВК) и динамическое управление потоками информации, возникнет необходимость объединения различных существующих корпоративных и локальных FR сетей. Такая интеграция требует разработке стандарта на интерфейс "сеть - сеть" (ИСС).
ИПС FR - это интерфейс, который определяет порядок доступа в FR сеть (частную или общего пользования), формат данных и процедуры для взаимодействия ООД и АКД "внутри" одной сети. Однако при взаимодействии нескольких сетей FR между ними необходим шлюз (ИСС).
Основное назначение ИСС - обеспечение эффективного взаимодействия двух (или нескольких) FR сетей в рамках глобальной FR сети с целью высококачественного обслуживания пользователей при ведении ими информационного обмена. Следовательно, ИСС в первую очередь, должен обеспечивать высокоскоростную доставку данных, управление информационными потоками при возникновении перегрузок, сигнализацию и доставку служебной информации о состоянии канала связи. Стандарт на ИСС аналогичен стандарту на ИПС, но рассматривает интерфейс локального управления только с асинхронным дуплексным управлением.
В основе функционирования ИСС лежит понятие "отрезок ПВК". Каждый такой отрезок "заключен" внутри глобальной "составной" FR сети и ограничен либо ИПС с одной стороны и ИСС - с другой, либо ИСС с обеих сторон. Многосетевой ПВК (МПВК) является объединением двух или более отрезков ПВК. На нижнем рисунке МПВК включает три отрезка ПВК (две FR сети с абонентским доступом и одна транзитная FR сеть).

Понятие отрезка ПВК и многосетевого ПВК.
При функционировании МПВК составные FR сети будут управляться со стороны как пользователя, так и соседней сети. Таким образом, в ИСС используются двунаправленные процедуры управления, то есть каждая из сторон интерфейса имеет право запрашивать у другой стороны информацию о статусе транзитного ПВК, так же как и информировать другую сторону о статусе ПВК. Более того, эти двунаправленные процедуры могут осуществляться асинхронно (с целью отслеживания состояния каналов в реальном масштабе времени).
ИСС использует локальную адресацию с различными DLCI в каждом интерфейсе (ИПС или ИСС).
Для нормального функционирования процедур управления в ИСС используются те же параметры синхронизации, что и для LMI. Важным свойством ИСС (требование к параметрам интерфейса) является максимально быстрая передача служебной информации о состоянии ПВК между пользователями. Если у одной из сторон интерфейса произошло изменение состояния ПВК, другая сторона ИСС должна быть оповещена незамедлительно (АДУ) т.к. любая задержка в информировании другой стороны ИСС может привести к локальной перегрузке сети.
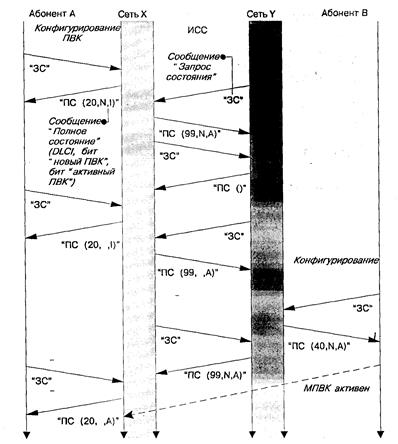
МПВК считается активным при условии, что все отрезки ПВК между двумя ИПС активны. Тогда удаленный ИПС (ООД удаленного пользователя) в кадре FR установит бит "активный ПВК" в "7", так как только ИПС "имеет на это право". Если все ИСС функционируют нормально, то они "пропустят" этот кадр без изменений, в противном случае - установят бит "активный ПВК" в "О". На рис. 17.4 представлены процедуры установления соединения (МПВК) через две FR сети (ИСС). Каждый отрезок ПВК конфигурируется системой управления сетью (СУС). Следовательно, МПВК полностью сформируется только после того, как все отрезки ПВК будут соединены.
ООД абонента А (ООД А) подключено к АКД сети Х (АКД X) через ИПС, в котором номер ПВК - DLCI 20. Далее СУС соединяет этот отрезок ПВК с ИСС, в котором номер ПВК - DLCI 99. Спустя некоторое время СУС соединяет ООД В и АКД сети Y (АКД Y) через ИПС (локальный DLCI 40) и организует отрезок ПВК (сеть Y) между ИПС и ИСС (DLCI 99).

Рис. 17.4. Процедуры установления МПВК через один ИСС
Во время установления соединения между ООД абонентов А и В внутри ИПС и ИСС происходит постоянный обмен сообщениями "Запрос состояния".
ПВК между ООД В и АКД Yn не сконфигурирован.
ООД А и АКД Хц (ИПС). В ответ на свой первый "Запрос состояния" ООД А получает от АКД Х„ (АКД сети Х со стороны ООД А) ответ ("Полное состояние"}, в котором ПВК имеет DLCI 20 и является "новым" и "неактивным" (при этом пользователь не знает, почему ПВК неактивен). На второй запрос также будет получен ответ о том, что ПВК неактивен. Однако в этом повторном ответе АКД Хn не показывает, что ПВК является "новым" (DLCI 20), так как ООД А подтвердило в своем втором запросе наличие "нового" ПВК (путем установки бита "новый ПВК" в "1").
ИСС. АКД Yc (АКД сети Y со стороны АКД X) на свой первый "Запрос состояния" получает от АКД Хд (АКД сети Х со стороны АКД Y) ответ "Полное состояние", в котором указывается, что сконфигурирован новый ПВК (отрезок ПВК), имеющий DLCI 99, и этот ПВК является активным "внутри" сети X. Ввиду того, что в ИСС используются асинхронные двунаправленные процедуры управления, АКД Хс также посылает АКД Yс "Запрос состояния", в ответе на который ("Полное состояние") не указываются никакие новые ПВК (за исключением ранее установленных ПВК), причем до тех пор, пока отрезок ПВК (сеть Y) не будет сконфигурирован. АКД Хс на последующие запросы АКД Yc будет по-прежнему отвечать сообщениями "Полное состояние", в которых указывается, что внутри сети Х имеет место "активный" ПВК (DLCI 99). Однако этот ПВК не будет идентифицироваться как новый.
2. ПВК между ООД В и АКД Yп сконфигурирован.
ООД В и АКД Y п (ИПС). АКД Yn (АКД сети Y со стороны ООД В), получив первый "Запрос состояния", отвечает сообщением "Полное состояние", в котором указывается, что имеет место "новый" и "активный" ПВК (DLCI 40), являющийся последним отрезком МПВК. Следовательно, МПВК сконфигурирован.
ИСС. На следующий "Запрос состояния" от АКД Хс АКД Yc посылает ответ ("Полное состояние"), в котором указывается, что имеет место "новый" и "активный" ПВК (DLCI 99).
ООД А и АКД Хп (ИПС). АКД Х„ на последний "Запрос состояния" от ООД А отвечает сообщением "Полное состояние", в котором ПВК (DLCI 20) "активен".
Приведенный выше пример показывает, насколько эффективны асинхронные двунаправленные процедуры управления в ИПС и ИСС.
Существует несколько причин сбоя МПВК: сбой е ИПС, в ИСС или в отрезке ПВК. В каждом случае ответственным за передачу сообщений "Полное состояние", в которых указывается неактивное состояние ПВК, является ИСС, что позволяет временно прекратить передачу данных через ИПС до тех пор, пока ПВК не будет реконфигурирован. Если имеет место сбой в ИСС, то это вызовет сбой механизма синхронизации, что незамедлительно будет обнаружено ООД пользователей.
![]() |
Флаг. Все кадры начинаются и заканчиваются комбинацией флаг – 01111110. Данная комбинация используется для открытия и закрытия кадра. С целью предотвращения имитации флаг при передаче кадра проверяется все его содержимое между двумя флагами и вставляется «0» бит после всех последовательностей из пяти идущих подряд бит «1». На приемном конце «0» биты отбрасываются. Данная процедура (битстаффинг – прозрачность) обязательна при формировании любого кадра FR.
Адрес DLCI. Поле адреса в пределах кадра FR состоит из 6 бит первого октета и 4 битов второго октета. Эти 10 бит определяют абонентский адрес в сети FR (идентификатор канала передачи данных – DLCI).
- CR – бит опрос/финал. Протоколом FR не используется, но может применяться в пользовательских приложениях и пропускается прозрачно.
- EA – бит расширения адреса. Возможно расширение адресного поля на целое число дополнительных октетов с целью указания адреса, состоящего более чем из 10 бит. Устанавливается в конце каждого октета адреса.
- FECN – бит уведомления приемника о явной перегрузке. Устанавливается в «1» аппаратурой канала данных АКД сети для уведомления источника сообщения о том, что произошла перегрузка в направлении передачи кадра.
- BECN – бит уведомления источника о явной перегрузке. Устанавливается в «1» АКД сети для уведомления источника сообщения о том, что произошла перегрузка в обратном направлении относительно направления передачи кадра, содержащего этот признак.
- DE – бит разрешения сброса. Устанавливается в «1» в случае явной перегрузки входного трафика и указывает на то, что данный кадр может быть уничтожен в первую очередь по отношению к другим кадрам, не имеющих данного признака. Устанавливается либо АКД сети либо ООД пользователя.
Информационное поле. Содержит данные пользователя. Максимальна длина 1600 байт.
Проверочная последовательность FCS. Используется для обнаружения возможных ошибок при его передаче и состоит из 2 байт. Формируется аналогично циклическому коду HDLC.
Протокол FR не предусматривает передачу сигнальных сообщений: нет командных (супервизорных) кадров как в HDLC. Для передачи служебной информации используется специально выделенный канал (ОКС).
В FR отсутствует нумерация последовательности передаваемых и принимаемых кадров, тк. Нет механизмов для подтверждения правильно принятых кадров.







