Целью пусковых операций парового энергетического котла неблочной ТЭС является достижение номинальных параметров пара (давление и температура острого пара, а также его качество) и такой минимальной паропроизводительности, при которой котёл может устойчиво работать на общестанционный паровой коллектор.
Минимальная паропроизводительность котла зависит от его начального теплового состояния, от рабочих параметров котла, его мощности, а также от степени автоматизации и применяемой технологии пуска.
Особенность пуска котла неблочной ТЭС состоит в том, что пусковые операции на нём осуществляются независимо от операций, производимых на турбинах. При блочной компоновке оборудования операции по подъёму параметров на котле сопряжены с прогревом паропроводов острого пара вплоть до турбогенератора, а требуемые параметры пара зависят от теплового состояния турбины. В настоящее время пуски блоков осуществляют на «скользящих параметрах» пара.
Пусковые операции на котле начинаются с момента подачи команды ДИСа о пуске котла и считаются завершёнными при достижении номинальных параметров пара и минимальной паропроизводительности.
Режим пуска должен удовлетворять следующим требованиям:
1. Должно обеспечиваться надёжное протекание внутрикотловых процессов, необходимых для равномерного прогрева всех элементов котла.
2. Скорость прогрева элементов котла не должна превышать величин, определяемых допустимыми температурными напряжениями в этих элементах.
3. Тепловые потери должны быть, по возможности, минимальными.
4. Должна быть обеспечена безопасность персонала и оборудования.
Рассмотрим более подробно вопрос о температурных напряжениях металла элементов котла.
В стационарных тепловых режимах эксплуатации котла перепад температур на стенках элементов котла невелик, поэтому температурные напряжения минимальны. В нестационарных режимах (пуски, остановы, изменения нагрузки) разности температур стенок значительно возрастают, что влечёт и увеличение температурных напряжений. В общем случае данные напряжения могут быть определены как
σt = [β·Е/(1 – μ)]·Δt·К,
где
β – коэффициент линейного расширения материала;
Е – модуль упругости материала;
μ – коэффициент Пуассона;
Δt – разница температур между внутренней и наружной стенками;
К – коэффициент, характеризующий режим прогрева элемента:
· К = 1/3 для режимов стационарного теплообмена;
· К = 1/2 для режимов пуска;
· К = 1 для тепловых ударов.
В реальных условиях температурные напряжения определить невозможно. Это связано с целым рядом причин, например, с наличием отложений на внутренней поверхности труб и их шлакованием снаружи, с неравномерностью поля температур рабочего тела и газового потока и т.п. В этом случае вводят, так называемые, критерии безопасной эксплуатации, которые представляют собой:
- допустимые перепады температур в ответственных элементах котла;
- допустимые скорости прогрева (расхолаживания);
- допустимые пределы температур.
При эксплуатации котлов следует руководствоваться требованиями ПТЭ, ППБ, ПТБ, правилами Госгортехнадзора, требованиями заводских и типовых инструкций, местных должностных и производственных инструкций по техническому обслуживанию и эксплуатации основного и вспомогательного оборудования. Значения указанных критериев безопасной эксплуатации также регламентируются данными РД.
Пусковые операции, кроме того, регламентируются «Типовой инструкцией по пуску из различных тепловых состояний и останову парового котла ТЭС с поперечными связями», 1995 г.
Согласно данной инструкции, в зависимости от начального теплового состояния котла различают следующие виды пусков:
- из холодного состояния (давление в пароводяном тракте отсутствует, котёл и паропроводы полностью остывшие, соответствует останову котла на срок более 2 суток);
- из неостывшего состояния (в пароводяном тракте избыточное давление не более 13 ата, соответствует останову котла на 10 и более часов);
- из горячего состояния (в пароводяном тракте избыточное давление более 13 ата).
Следует отметить, что граничное давление 13 ата выбрано исходя из параметров пара в общестанционном паровом коллекторе. При этом подразумевается, что при пуске из горячего состояния продувочный пар сразу же можно направлять на растопочную РОУ.
При пусках следует придерживаться следующих общих принципов:
1. Пуск котла включает три этапа:
- розжиг котла и подъём параметров;
- включение котла в общестанционный паровой коллектор.
Для оптимизации и качества выполнения подготовительных операций должны использоваться графики пуска, которые регламентируют последовательность выполнения операций, время на проведение той или иной операции и лицо, ответственное за выполнение данной операции. Данные графики позволяют определить выполнение подготовительных операций для любого момента времени.
С момента растопки котла и до момента вывода его на номинальные параметры пара оперативный персонал должен руководствоваться, так называемым, графиком – заданием пуска, который представляет собой кривую изменения давления в барабане, сопряжённую с графиком температуры перегретого пара, с указанием моментов форсировки топок и параметров для проведения профилактических мероприятий (продувок, включения пробоотборных точек, подключения РРОУ и т.п.). Графики – задания и сетевые графики должны разрабатываться из всех тепловых состояний котла.
t мет
Pб
t
Вн
2. Начальный расход топлива при пусках из холодного состояния должен составлять примерно 10 % от номинального. При этом, т. к. данный расход топлива лежит в зоне нечувствительности расходомеров газа (мазута), контроль количества подаваемого топлива должен вестись по максимальной температуре газов на выходе из топки, которая, например, для котлов сверхвысокого давления должна быть не ниже 420 – 440 оС по условиям равномерности поля температур газов и обеспечения достаточной скорости прогрева элементов и не выше 540 оС по условиям надёжного охлаждения пароперегревателя при малом теплосъёме с паровой стороны.
3. При пусках из неостывшего и горячего тепловых состояний начальный расход топлива должен составлять 15 – 20 % от номинального, а максимальная температура газов на выходе из топки должна быть на 10 – 30 оС выше максимальной температуры металла пароперегревателя, с тем, чтобы в первоначальный момент времени не произошло снижение давления перегретого пара.
4. Замедленный рост начального давления пара, при пусках их холодного состояния, должен обеспечиваться за счёт полного открытия продувки пароперегревателя, дополнительной продувки из рассечки пароперегревателя и полного открытия воздушников с парового тракта котла и с паропроводов. При этом следует добиваться как можно более медленного роста давления пара при относительно быстром росте паропроизводительности, что обеспечит хорошую вентиляцию барабана, «дыхание» котла.
5. Скорость прогрева барабана котла должна контролироваться по скорости увеличения температуры металла нижней образующей барабана, которая не должна превышать 30 оС за 10 мин.
Ввиду сложности регулирования скорости увеличения температуры металла нижней образующей барабана за счёт расхода топлива или величины продувки пароперегревателя, рекомендуется моменты форсировки топок отражать в графике – задании пуска. При этом должны использоваться растопочные форсунки. В этом случае количество подаваемого в топку топлива в моменты форсировок могут регламентироваться количеством зажжённых форсунок и давлением перед ними.
Прогрев барабана не является обязательной операцией при условии соблюдения вышепринятых рекомендаций, поскольку в этом случае критерий безопасности по разнице температур верхней и нижней образующих барабана (60 оС) В других случаях для выравнивания температурного поля металла барабана и обеспечения заданного графика подъёма давления в барабане пуск котла может осуществляться с прогревом барабана от стороннего источника.
6. Котёл считается не заполненным, если уровень воды в барабане ниже растопочного.
Водяной тракт котла должен заполняться деаэрированной водой, при этом разность температур воды и металла барабана на должна превышать 40 – 60 оС. Разность температур металла верхней и нижней образующих барабана после его заполнения не должна превышать 80 оС. Не допускается заполнение барабана при температуре металла барабана выше 160 оС. Не допускается гидроопрессовка пароводяного тракта котла, если температура металла нижней образующей барабана превышает 150 оС.
Заполнение котла должно вестись медленно, особенно в первые минуты. При этом должна строго контролироваться разность температур металла правой и левой образующих барабана, верхней и нижней образующих барабана.
Наиболее рациональным считается заполнение водяного тракта котла через нижние коллектора экранов, а именно через дренажную систему, что способствует более качественному вытеснению воздуха из водяного тракта.
7. Продолжительность периодических продувок из нижних точек экранов при пусках и остановах должна составлять от 1,5 до 3 мин. При стационарных режимах работы котла частота выполнения продувок и время их проведения регламентируется персоналом химического цеха (обычно не менее 1,5 мин. 1 раз в 2 – 3 суток для каждого экрана).
Для повышения эффективности проведения периодических продувок в нижних коллекторах экранов рекомендуется устанавливать шламоотборники или выполнять дополнительные дренажные линии.

На котлах неблочных ТЭС при соблюдении вышеперечисленных требований практически не требуется регулирование температуры перегретого пара в период растопки вплоть до момента подключения котла к общестанционному коллектору острого пара.
Аварийные впрыски используются крайне редко. При этом их использование для регулирования температуры перегретого пара должно осуществляться по согласованию с персоналом химического цеха.
Подключение штатных впрысков осуществляется при достижении номинальной температуры пара. При использовании штатных впрысков необходимо максимально загружать первые по ходу пара впрыски и подключать, при необходимости, следующие.
Следует отметить также, что при простое котла в резерве более трёх суток перед пуском должны быть опробованы защиты и блокировки с предварительной прокруткой защитной арматуры и контролем её исправности по месту.
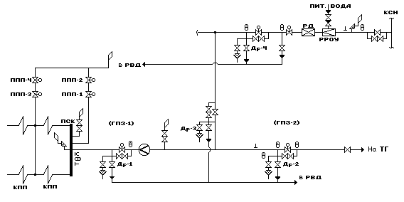
8. Для упрощения пусковых операций РРОУ должно содержаться в горячем резерве. Это означает, что РРОУ с высокой стороны (паропроводы от котла до задвижки на входе в РРОУ) должно прогреваться паром от котла, а с низкой стороны (паропроводы от задвижки на входе в РРОУ до парового коллектора собственных нужд ТЭС) – паром от КСН.

Качество проведения пусковых операций должно оцениваться, необходимо принимать соответствующие меры к устранению возникающих неполадок. С этой целью оперативный персонал заполняет соответствующие ведомости, в которые вносятся критерии безопасной эксплуатации и основные положения об организации пусков котлов.