Большинство объектов теплоэнергетики можно представить в виде сис-мы и
выполнить их декомпозицию, т.е. разделить на подсис-мы и эл-ты. В этом виде они будут представлять собой эл-ты, соединенные последовательно, параллельно или в виде контура. Поэтому для создания мат. модели сложной технической установки, можно упростить пр-сс составления мат. описания. Разработав сначала мат. модели отдельных эл-ов, а затем их, объединив по правилам логических схем.
При этом мат. модели м.б. получены как аналитическим, так и империческим путем. Для последовательной цепочки эл-ов, для которой известны мат. модели, можно записать:
.


Для параллельно соединенных эл-ов мат. модель запишется:

, где n – число эл-ов.
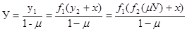
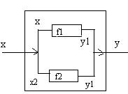
Для контура или цепочки с обратной связью необходимо задать коэф. разделения сигнала в точке 1, т.е.
.






.






