Модульный метод расчета ТТС.
Методика расчета ТТС (систем балансовых уравнений).
Расчет тепловой технологической схемы заключается в нахождении точных значений пар-ров всех потоков, а при необходимости и конструктивных пар-ров, которые удовлетворяют как у-ние стр-ры, так и модели всех эл-ов, а так же заданных ограничений.
Различают 3 подхода к расчету технологической схемы или технологической сис-мы в целом:
1) одновременный расчет всех неизвестных. Этот метод применяется в том случае, если модели всех эл-ов либо линейные, либо м.б. приведены к линейному виду. При этом следует помнить, что у-ния связи всегда линейно.
2) последовательный (модульный) расчет эл-та.
Данный метод основан на использовании анализа стр-ры ТТС и представление модели ее эл-та в виде зависимости между входными и выходными пар-ми. Он закл-ся в последовательном, эл-нт за эл-ом расчете, при этом для расчета необходимо знать значение входных пар-ров.
Для разомкнутых сис-м данный метод предпочтителен и, как правило, не вызывает трудностей для определения последовательности эл-та.
|
|
|
Для большинства ТТС хар-ны схемы с множеством обратных связей, т.е. существование конту-ров. В этом случае для применения последовательного метода расчета необходимо выявить ра-зомкнутую схему эквивалентную исходной замкнутой. Другими словами определить связи, по которым происходит разрыв контуров, после чего происходит итерациональный расчет методом последовательных приближений.
3) расчет ТТС с учетом стр-ры балансовых у-ний.
В данном случае определяется оптимальная последовательность решений у-ний исходя из анализа и стр-ры схемы.
Особенность хар-ра между пар-ми теплотехнических сис-м определяется по элементной неоднородности этих сис-ми и, направленными непрерывными пр-ми и их эл-ом.
Эл-ты связа-ны энергоносителями таким образом, что выходные пар-ры связи предшествую-щих пр-сов слу-жат входными пар-ми в последующих пр-сах. Следовательно, при наличии мат. моделей эл-ов сущ-ет возможность расчета сис-мы, последовательно эл-нт за эл-ом. Процедура расчета усложняется наличием теплотехнических сис-м, замкнутых цепочек эл-ов или контуров. Вследствие этого разделяют методику расчета для разомкнутых схем и замкнутых схем.
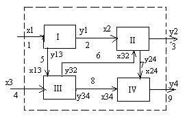
В качестве примера рас-м теплотехническую сис-му, состоящую из 4 эл-ов, следующей стр-ры:
Заданы пар-ры связи 1 и 3, эл-ты х1 и х3.Известны все мат. модели эл-ов: f1, f2, f3, f4. Найти пар-ры связи на выходе из сис-мы: у2 и у4. Из изложенного выше следует, что если известны пар-ры связи на входе в эл-нт и определена мат. модель эл-та, то можно найти пар-ры связи на выходе из эл-та, причем пар-ры выходных связей будут одновременно равны пар-рам входных связей соседних эл-ов, т.е. х2=у1; х13=у13; х32=у32; х34=у34; х24=у24. Для небольших схем порядок расчета м.б. определен простым перебором вариантов расчета, для более сложных используется матрица пр-сов:
|
|
|
1)
2)
3) 
4)
.
Матрица пр-сов представляет собой прямоугольную матрицу строки, которой обозначаются номерами эл-ов, а столбцы определяют порядковый номер связи, входящей или выходящей в данный эл-нт. i-j эл-нт матрицы явл-ся номером входящей или выходящей связи i-ый эл-нт, записанный со знаком “+”, если связь входящая, и со знаком “-”, если связь выходящая. Т.о. признаком, что данный эл-нт м.б. рассчитан, явл-ся определенность пар-ров, входящих в эл-нт связи, т.е. связь обозначенных в матрице со знаком “+”.
Алгоритм анализа матрицы можно представить следующим образом. Просматриваются после-довательно все строки матрицы, если находится строка для которой известны пар-ры связи для всех положительных представленных связей, то данный эл-нт, рассчитывается, и перечет связи с известными пар-ми соответственно пополняется. Т.о. при неоднократном повторении данной операции для разомкнутой схемы не остается эл-ов (неизвестными пар-ми на входе).
Проиллюстрируем данный алгоритм выше представленной схемы.
Известны пар-ры 1 и 4 связи.






