Предполагает расчет независимости вида:
, где n – номер итерации
На 1-ом шаге итерации значение х задаются по нулевому приближению:
.
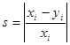
Расчет проводится до тех пор, пока максимальная погрешность не станет:
- условие.
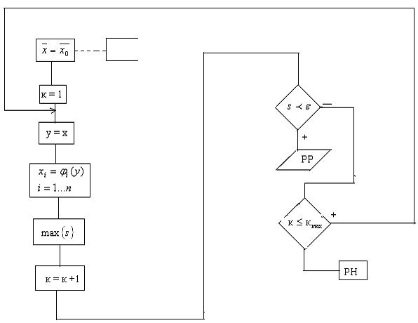
Алгоритм расчета можно представить следующим образом:
Задается начальная приближение вектора неизвестных пар-ров х, задается счетчик итерации (к=1), формируем вектор у = х, производим расчет сис-мы у-ний. Определяем мах. погрешность. Счетчик итерации изменяется на 1-цу (
), затем производят проверку на точность. Если проверка удачна, то выводят итоги расчета (т.е. х), если проверка не прошла, то производят вторую проверку на мах. число итераций, если удовлетворяет условию, то продолжаем расчет, если не удовлетворяет – то решение не найдено.
Алгоритм решения:







