Существенным недостатком ДВС является возвратно-поступательное движение поршня и наличие больших инерционных усилий, что не позволяет создавать поршневые двигатели больших мощностей с малыми размерами и весом. В газотурбинной установке (рис. 7.13), как и в ДВС рабочим телом являются продукты сгорания жидкого или газообразного топлива, но возвратно-поступательный принцип заменен вращательным движением рабочего колеса турбины под действием струи газа. Кроме этого, в турбинах осуществимо полное адиабатное расширение продуктов сгорания до давления наружного воздуха, с чем связан дополнительный выигрыш работы.
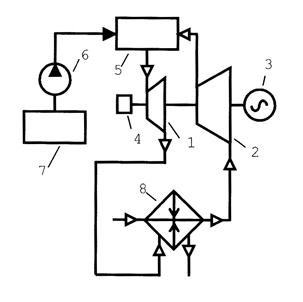
Как видно из схемы, воздух окружающей среды засасывается нагнетателем 2 через подогреватель воздуха 8. В нагнетателе воздух сжимается адиабатно до требуемого давления и подаётся в камеру сгорания 5.
В неё же топливным насосом 6 из топливного бака 7 подаётся топливо. В камере сгорания в результате воспламенения топлива образуются продукты сгорания, температура которых регулируется количеством подаваемого воздуха. Воздух подаётся с большим избытком, чтобы обеспечить приемлемую температуру горения топлива. Продукты сгорания поступают в сопла газовой турбины 1, где их потенциальная энергия в процессе адиабатного расширения преобразуется в кинетическую. Истекающие из сопел струи попадают на лопатки турбины и их кинетическая энергия расходуется на вращение вала установки и передаётся электрическому генератору 3 и нагнетателю 2. Отходящие из турбины газы направляются в подогреватель воздуха 8, где отдают своё тепло воздуху, засасываемому нагнетателем 2.
Для пуска установки используют пусковой электродвигатель 4.
Рис. 7.13. Схема газотурбинной установки
С целью обеспечения работы компрессора и турбины на внешнюю нагрузку в наивыгоднейших режимах с высоким КПД применяют двухвальные схемы турбоустановок. В одних схемах компрессор приводится в движение турбиной высокого давления, находящейся с ним на одном валу, а в других – турбиной низкого давления. Тогда главная турбина, работающая на другом валу на внешнюю нагрузку, в первом случае будет состоять из ступеней низкого давления, а во втором – из ступеней высокого давления. Выбор частоты вращения ротора главной турбины определяется нагрузкой, частота же вращения компрессорного агрегата может изменяться в широких пределах, обеспечивая изменение расхода воздуха в соответствии с потребностью.






