Способ автоматического учета стоимости разговоров регистрацией на счетчиках, как уже упоминалось, является индивидуальным способом и требует наличия и а АТС в каждом абонентском комплекте индивидуального абонентского счетчика. Такой счетчик представляет собой электромеханическое приспособление и может фиксировать числа от 0001 до 9999 (четырехзначные счетчики). Существуют также пятизначные счетчики, фиксирующие числа от 00001 до 99999.
Эти электромеханические абонентские счетчики действуют от импульсов тока. Каждый импульс тока, поступающий в электромагнит счетчика, увеличивает показания счетчика на единицу. В странах, где применяется поразговорная оплата при местных соединениях и способ учета — регистрация на счетчиках, абонентские счетчики являются общими для учета местных и междугородных разговоров.
Обычно каждый местный разговор учитывается одним импульсом, т. е. после каждого местного разговора показания счетчика увеличиваются на одну единицу. В этом случае продолжительность разговоров не учитывается. При междугородных разговорах за единицу стоимости принимается стоимость одного местного разговора и каждый междугородный разговор учитывается количеством импульсов соответственно дальности и длительности. Для определения нужного количества импульсов, подлежащих передаче в абонентский счетчик при состоявшемся междугородном разговоре, на АМТС устанавливаются специальные устройства — счетчики зон и времени. Эти счетчики зон и времени по междугородному коду определяют номер тарифной зоны, а, следовательно, тариф.
С момента получения сигнала ответа вызываемого абонента счетчик зон и времени начинает отсчитывать время разговора и прекращает отсчет времени при получении сигнала отбоя от одного из двух абонентов. По этим данным в индивидуальные абонентские счетчики передаются импульсы, число которых пропорционально стоимости междугородного разговора.
Существует несколько способов передачи импульсов отсчета из счетчика зон и времени в абонентские счетчики. Широко распространен способ передачи импульсов для учета стоимости на протяжении всего разговора через определенные интервалы времени.
Интервалы времени между импульсами отсчета могут быть неодинаковыми. В некоторых странах при любой длительности разговора в начале передаются импульсы отсчета, количество которых соответствует стоимости трехминутного разговора, а затем, после окончания трехминутного разговора, каждую минуту передаются импульсы отсчета, количество которых соответствует стоимости 1 мин разговора. Так, например, учитывается стоимость междугородных разговоров во Франции.
Возможен и другой способ, который заключается в том, что один импульс передается, через каждые X сек. Значение X зависит от тарифной зоны вызываемого абонента и величина X тем меньше, чем выше номер тарифной зоны. В табл.4, в качестве примера, приведены величины X для различных тарифных зон, принятые на телефонной сети в Швеции.
Передача импульсов для учета стоимости во время разговора вызывает некоторые трудности, так как необходимо исключить влияние этих
импульсов на разговорный тракт. Для этой цели предусматриваются специальные устройства приема импульсов, поступающих токами такой частоты, на которую не реагирует человеческое ухо (более 12000 гц).
Известны также системы, в которых импульсы учета передаются по окончании разговора. Это приводит к неэффективному занятию межстанционных соединительных линий и к задержке приборов АТС и АМТС.
Таблица 4- Величины X для различных тарифных зон
| № зоны | I | II | III | IV | V | VI |
| X. сек |
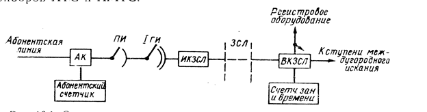
На рис.42 приведена схема, показывающая места включения на АМТС счетчиков зон и времени и абонентских счетчиков на местных АТС. Информация о ходе требуемой междугородной телефонной станции, поступающая через заказно-соединительную линию (зсл) и входящий комплект заразно-соединительной линии (ВКЗСЛ), передается одновременно в регистровое оборудование и в закрепленный за ВКЗСЛ счетчик зон и времени. По этой информации счетчик зон и времени определяет номер тарифной зоны. Сигналы ответа и отбоя также транслируются с ВКЗСЛ в счетчик зон и времени. Эти данные достаточны для выполнения счетчиком зон и времени своих функций.
Счетчик зон и времени содержит определитель зон и регистратор времени. Так как в зависимости от времени суток может устанавливаться льготный тариф, т. е. оплата за одну определенную единицу времени снижается на определенный процент (например, на 50 или 25%), то в счетчиках зон и времени предусматривается специальные переключатели тарифа.

Рисунок 42 - Схема включения счетчика зон и времени