Способы регулирования скорости движения
1. За счёт изменения величины напряжения, подаваемого на двигатели.
2. За счёт ослабления возбуждения тяговых двигателей, аналогично, как и на ЭПС постоянного тока.

На электровозах переменного тока «ЧС» величину напряжения, подаваемого на тяговые двигатели, изменяют путём переключения на первичной высоковольтной обмотке силового трансформатора. Переключения происходят при малых токах, что не требует специальных дугогасительных устройств; но при высоком напряжении, поэтому переключение происходит в масляной ванне.
На отечественных электровозах и электропоездах величина напряжения подаваемого на тяговые двигатели изменяются за счёт изменения коэффициента трансформации силового трансформатора (за счёт изменения рабочих витков вторичной обмотки силового трансформатора) путём переключения выводов вторичной обмотки силового трансформатора. Переключения происходят при относительно невысоком напряжении, но больших токах, поэтому требуется применение специальных дугогасительных устройств. Вторичная обмотка силового трансформатора состоит из регулируемой части, разделённой на несколько секций, и нерегулируемой части, напряжение на которой больше напряжения регулируемой части. Применяется встречно-согласное соединение этих частей вторичной обмотки силового трансформатора, что позволяет увеличить количество позиций при меньшем количестве выводов вторичной обмотки трансформатора.
Переключение выводов вторичной обмотки силового трансформатора должно происходить без разрыва электрической цепи тяговых двигателей и исключить короткие замыкания переключаемых секций вторичной обмотки силового трансформатора.
На электровозах для этого используется переходный реактор. В случае замыкания на секцию вторичной обмотки силового трансформатора переходный реактор выполняет роль делителя напряжения – делит напряжение замкнутой секции пополам. В таком положении переходного реактора не допускается длительная езда для исключения его перегрева. Переходный реактор алюминиевый и не имеет принудительного охлаждения. В случае подключения к одному выводу вторичной обмотки силового трансформатора переходный реактор выполняет роль делителя тока – по его двум половинам проходят равные токи, переходный реактор не оказывает индуктивного сопротивления. В таком положении переходного реактора допускается длительное езда – ходовое позиция. Более подробнее об этом будет рассмотрено при выполнении курсовой работы.
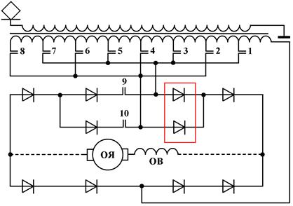
На электропоездах переменного тока при переключении выводов вторичной обмотки силового трансформатора используется вентильный переход.

Вентили исключают короткие замыкания переключаемых секций. И при переходе с одной позиции на другую обеспечивается при этом повышение напряжения на половину напряжения одной секции.
При замкнутом только контакторе 1 напряжение на двигатель только подается в один полупериод (при направлении ЭДС во вторичной обмотке трансформатора слева - направо) и от первой секции.
На следующей позиции замыкается контактор 9 и на двигатель будет подаваться напряжение в оба полупериода от первой секции.
Затем дополнительно замыкается контактор 2. При направлении ЭДС во вторичной обмотке силового трансформатора слева – направо напряжение на тяговые двигатели подаётся от двух секций. В другой полупериод – только от первой секции. В целом за период напряжения возросло на 0,5 напряжения второй секции.
При переходе на четвёртую позицию замыкается контактор 10, размыкается контактор 9. В оба полупериода напряжение на тяговые двигатели подаётся от двух секций вторичной обмотки трансформатора. И так далее.
В рассмотренных случаях подаваемое напряжения на тяговые двигатели изменяется скачкообразно, значит скачкообразно изменяется величина тока и сила тяги. От величины скачкообразного изменения величины напряжения зависит плавность движения поезда.
В качестве выпрямителей на электровозах стали использоваться тиристоры. Тиристор – это управляемый вентиль. Вентиль – значит пропускает ток только в одном направлении. Управляемый – начинает пропускать ток только в случае подачи сигнала на управляющей электрод тиристора. С применением тиристоров можно выполнить плавное изменение подачи напряжения подаваемого, на тяговые двигатели, а, значений, и будет плавное изменение величины тока, силы тяги и не будет толчков при движении поезда.

Импульс подачи напряжения на открытие тиристора 0,001сек, V = 5 ÷ 10В.
Изменяя угол открытия тиристора (или время задержки открытия тиристора tз) и меняется величина подаваемого напряжения на тяговые двигатели.






