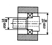
Рис.5.14. Обозначение подшипниковых посадок
Рис 5.13. Виды нагружение колец подшипника
При циркуляционном нагружении «Ц» кольцо воспринимает радиальную нагрузку Рп последовательно всей окружностью дорожки качения. Такое нагружение получается при вращении кольца относительно постоянной по направлению нагрузки или наоборот.
При колебательном нагружении «К» на неподвижное кольцо действует две нагрузки, одна Рп постоянная по направлению, вторая Рв вращается вместе с валом. Равнодействующая нагрузка Рп + Рв не совершает полного оборота а колеблется от точки «А» к точке «В».
Рекомендуемые поля допусков для установки подшипников на вал и в корпус рекомендованы стандартом СТ СЭВ 773-77.
Так, для циркуляционно-нагруженных внутренних колец при нормальных режимах работы рекомендованы посадки, обеспечивающие натяг, которые предотвращают проворачивание кольца относительно вала, например к6, m6. При тяжелых ударных нагрузках рекомендованы посадки с большим натягом –n6, p6.
Для местно-нагруженных наружных колец рекомендуются посадки с зазором Н7, G6, при колебательном нагружении – переходные К6, Js6.
Обозначение подшипниковых посадок на чертежах состоит из условного обозначение поля допуска с буквой l для наружного кольца и L – для внутреннего (цифра после буквы определяет класс точности подшипника) и условного обозначения поля допуска вала, отверстия (рис. 5.14).
Допускается в обозначениях подшипниковых посадок не указывать поле допуска колец подшипника.

Тема 6. Метрология и технические измерения
Измерения имеют древнейшее происхождение – они относятся к истокам материальной культуры человечества. Потребность в измерениях связана с возникновением орудий производства, строительством и необходимостью знания количественной характеристики материальных объектов.
Метрология – наука об измерениях, методах обеспечения единства измерений и способах достижения заданной точности.
Под измерением понимается нахождение численного значения физической величины в установленных единицах с помощью средств измерений. Физическая величина – свойство, общее в качественном отношении многим физическим объектам, но в количественном отношении индивидуальное для каждого объекта.
Нормативную базу метрологии представляют следующие документы:
- Закон РФ «Об обеспечении единства измерений»;
- государственные стандарты системы ГСИ (государственная система измерений), в которую входят ГОСТ, ГОСТ Р;
- правила системы ГСИ (гриф «ПР»), утвержденные ГОССТАНДАРТОМ РФ (в настоящее время федеральным органом исполнительной власти по техническому регулирования и метрологии)
- рекомендации системы ГСИ (гриф «МИ»), разрабатываемые компетентными организациями и утвержденные руководством этих организаций.
Единство измерений – состояние измерений, при котором их результаты выражены в узаконенных единицах величин и погрешности измерений не выходят за установленные границы с заданной вероятностью.
Согласно этого определения результат измерения М должен представляться в виде трех чисел:
М = (Xд ± ε) P,
где Xд – действительное значение измеренной величины полученное определенным средством измерения;
ε – погрешность измерения, (доверительный интервал);
P – вероятность, с которой истинное значение результата измерения находится в диапазоне доверительного интервала.
Например, запись (25±0.1)мм, 0.9 означает, что истинное D ист значение измеряемой величины находится в пределах 24.9 до 25.1 мм. с вероятностью 90%.
При вероятности P равной 100% ее в результатах измерений не указывается.






