Частотные детекторы (ЧД) преобразуют частотно – модулированный сигнал вида
в выходное напряжение, изменяющееся по закону модулирующего сигнала,
,
где
– коэффициент передачи частотного детектора.
Для выделения модулирующего сигнала
из ЧД сигнала, спектр которого состоит из высокочастотных составляющих (несущая и боковые частоты), нелинейного устройства недостаточно. В реакции любого нелинейного элемента на ЧМ сигал имеются только модулированные гармонические частоты несущей и нет низкочастотных составляющих. Поэтому, для детектирования ЧМ сигнала требуется его дополнительное преобразование.
В зависимости от характера преобразований ЧМ существуют частотно - амплитудные, частотно – фазовые и частотно – импульсные детекторы. В частотно – амплитудных детекторах изменение частоты сигнала преобразуется в изменение амплитуды, которое затем выделяется амплитудным детектором. В частотно – фазовых детекторах изменение частоты преобразуется в изменение фазового сдвига между двумя напряжениями с последующим фазовым детектированием. В частотно – импульсных детекторах ЧМ сигнал преобразуется в один из видов импульсной модуляции, например ЧИМ. Частота следования импульсов дальше может подсчитываться счетчиками.
|
|
|
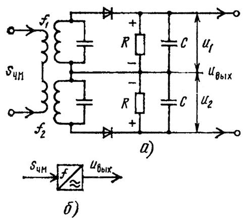
Частотно – амплитудный детектор.
Наиболее часто в качестве частотно – амплитудного преобразователя применяют колебательный контур. Рабочая точка выбирается на одной из ветвей резонансной характеристики контура. Однако одиночный колебательный контур имеет незначительный линейный участок преобразования, поэтому обычно используют два колебательных контура, расстроенных симметрично относительно несущей частоты входного сигнала. Подключив к каждому контуру индивидуальный АД, получим балансный ЧД с взаимно расстроенными контурами.

Частотно – амплитудный детектор с расстроенными контурами:
а) – принципиальная схема; б) – условное обозначение.
Принцип работы схемы виден из рисунка, на котором показаны напряжения на выходах АД, пропорциональные резонансной кривой контуров (штриховая линия), и результирующее напряжение на выходе
(сплошная линия).
Первый из контуров настроен на частоту выше средней принимаемого ЧД сигнала
, второй – на частоту ниже средней
. Величина расстройки контуров
выбирается больше девиации частоты
, чтобы работа ЧД проходила на одной из ветвей резонансной кривой контура (левей первого контура и правей второго). Для несущей частоты 
и
. Если частота сигнала возрастает, то она приближается к резонансной частоте первого контура и удаляется от частоты настройки второго контура. Напряжение на первом контуре увеличивается, а на втором уменьшается. При понижении частоты сигнала, наоборот, увеличивается напряжение на втором контуре и уменьшается на первом. Частотно – модулированный сигнал становится амплитудно – частотно – модулированным и детектируется уже диодным АД.
|
|
|
Частотный детектор с двумя расстроенными контурами обладает высокими качественными показателями, но он сложен в изготовлении и настройке. Находит применение при изготовлении частотно – избирательных цепей ЧД на основе монолитных фильтров (RC, пьезоэлектрических, пьезокерамических, микрополосковых) в составе многофункциональных микросхем.






