| Виды неполадок | Причины возникновения | Способы устранения |
| Обрыв верхней нитки | – неправильная заправка ниток –низкое качество ниток – № ниток не соответствует № иглы – ослабла пружина замочка шпульного колпачка – нa краях желобков иглы и ушке иглы имеется заусеницы – места прохождения ниток с зазубринами, заусенцами | Проверить заправку Заменить нитки Подобрать соответствующий № ниток и игл Заменить пружину Заменить иглу Заменить соответствующие изношенные детали новыми |
| Обрыв нижней нитки | – некачественные нитки – выступает винт или пружина регулирования натяжения нижней нитки или имеет острые края – велико натяжение нити – сработались края шпульки и нитка попадает между шпулькой и шпуледержателем – края шпульки погнуты выщерблены или острые | Заменить витки Заменить винт или пружину Ослабить натяжение нити Заменить шпульку Заменить соответствующие изношенные детали новыми |
| Петление снизу и сверху, неправильная строчка | Неравномерная намотка ниток на бобине или катушке и на шпульке | Заменить бобину или катушку, перемотать нитки на шпульке |
| Неправильная строчка (петление снизу) | – слишком слабое натяжение верхней нитки или слишком сильное натяжение нижней нитки – между шайбами регулятора натяжения попали обрезки или куски ниток или шайбы регулятора поржавели | Отрегулировать натяжение нитей так, чтобы их переплетение осуществлялось в середине стачиваемых тканей Почистить шайбу регулятора |
| Неправильная строчка (петление сверху) | – слишком слабое натяжение нижней нитки или слишком сильное натяжение верхней нитки – под пластинчатую пружину шпульного колпачка попали грязь или обрезки ниток – пластинчатой пружиной на шпульном колпачке образовалась прорезь | Отрегулировать натяжение нитей так, чтобы их переплетение осуществлялось в середине стачиваемых тканей Почистить Заменить шпульный колпачок |
| Неправильная строчка (слабая) | – слабое натяжение обеих ниток | Отрегулировать (усилить) натяжение обеих ниток, следя за тем, чтобы их переплетение осуществлялось в середине стачиваемых тканей |
| Неправильная строчка (тугая) | – сильное натяжение обеих ниток | Отрегулировать (ослабить) натяжение обеих ниток, следя за тем, чтобы их переплетение осуществлялось в середине стачиваемых тканей |
| Неправильная строчка (изменение длины стежка) | – слабый прижим ткани лапкой – лапка не всей поверхностью прижимает материал – затупились зубцы рейки | Отрегулировать давление лапки на ткань: Правильно установить лапку или заменить ее Заменить рейку |
| Неравномерная подача ткани | – затупились зубцы двигателя ткани (рейки) | Заменить рейку |
| Поломка иглы | – № иглы не соответствует № нити или толщине ткани – игла погнута – игла вставлена в игловодитель не до отказа –слишком низко или высоко установлен игловодитель –неправильное шитье | Подобрать правильную иглу Заменить иглу Проверить игловодитель. Если он погнут или сработался заменить его, отрегулировать положение иглы относительно рейки Отрегулировать положение игловодителя Во время шитья не тянуть материал рукой, подача обеспечивается рейкой машины |
| Пропуск стежков | – неправильно установлена игла на высоте; – затупился или согнулся конец иглы – игла установлена не до упора или не правильно относительно челнока | Отрегулировать положение иглы на высоте Заменить иглу Правильно установить иглу |
| Повышенный нагрев челнока | – недостаточное поступление смазки челноку | Увеличить приток смазки челноку, сменить загрязнившийся фильтр |
| Отсутствует подача смазки | – загрязнен фильтр или недостаточно плотное соединение трубок со штуцерами | Произвести очистку фильтра и проверить плотность соединения трубок со штуцерами |
| Косые стежки | – игла толстая, нить тонкая – верхняя нить толще нижней – игловодитель выработан во втулках или имеет качения – рейка имеет качения вдоль платформы | Подобрать соответствующие номера Подобрать соответствующие номера Заменить игловодитель или втулку Проверить узел продвижения и закрепить винты |
Лекция №11. Обметочные машины. Машина 51-А класса АОЗТ «Зингер». Особенности работы бытовых обметочных машин.
МАШИНА 51 КЛ.
Машина предназначена для обметывания срезов деталей трикотажных, плательных, бельевых изделий двух- или трехниточным цепным обметочным переплетением (тип 503 или 504). Частота вращения главного вала машины до 3500 оборотов в минуту, длина стежка регулируется от 1,5 до 4 мм, ширина обметывания от 3 до 6 мм. Толщина материалов в сжатом состоянии под лапкой до 2,5 мм. Иглы 0029 № 60–75 (ГОСТ 22249—82 Е).
Машина имеет механизм иглы, колеблющиеся петлители, дифференциальный механизм перемещения материалов реечного типа. Последний имеет две рейки (переднюю и заднюю), причем горизонтальные перемещения передней рейки больше, чем задней, благодаря чему устраняется посадка и растяжение трикотажа в процессе его обметывания. Механизм ножей работает по принципу ножниц. Машина имеет централизованную фитильную смазку механизмов, расположенных под платформой машины. Для этой цели снизу под главным валом в корпусе машины отлит картер, периодически заполняемый маслом. Смазка механизмов, расположенных над платформой машины, и ряда сопряжений под платформой машины выполняется с помощью масленки.
Подольский механический завод им. М.И. Калинина выпускает машину 51-А кл., предназначенную для обметывания срезов материалов из деталей пальтовой и костюмной группы. Эта машина является модификацией машины 51 кл. и отличается от нее только тем, что в ней применяется только одна основная рейка.
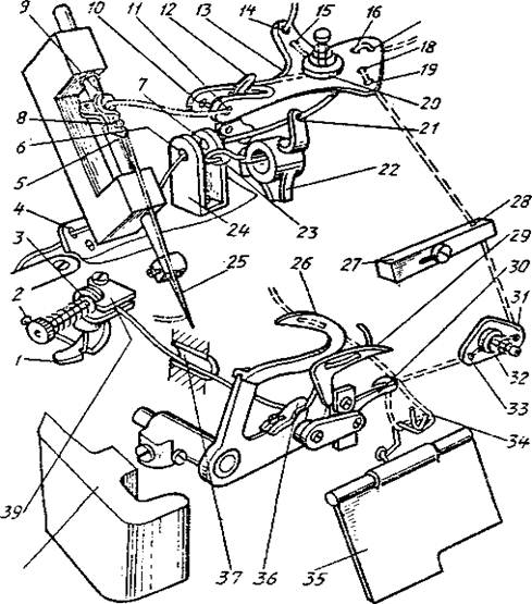
Заправка ниток. При заправке нитки иглы нитку с бобины или катушки проводят сверху вниз через нитенаправительное отверстие 14 (рис. 23) пластины 13,далее снизу вверх через нитенаправительное отверстие 15,обводят между шайбами 20 регулятора натяжения верхней нитки, проводят через глазки 10, 11слева от нитеподатчика 12 и сверху вниз заводят за нитенаправительный крючок 9. Далее нитку обводят между шайбами 8 дополнительного регулятора натяжения, закрепленного на поводке игловодителя, справа
|
Рис. 23. Заправка ниток в машине 51 класса
заводят за нитенаправительный крючок 5 и вводят в направлении от работающего в ушко иглы 25.Перед заправкой нитки левого петлителя 29крышки 35 и 38откидывают на себя. Нитку с катушки или бобины снизу вверх проводят через нитенаправительные отверстия 16, 17. Затем нитку спереди вводят в ушко нитенаправителя 21, закрепленного на верхней головке шатуна 22 механизма иглы. Далее нитку последовательно проводят через нитенаправительные отверстия 6, 7скобы 24 и нитеприемник 23,закрепленного на верхней головке шатуна 22,проводят сверху вниз через отверстие 4 на крышке корпуса, вводят сзади в нитенаправительное отверстие 2 крышки 38, в отверстие разрезного нптенаправнтеля, обводят между шайбами 3 регулятора натяжения, между пластинчатыми пружинами 39 и вводят в нитенаправительную трубку 37. Поворотом махового колеса правый петлитель 26 переводят в его крайнее левое положение и заводят нитку за нитенаправительный крючок 36, закрепленный на рычаге правого петлителя. Вновь поворотом махового колеса левый петлитель 29 переводят в крайнее левое положение и в его ушки пинцетом заправляют нитку.
Перед заправкой нитки правого петлителя 26 крышку 35 откидывают вперед. Нитку с бобины или катушки проводят снизу вверх через нитенаправительное отверстие 18 пластины 13 и сверху вниз вводят в нитенаправительное отверстие 19. Далее нитку пропускают в нитенаправительное отверстие 28 на пластине 27 вводят вперед в нитенаправительное отверстие 31, обводят между шайбами 32 регулятора натяжения нитки и вводят в нитенаправительное отверстие 33. Затем нитку вводят в прорезь ннтеподатчика 30, закрепленного на рычаге левого петлителя 29, заводят вниз под крючок проволочного нптенаправнтеля 34 и пинцетом последовательно вводят в два ушка правого петлителя 26.
Приемы работы на машине. Работа на машине 51 кл. выполняется так же как и на обычных стачивающих прямострочных машинах. Обычно после окончания операции нитки не обрезают, а подкладывают под лапку новые детали и продолжают обметывание. При этом уменьшается расход ниток на концы и исключается возможность вытаскивания ниток из ушка иглы или петлителя, что вызывает потерю времени на перезаправку машины. Исправление материалов при обметывании на машине с ножом должно быть точно определенным, иначе край деталей может быть неровно обрезан или же срезан больше, чем это нужно.
|
Рис. 24.
Длину стежка регулируют ослаблением винта 7, который крепит ползун 8 вместе с эксцентриком продвижения внутри корпуса 10, и поворотом винта 9, изменяющего положение ползуна 8 и его эксцентрика относительно оси главного вала. При вывертывании винта 9 длина стежка увеличится. Перед выполнением регулировки крышку 22 откидывают вперед. Высоту подъема репки регулируют так же, как в машинах цепного переплетения. Подъем лапки 17 осуществляется либо вручную, либо нажатием ноги на левую педаль с помощью поворота рычага 6. Следует помнить, что лапку 17 нельзя поднимать при работе машины или когда правый петлитель или ширитель находится над игольной пластиной.
Положение нижнего ножа 11 по высоте регулируют его вертикальным перемещением после ослабления гайки 23. Он должен быть установлен по верхнему уровню игольной пластины.
Положение верхнего ножа 18 по высоте регулируют его вертикальным перемещением после ослабления винта 19. Режущая грань верхнего ножа должна в своем крайнем нижнем положении опускаться ниже режущей кромки нижнего ножа на 1,5–2 мм.
Ширину обметывания регулируют перемещением ножей 11, 18 относительно линии движения иглы 2. Для этих целей ослабляют винт 21 и перемещают вправо пластину 20, которая служит для отвода обрезанной кромки вниз. Ослабляют винт 13 и с помощью винта 14 перемещают колодку 12 вправо или влево от линии движения иглы. Затем ослабляют винт 15 и палец 16 лапки 17 перемещают поперек лапки. Следует помнить, что плохая строчка может быть результатом не только неправильного регулирования натяжения ниток, но и того, что тупые ножи неровно обрезают срезы изделий или петлеобразующий палец 16 не совпадает со срезом материалов.






