
;
;
Параллельная коррекция
По
восстанавливаем
;

;
-звенья, охваченные параллельной коррекцией;
=1;
![]() |
41. Дискретные системы автоматического управления. Типы дискретизации. Структурные схемы импульсных систем.
Вдискретных системах сигналы дискретны. Для дискретных сигналов характерны скачки. Для любой точки: предел слева не равен пределу справа.
Причины дискретизации:
1. 1. Сигнал на входе дискретный.
2. 2.
Существует элемент, осуществляющий дискретизацию.(ИЭ)
Большинство систем относится к п.2.
Опр: Преобразование непрерывного сигнала в дискретный наз. квантованием.
1. 1. Квантование по времени.
Фиксируем моменты времени T1...T5 и фиксируем ординаты сигнала. (Т-период квантования, интервал дискретизации).
Системы, в которых осуществляется квантование по времени, наз. импульсными системами.
Пример: кинопленка.
2. 2.
Квантование по уровню.
Фиксируем уровень(ординату), q-квант по уровню.
Системы, в которых осуществляется квантование по уровню, наз. релейными системами.(класс нелинейных систем)
|
|
|
Пример: цифровые весы, вольтметры, амперметры...
3. 3.
Квантование по уровню и по времени (комбинированный).
Округление до ближайшего кванта.
Системы в которых осуществляется квантование по уровню и по времени наз. цифровыми системами (относятся к нелинейным системам).
Пример: любая система, подключенная к ЭВМ.
Форма импульса, вырабатываемая импульсным элементом может быть разная: прямоугольная, треугольная, экспоненциальная и т.д.
![]() |
В импульсном элементе (ИЭ) вырабатывается последовательность выходных импульсов, зависящая от ординат входного сигнала в дискретные моменты времени.
Зависимость какого-либо параметра импульса от ординаты входного сигнала наз. модуляцией.
Существуют различные виды модуляций:
- Амплитудно-импульсная модуляция (АИМ), зависимость от амплитуды.
- Широтно-импульсная модуляция (ШИМ).
- Время-импульсная модуляция.
· · Частотно-импульсная модуляция (ЧИМ).
-меняется частота следования импульсов.(чем больше амплитуда, тем чаще идут импульсы)
· · Фазо-импульсная модуляция (ФИМ). При ФИМ меняется фаза импульса.
Мы будем рассматривать системы с АИМ-линейные импульсные системы.
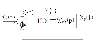
Структурная схема линейных импульсных систем.

-управляющий непрерывный сигнал;
-сигнал ошибки или отклонения (непрерывный);
-последовательность импульсов на выходе импульсного элемента;
-регулируемый сигнал (непрерывный);
Каждый импульс можно рассматривать, как реакцию системы на
-функцию.


Можем заменить ИЭ идеальным импульсным элементом (ИИЭ).

-последовательность
-функций, модулированная ординатами входного сигнала
в дискретные моменты времени.
|
|
|

-передаточная функция формирователя импульсов (вид зависит от формы вырвбатываемого импульса).
Реакция системы на
-функцию является весовая функция.
;
Пример определения передаточной функции Wфи(p):
Прямоугольный импульс.
;
Треугольный импульс.
;

Перерисуем структурную схему:
-приведенная непрерывная часть системы;
![]() |
Окончательно:
42. Понятие решетчатой и модулированной функций. Дискретное преобразование Лапласа.
Математическим аппаратом для исследования импульсных систем является дискретное преобразование Лапласа.
х[mT]-решетчатая функция, состоит из ординат;
Модулированный сигнал (последовательность
-функций, модулированная ординатами входного сигнала в дискретные моменты времени).


;

;
Сигнал
-реально существующий сигнал;

;
;
D-дискретное преобразование Лапласа.
43. Свойства дискретного преобразования Лапласа.
1. 1. Линейность.

;
2. 2. (Преобразование Лапласа от запаздывающего аргумента). Смещение по времени.
а) Запаздывание на S тактов.


; где i=m-S.
При нулевых начальных условиях (ННУ):
;
;
б) Упреждение m+S=i; m=i-S;

; при не ННУ
При ННУ:
;
;
3. 3. Преобразование Лапласа от конечных разностей.
Первая разность -
;
;
При ННУ:
;
Непрерывные системы-p;
Дискретные системы-
;
Вторая разность-
;
При ННУ:

;
-к-ая разность-
;
4. 4. Преобразование от суммы:
Найдем первую разность.
;
Возьмем преобразования Лапласа от правой и левой части выражения.
;
;
5. 5. Теорема о предельном значении.
По анологии с непрерывными системами:
;
6. 6. Сумма ординат решетчатой функции.
;
;
44. Дискретные передаточные функции. Дискретные типовые сигналы и их изображение.
Для непрерывных систем:
при ННУ;
![]() |
Для дискретной системы:
при ННУ;
1. 1. Дельта-функция.
;
;
2. 2. Единичная ступенчатая функция.(1(t))
;
Это бесконечно убывающая прогрессия:
;
3. 3. Линейно возрастающая функция.




;
4. 4. Экспонента.


;
;










