Колебательное звено (позиционное)
Изображение на структурной схеме




коэффициент демпфирования (кси)

отсутствие потерь на трение

Электродвигатель, у которого нельзя пренебречь индуктивностью якоря.

ТМ=
ТЯ=
Уравнение движения этого электродвигателя двигателя
(ТЯ·ТМ·S2+TМS+1)·Ω(S)=К·UBХ(S)
Если для этого случая выполняется условие
ТМ>2ТЯ·ТМ, то Т2,3=
- апериодическое звено 2-го порядка
1) ξ=0 – консервативное: W(S)=

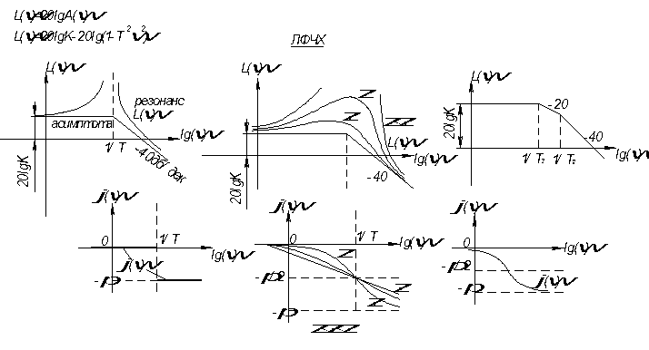
АФЧХ

W(iω)=
, где - действительная, i0 - мнимая
ω → 0
ω → ∞
ω =1/Т
Если ω < 1/Т; φ(ω)=0. Если ω >1/Т; φ(ω)= -π

Логарифмическая частотная характеристика

2) 0<ξ≤1
W(S)=
W(S)=
АФЧХ:
W(iω)=
= 
A(ω)=
=
tgφ(ω)= ˉ
- фазовый сдвиг в 4 четверти
φ(ω)= -π +arctg
- фазовый сдвиг в 3 четверти
3) ξ>1
W(S)=
W(iω)=

A(ω)=

φ(ω)=-arctg (T2ω)-arctg (T3ω)






