В вакууме или в идеальном изоляторе электрический диполь может сохраняться сколь угодно долго. Однако в реальной ситуации (электропроводящая среда) под действием электрического поля диполя возникает движение свободных зарядов и диполь либо экранируется, либо нейтрализуется.
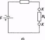
Можно к диполю подключить источник напряжения, иными словами, клеммы источника напряжения представить как диполь. В этом случае, несмотря на наличие тока в проводящей среде, диполь будет сохраняться (рис. 12.14, а). Резистор R1 является эквивалентом сопротивления проводящей среды, * — ЭДС источника, r — его внутреннее сопротивление (рис. 12.14, б).

Рис. 12.14
На основании закона Ома для полной цепи]

если r >> R1, то I = * / r.
Можно заключить, что в этом случае сила тока во внешней цепи будет оставаться почти постоянной, она почти не зависит от свойств среды (при условии r >> R1). Такая двухполюсная система, состоящая из истока и стока тока, называется дипольным электрическим генератором или токовым диполем.
Между дипольным электрическим генератором и электрическим диполем имеется большая аналогия, которая основывается на общей аналогии электрического поля в проводящей среде и электростатического поля.
|
|
|
Проиллюстрируем эту аналогию на примере плоского конденсатора.
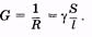
Пусть между пластинами плоского конденсатора находится среда с удельным электрическим сопротивлением р или, иначе, с удельной электрической проводимостью g (g= 1/r). Сопротивление между пластинами конденсатора, как для проводника с сечением S и длиной l, равно

Электрическая проводимость равна
(12.33)
Если сравнить (12.33) с выражением для емкости плоского конденсатора
(12.34)
то можно заключить: формула (12.33) для проводимости получается из формулы (12.34) для емкости заменой произведения ee0 на g. Суть аналогии электрического поля в проводящей среде и электростатического поля сводится к следующему:
— линии тока (электрическое поле в проводящей среде) совпадают с линиями напряженности электростатического поля при одинаковой форме электродов;
— в том и другом случаях многие формулы имеют тождественный вид, переход от одних формул к другим осуществляется заменой ee0 на g, q на l, С на G (или 1/С на R). Закон Ома G = I/U аналогичен формуле С = q/U.
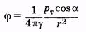
Воспользуемся этой аналогией и получим выражение для токового диполя. Аналогично электрическому моменту диполя введем дипольный момент дипольного электрического генератора:

где l — расстояние между точками истока и стока тока. Потенциал поля дипольного электрического генератора выражается формулой, аналогичной (12.27):
(12.35)
(в безграничной среде). Конфигурации линии напряженности электростатического поля электрического диполя и линий напряженности электрического поля токового диполя (они же совпадают и с линиями тока) одинаковы (см. рис. 12.3). В соответствии с изложенным в § 12.3 можно ввести и понятие мультипольного электрического генератора.
|
|
|
По существу, электрический мультипольный генератор — это некоторая пространственная совокупность электрических токов (совокупность истоков и стоков различных токов).
Все, что было сказано выше о потенциалах полей системы зарядов (электростатическое поле), справедливо и для такого генератора (токового мультиполя) в слабо проводящей среде.






