Вольт-амперная характеристика полупроводникового диода.

Рисунок 46.

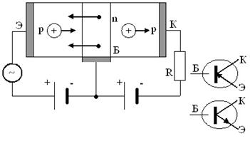
Рисунок 47.
Полупроводниковый триод состоит из двух полупроводников одного типа проводимости разделенных тонким слоем полупроводника другого типа проводимости (p-n-p) или (n-p-n).
Ток в этой системе регулируется засчет напряжения между базой и эмиттером, изменение тока в цепи эмиттера будет вызывать изменение тока в цепи коллектора, причем изменение напряжения будет значительным (усиление напряжения). П/n триоды (транзисторы) так же как и электронные лампы – триоды применяются для усиления и генерирования электрических колебаний. Транзисторы имеют ряд преимуществ перед электронными лампами - не требуют питания для накала катода, виброустойчивы, малогабаритны и др., однако их характеристики зависят от температуры.






