(4)
откуда
xC = Sy /A. (5)
Центр тяжести обладает тем свойством, что если тело опереть в этой точке, то оно будет находиться в равновесии.
Из формул (2) и (4) следует, что если оси x и y проходят через центр тяжести фигуры, то статический момент относительно этих осей равен нулю. Такие оси называются центральными осями. Относительно любой оси, проходящей через центр тяжести сечения (т. е. относительно любой центральной оси), статический момент равен нулю.
Если фигуру можно представить в виде отдельных простых фигур (квадратов, треугольников и т. д.), для которых известны положения центров тяжести, то в этом случае статический момент всей фигуры можно получить как сумму статических моментов этих простых фигур. Это непосредственно следует из свойств определенного интеграла.
Если фигура имеет ось симметрии, то последняя всегда проходит через центр тяжести фигуры, а потому статический момент фигуры относительно оси симметрии всегда равен нулю.
Во многих случаях вместо простых интегралов вида (1) и (4) удобнее иметь дело с двойными интегралами вида
|
|
|
(1а)
. (4а)
Здесь D – область интегрирования.
2. МОМЕНТЫ ИНЕРЦИИ СЕЧЕНИЯ
Осевым или экваториальным моментом инерции сечения называется геометрическая характеристика, численно равная интегралу:
относительно оси х
; (5)
относительно оси у
, (6)
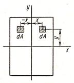
где у — расстояние от элементарной площадки dA дооси х (см. рис. 1); х— расстояние от элементарной площадки до оси у; D — область интегрирования.
Полярным моментом инерции сечения называется геометрическая характеристика, определяемая интегралом вида
, (7)
где ρ — расстояние от площадки dА до точки (полюса) (см. рис. 1), относительно которой вычисляется полярный момент инерции. Осевые и полярный моменты инерции всегда положительны.
Действительно, независимо от знака координаты произвольной площадки соответствующее слагаемое положительно, так как в него входит квадрат этой координаты.
Центробежным моментом инерции
сечения называется геометрическая характеристика, определяемая интегралом вида
, (8)
где х, у — расстояния от площадки dА до осей х и у.
Единицей момента инерции является единица длины в четвертой степени (по СИ — м4, хотя для прокатных профилей по ГОСТу—см4).
Центробежный момент инерции может быть положительным, отрицательным и в частном случае равным нулю.
Если взаимно перпендикулярные оси х и у или одна из них являются осями симметрии фигуры, то относительно таких осей центробежный момент инерции равен нулю. Действительно, для симметричной фигуры всегда можно выделить два элемента ее площади (рис.2), которые имеют одинаковые ординаты у и равные, но противоположные по знаку абсциссы х. Составляя сумму произведений xydA для таких элементов, т. е. вычисляя интеграл (8), получают в результате нуль.
|
|
|

Рисунок 2
Легко доказать, что полярный момент инерции относительно какой-либо точки равен сумме осевых моментов инерции относительно двух взаимно перпендикулярных осей, проходящих через эту точку.
Действительно, из рис. 1 видно, что ρ2=х2 +у2. Подставив это значение ρ2 в выражение (7), получим
.
Следовательно,
Ip=Ix+Iy. (9)
ЗАВИСИМОСТЬ МЕЖДУ МОМЕНТАМИ ИНЕРЦИИ ДЛЯ ПАРАЛЛЕЛЬНЫХ ОСЕЙ И ПРИ ПОВОРОТЕ КООРДИНАТНЫХ ОСЕЙ. ГЛАВНЫЕ МОМЕНТЫ ИНЕРЦИИ
1.Зависимость между моментами инерции относительно параллельных осей
Определим момент инерции фигуры относительно какой-либо оси х1, (рис. 1.).
Пусть x0 — центральная ось и момент инерции Ix0 известен. Из чертежа видно, что у1=а+у. Следовательно,
.
Первый интеграл дает площадь сечения. Второй интеграл, представляющий статический момент относительно центральной оси x0 и равен нулю.

Рисунок 1
Третий интеграл представляет собой момент инерции Ix0 фигуры
относительно оси x0. Таким образом,
. (1)