Основное назначение отражательных клистронов — генерирование СВЧ колебаний малой мощности. Принципиальная схема отражательного клистрона.

1 — катод; 2—ускоряющий электрод; 3 — резонатор; 4 — отражатель; 5 — вывод энергии; 6— электронный поток.
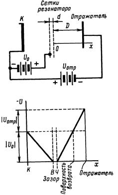
Идеализированная схема и график распределения постоянного потенциала между электродами клистрона.

Клистрон имеет один полый резонатор, дважды пронизываемый электронным потоком. Возвращение электронов в зазор резонатора обеспечивается с помощью отражателя, находящегося под отрицательным постоянным потенциалом по отношению к катоду. Таким образом, резонатор отражательного клистрона играет роль группирователя при первом прохождении электронов через зазор и роль выходного контура при втором прохождении. Промежуток между зазорами резонатора и отражателем играет роль пространства группировки, где происходит преобразование модуляции электронного потока по скорости в модуляцию по плотности.
Электронные сгустки образуются относительно электронов, прошедших в первый раз зазор в моменты перехода поля через нуль от ускоряющего к тормозящему. Для того чтобы клистрон мог генерировать незатухающие СВЧ колебания, сгустки должны проходить через зазор при обратном движении в моменты, когда в нем имеется тормозящее высокочастотное электрическое поле.
|
|
|
Пространственно-временные диаграммы, соответствующие прохождению центра сгустка в наиболее благоприятных условиях — в моменты максимального тормозящего поля.

При построении подобных диаграмм следует учитывать изменение направления движения электронов, в результате чего меняются ролями ускоряющие и тормозящие полупериоды поля в зазоре.
Оптимальная величина времени пролета центра электронного сгустка τопт в пространстве группировки по отношению к центру высокочастотного зазора в общем случае составляет

где Т — период СВЧ колебания и п — целое число, равное n = 0, 1, 2, 3...
Уравнение скоростной модуляции:









