
| Uвх1 | Uвх2 | Uвых |
Если две единицы, то на каждом выходе будет +5 В, значит диод будет закрыт, ток пройдет через VД3 и открывает транзистор. Если хотя бы одна единица, то будет разрыв.
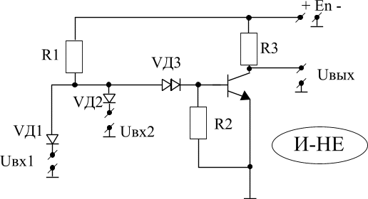
Если на оба входа подать значение логической единицы, то диоды VД1 и VД2 закрыты, так как разность потенциалов между катодом и анодом равна нулю. Диод VД3 открывается, так как потенциал катода равен нулю, а потенциал анода jА=Eп-Iб*R1 имеет положительное значение, большее 1,2 В. 1,2 В определяется разностью потенциалов 2-х p-n-переходов сдвоенного диода VД3. Транзистор VТ1 открывает, Uвых=0.
Сопротивление R2 обеспечивает смещения потенциала напряжения на базе и соответственно катода VД3. R3 ограничивает коллекторный ток, при подаче на один из входов хотя бы одного нулевого потенциала соответствующий диод VД1 или VД2 открывается и потенциал анода VД3 равен нулю, потенциал базы VT1 равен нулю. Транзистор закрыт. Uвых=1.
Схемотехническое решение элемента ИЛИ-НЕ






