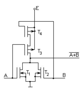
ИЛИ-НЕ
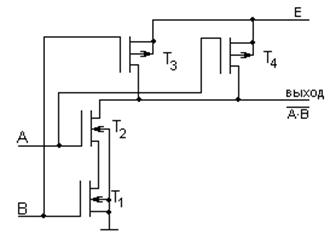
И-НЕ
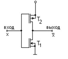
НЕ

| x | T1 | T2 | Выход | |
| закрыт по U | закрыт | Е | ||
| открыт | закрыт | ~0 |
Мощность КМОП инвертора почти в два раза меньше, чем у МОП.
Это очевидное достоинство.
Еще одно достоинство в том, что топология КМОП не зависит от режима работы.

при n ® ¥ Iвх ® 0
Недостатки:
- большая площадь на кристалле
- большое время задержки
- большая стоимость


| А | В | Т1 | Т2 | Т3 | Т4 | Выход | |
| закр. по U | закр. по U | открыт | открыт | Е | |||
| закрыт | открыт | Е | |||||
| закрыт | открыт | Е | |||||
| открыт | открыт | закрыт | закрыт |

| А | В | Т1 | Т2 | Т3 | Т4 | Выход | |
| закрыт | закрыт | открыт | открыт | Е | |||
| закрыт | открыт | открыт | закрыт | ||||
| открыт | закрыт | закрыт | открыт | ||||
| открыт | открыт | закрыт | закрыт |
Что общего у трех схем: НЕ, И-НЕ, ИЛИ-НЕ.

Альтернативная часть (верхняя) противоположна логической части по типу транзистора и по структуре схем.
Принцип синтеза КМОП схем.
- Общую инверсию реализует альтернативная схема
- Зависимую (подинверсную) функцию умножения реализует последовательное соединение n-канальных транзисторов или подсхем.
- Зависимую (подинверсную) функцию сложения реализует параллельное соединение n-канальных транзисторов или подсхем.
Пример:
Синтезировать КМОП вентиль, выполняющий функцию:


Методика проектирования устройств ЭВМ.
Вентильное проектирование.
- Постановка задачи
- Синтезировать и спроектировать в разных схемотехниках одноразрядный сумматор

- Составить логическую таблицу
| a | b | c | P | S |
Составляем диаграммы Вейче.

Сразу делаем инверсные таблицы.


Далее по полученным формулам строятся необходимые схемы.
Сравнительный анализ разных схемотехник.
| параметр схемот. | функция | P | t | n | Uп | Генерация помех | стоимость |
| НТСЛ | ИЛИ-НЕ | ||||||
| И2Л | НЕ-Ми | ||||||
| ДТЛ | И-НЕ | ||||||
| ТТЛ | И-НЕ | ||||||
| ТТЛШ | И-НЕ | ||||||
| МЭСЛ | ИЛИ-НЕ | ||||||
| ЭСЛ | ИЛИ-НЕ-Мили | 1 место | |||||
| n-МОП | любые | 1,2 | 1,2 | ||||
| КМОП | любые | 1,2 | 1,2 | ||||
| КБС | |||||||
| БиКМОП |
Основные базисы:
- И-НЕ
- ИЛИ-НЕ
- И-ИЛИ-НЕ
- НЕ-Ми
- ИЛИ-НЕ-Мили






