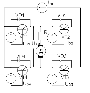
Принцип работы:
При вращении двигателя в одну сторону одновременно открываются транзисторы VT1, VT3, при вращении в другую сторону – транзисторы VT2, VT4.
Исключается одновременное открытие транзисторов VT1 и VT2 или VT1 и VT3.
Диоды VD1 – VD4 нужны для защиты транзистора от пробоя при закрывании. Это показывается на следующих рисунках, на котрых показывается, как накапливается и рассасывается энергия, запасаемая в индуктивности ротора
![]() |


При закрывании транзистора, запасенная в индуктивности якоря энергия, определяемая через ЭДС на индуктивности, имеет противоположный знак относительно источника питания. Ее ток не может сразу прерваться, он рассасывается через обратные диоды.
В этой схеме мы выбираем
, транзисторы и диоды.
У нас есть
и
.
Потери на транзисторе составляют 10% =>
,
(относительная открытость).







