Лекция №8

,
где 
При
направление вращения изменяется на противоположное.
- переменная
- несущая частота



Дополнительный фазовый сдвиг
несущей частоты в сторону отставания от сети в передаточной функции усилителя обусловлен индуктивностью обмотки управления двигателя. Это явление существенно снижает КПД двигателя.
Подобное отставаниеотставание будет скомпенсировано эквивалентным опережением в передаточной функции усилительно-преобразовательного устройства позже.
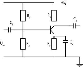
Усилитель мощности для асинхронного двухфазного двигателя это – усилитель переменного тока с относительно невысокой полосой частот вокруг несущей сетевой частоты. Для реализации такого усилителя не подходит усилители класса А, в которых в отсутствии входного сигнала протекают значительные токи через переход «коллектор –эмиттер». Эти токи определяют положение рабочей точки.
Схема усилителя в классе А и положение его рабочей точки представлены на верхнем рисунке, а на нижнем – схема двухтактного усилителя, в котром транзисторы работают в классе В. При этом, в отсутствии входного сигнала, потребляемый усилителем ток будет минимальным.




При расчете следует имеет в виду, что входной сигнал на усилитель подается с выхода операционного усилителя УПУ. Операционный усилитель (ОУ) для своей нормальной работы требует сопротивление нагрузки не менее 2кОм. При этом действующее значение входного сигнала (выход ОУ) ограничено 5В.
Таким образом, дано:
; 
;
;
.
Последовательность расчета:
-выбираем: VT;
-ищем:
,
,
,
, 
Лекция

№9
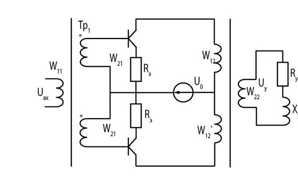
Схема двухтактного транзисторного УМ, работающего в классе B,
Представлена на рисунке ниже. УМ нагружен на обмотку управления двигателя. Нагрузка замещается последовательно включёнными активным R у и реактивным X у сопротивлениями. Входной сигнал на переменном токе поступает от предварительного усилителя, в качестве которого рекомендуется операционный усилитель К140УД7. Напряжение насыщения и допустимое минимальное сопротивление нагрузки операционного усилителя составляют Us =11,5B и Rк min=2kOм.
При номинальном напряжении на обмотке управления U у ном амплитуда входного сигнала должна быть меньше Us. Рекомендуется принять наибольшее действующее значение U пу мах = 5В.
Комплексный коэффициент усиления УМ на несущей частоте w0=2×p× f 0 (f 0=400 Гц):

где

Фазовый сдвиг Y1 между входным и выходным сигналами УМ компенсируется фильтром предварительного усилителя. Таким образом, УМ и ПУ можно рассматривать по отношению к огибающей сигналов как безинерционные звенья с коэффициентами усиления K ум и K пу.
Задаются КПД трансформаторов Тр1 и Тр2:

где: r 1 и r 2 – сопротивления первичной и вторичной обмоток соответствующих трансформаторов,
n 1 = (w 2 /w 1)Тр1; n 2 = (w 2 /w 1)Тр2 – коэффициенты трансформации,
b - коэффициент усиления по току транзистора в схеме с общим эмиттером.
Принимают R э ’=R э .n 22 = 0,1 R У и находят КПД коллекторной цепи.

Поясним представленные выше соотношения.
В расчете задаются КПД трансформаторов и КПД коллекторной цепи транзисторов. Расшифруем соттношения для них:












Общая мощность нагрузки коллекторной цепи

![]() |
Наибольшая мощность, выделяемая на переходе к-э транзистора
Выделение подобной мощности иллюстрирует заштрихованная часть на нижнем рисунке.
- источник постоянного тока

Транзисторы выбираются из условия
.
Напряжение питания U 0<0,5 U КЭ.ДОП.
Коэффициент трансформации Тр2: 
Амплитуда токов коллектора и базы:

Амплитуда входного напряжения транзистора:

Коэффициент трансформации Тр1:

Амплитуда тока I 1m первичной обмотки трансформатора Тр1:


Входное сопротивление усилителя
д олжно быть более 2кОм.
Если R ВХ меньше этого значения, то для развязки используют эмиттерный повторитель (рис.16).







