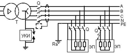
6.4.1. Характеристика и свойства сети IT:
- нейтраль изолирована от земли или присоединена к ней через большое сопротивление;
- корпуса соединены между собой и с землей;
- первое замыкание (единственное однофазное замыкание в сети) сигнализируется с помощью устройства контроля изоляции (УКИ), включенного между нейтралью и землей;
- косвенное прикосновение безопасно, т.к. ток однофазного замыкания весьма мал, отключение при первом замыкании не требуется;
- персонал отыскивает и устраняет первое замыкание в удобное для потребителей время;
- прямое прикосновение в исправной сети может быть опасно при большой емкости сети и/или при плохой изоляции;
- при двойном замыкании установка автоматически отключается с помощью МТЗ;
- проверка надежности отключения при двойном замыкании осуществляется путем расчетов или замеров.
Преимущества:
- высокая степень бесперебойности электроснабжения;
- высокая степень электробезопасности как при прямом, так и при косвенном прикосновениях (при условии хорошей изоляции остальных фаз и нейтрали);
- экономия за счет возможного отказа от УЗО.
Недостатки:
- необходим эксплуатационный надзор;

Рис. 6.7.Сеть IT
- трудность отыскания места первого замыкания;
- обслуживающий персонал должен быть дисциплинирован, чтобы не допускать длительной работы сети с первым замыканием;
- необходим высокий уровень изоляции сети; для этого протяженные сети делят на участки; ЭП с плохой изоляцией подключают через разделительные трансформаторы и т.п.;
- прямое прикосновение в поврежденной (с заземленной фазой), но работающей сети более опасно, чем в сетях TT и TN, т.к. напряжение прикосновения равно линейному;
- повышенная вероятность перенапряжений.
В настоящее время ПУЭ рекомендуют применять систему IT "при недопустимости перерыва питания при первом замыкании на землю", т.е. для потребителей, требующих высокой степени бесперебойности питания [10, 1.7.58].
6.4.2. Расчет тока первого замыкания и На рис. 6.8. a представлена исходная принципиальная схема сети IT, в которой произошло замыкание фазы С на землю:
Еа, Ев, Ес - фазные напряжения относительно нейтрали;
Ua, Uв, Uc - фазные напряжения относительно земли;
Un - напряжение нейтрали относительно земли (напряжение смещения нейтрали);
Iа, Iв, Ic, In - токи, протекающие через емкости С провод-земля.
Uл, Uф - линейное и фазное напряжения;
Хс - емкостное сопротивление, Хс = 1 / ωC.
Для перехода к более простой и наглядной эквивалентной схеме рис.6.8.б получим выражение для тока Iк, пренебрегая сопротивлением Ra.

Рис.6.8.: а - принципиальная схема, б - эквивалентная схема.
![]() |
Рис.6.9. Векторные диаграммы: а - нормальный режим, б - однофазное замыкание.
Ток однофазного замыкания протекает через емкости проводников А, В, N. Напряжения на этих проводниках определяются по второму закону Кирхгофа: Ec+Un-Uc=0, Uc=0, Un = - Ec, Ea+Un-Ua=0, Ua=Ea+Un, Uв+Un-Uв=0, Uв=Eв+Un,
Токи Ia, Ib, In опережают соответствующие напряжения Ua, Ub, Un на 90 градусов, их геометрическая сумма равна току Iк. Модуль тока Iк: 
Последнее выражение соответствует эквивалентной схеме рис. 6.8.b, в которой распределенные емкости заменены сосредоточенным емкостным сопротивлением Хс/4, включенным между нейтралью трансформатора и землей.
