Классификация электрических сетей.
Электрические сети напряжением выше 1000 В в зависимости от системы заземления нейтрали подразделяются на:
- сети с малыми токами замыкания на землю или сети с изолированной или компенсированной нейтралью. В России – это сети напряжением 6 – 35 кВ. Ток однофазного замыкания на землю в сети с изолированной нейтралью приближенно можно определить по эмпирическим формулам I = U · L / 10 – для кабельной сети и I = U · L / 350 – для воздушной сети, где U = [кВ], L= [км], I = [A].
- сети с большими токами замыкания на землю, в России – это сети напряжением 110 кВ и выше.
Международное обозначение режима нейтрали в электрических сетях напряжением ниже 1000 В, используемое во всем мире, состоит из двух или трех латинских букв (Л10, 1.7.3).
Первая буква обозначает позицию нейтрали по отношению к земле:
Т - глухозаземленная нейтраль, от Terre- земля (фр.);
I - изолированная нейтраль, от Isole- изолированный (фр.).
Вторая буква обозначает позицию корпусов по отношению к земле:
Т - корпуса заземлены, N- корпуса соединены с нейтралью источника (занулены), от Neutre- нейтраль (фр).
Третья буква определяет схему соединения нейтрального (N) и защитного (PE) проводников:
С - проводники N и PE совмещены (PEN), от Confondu (фр.),
S - проводники N и PE существуют раздельно, от Separe (фр).
Электрические сети напряжением ниже 1000 В в зависимости от системы заземления нейтрали делятся на три основные группы:
- TN- нейтраль заземлена, корпуса занулены;
- ТТ- нейтраль и корпуса присоединены к разным заземляющим устройствам;
- IT- нейтраль изолирована, корпуса заземлены.
В нормальном режиме работы и при междуфазных КЗ поведение этих трех групп сетей не отличается друг от друга. Но при однофазных замыканиях на землю или на заземленный корпус (70 – 80% всех замыканий) эти сети значительно отличаются друг от друга по степени пожарной опасности, бесперебойности электроснабжения потребителей и по условиям и способам обеспечения электробезопасности, требованиям к заземляющим устройствам, простоте и удобству проектирования и эксплуатации.
Основываясь на трех перечисленных критериях, рассмотрим основные характеристики систем TN, TT, IT, их преимущества и недостатки

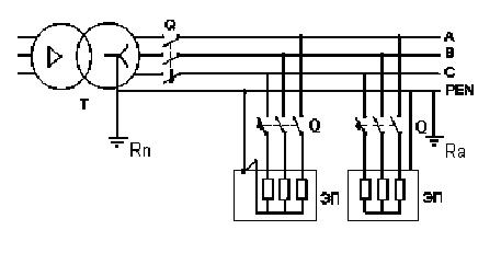
Рис.6.1. Сеть TNC.
Существуют два варианта сети TN:
- Четырехпроводная сеть TNC, где функции нулевого защитного (РЕ) и нейтрального рабочего (N) проводников совмещены в одном проводнике PEN;
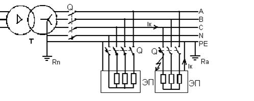
- Пятипроводная сеть TNS с разделенными нейтральным рабочим (N) и нулевым защитным (РЕ) проводниками.
6.2.1. Характеристика и свойства сетей TNC, TNS:
- нейтраль глухо заземлена;
- корпуса присоединены к проводнику PEN (система TNC) или к проводнику РЕ (система TNS), последний присоединен к нейтрали источника и в нескольких точках - к заземляющему устройству;
- ток однофазного замыкания на корпус велик (это короткое замыкание (КЗ));
- косвенное прикосновение (прикосновение к металлическому корпусу, который оказался под напряжением в результате повреждения изоляции) опасно, однофазные КЗ необходимо автоматически отключать;
- автоматическое отключение должно быть обеспечено максимально-токовой защитой (МТЗ); для этого ток однофазного КЗ должен быть достаточно большим, а сопротивление петли «фаза-ноль»- весьма малым;
- прямое прикосновение (прикосновение к токоведущей части) всегда опасно, т.к. напряжение прикосновения равно фазному напряжению сети;
- проверка надежности срабатывания МТЗ производится при проектировании путем расчета, а в эксплуатации - путем измерения сопротивления петли «фаза-ноль».

Рис.6.2. Сеть TNS.
Преимущества:
- единственная защита (МТЗ) от всех ненормальных режимов, экономия за счет возможного отказа от УЗО;
- экономия в схеме TNC благодаря устранению одного полюса выключателей и одного проводника;
- не требуется постоянный эксплуатационный надзор.
Недостатки:
- низкая степень бесперебойности электроснабжения, т.к. при однофазном замыкании на корпус (60 – 85% всех повреждений в сети) происходит отключение питания;
- большой ток однофазного КЗ часто является причиной пожара;
- необходимость проверки сопротивления петли «фаза-ноль» при проектировании и в эксплуатации, для этого персонал должен иметь достаточную квалификацию.
В настоящее время ПУЭ рекомендуют преимущественное применение системы TN для электроcнабжения жилых, общественных, промышленных зданий и наружных установок [10, 1.7.57].