При трехфазном замыкании ток Iк протекает только по линейным проводникам, имеющим сопротивление Zл:
, где Zт1 – сопротивление прямой последовательности питающего трансформатора.
Расчетная схема однофазного замыкания на землю (на корпус) (рис.6.3) включает в себя сопротивления трансформатора Zт, фазного провода Zл, защитного зануляющего провода Zpe, повторного заземления Ra и заземления нейтрали Rn. Учитывая, что Ra+Rn >>Zpe, можно записать выражение для тока к.з.:
где
Zт - полное сопротивление трех последовательностей трансформатора, зависящее от его мощности и схемы соединения обмоток.

Рис.6.3. Однофазное КЗ в сети TNS, расчетная схема.
Падение напряжения на проводнике РЕ UPE = IК ·ZPE приложено к цепи Ra+Rn. Сопротивление Rn включено между нейтралью и землей, напряжение на Rn - это напряжение смещения нейтрали:

Если повторное заземление расположено поблизости от места КЗ, то напряжение на Ra - это напряжение косвенного прикосновения:

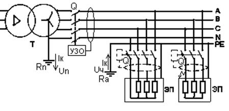
6.3. Система TT – нейтраль и корпуса присоединены к разным заземляющим устройствам.
Ток замыкания на землю в сетях ТТ невелик и для его обнаружения необходимо устанавливать устройства защитного отключения (УЗО), действующие обычно на токе нулевой последовательности или на дифференциальном (разностном токе).
В зависимости от чувствительности IΔn все УЗО делятся на три группы: высокой (IΔn ≤ 30 мА), средней (30 < IΔn ≤ 300 мА) и низкой (300 мА < IΔn) чувствительности.
В зависимости от отключающей способности различают:
- УЗО или дифференциальный выключатель – аппарат, реагирующий только на ток утечки (замыкания на землю) и имеющий невысокую отключающую способность;
- дифференциальный автоматический выключатель, имеющий высокую отключающую способность, где УЗО выступает в роли расцепителя утечки в дополнение к тепловому и электромагнитному.
6.3.1. Характеристика и свойства сети ТТ:
- нейтраль глухо заземлена;
- корпуса соединены между собой и заземлены;
- автоматическое отключение при однофазном замыкании не может быть обеспечено максимально - токовой защитой (МТЗ) от коротких замыканий (КЗ), так как ток замыкания невелик, он ограничен двумя сопротивлениями заземляющих устройств (корпусов и нейтрали источника), включенными последовательно;
- необходима установка УЗО, хотя бы одного в голове сети, а лучше на всех отходящих линиях [10, 1.7.59];
- косвенное прикосновение опасно, однофазные замыкания должны автоматически отключаться;
- прямое прикосновение всегда опасно, так как напряжение прикосновения равно фазному напряжению сети.
Рис.6.4. Сеть ТТ.
Преимущества:
- простота проектирования и эксплуатации, т.к. нет необходимости проверять сопротивление петли «фаза-ноль» с целью обеспечить срабатывание МТЗ, достаточно лишь периодически проверять исправность УЗО;
- не требуется постоянный эксплуатационный надзор;
- меньшая по сравнению с TN опасность вызвать пожар и порчу оборудования, т.к. ток однофазного замыкания невелик.
Недостатки:
- низкая степень бесперебойности электроснабжения, т.к. отключение питания происходит при однофазном замыкании на корпус (60 –85% всех повреждений в сети);
- обязательное применение УЗО, которые имеют достаточно высокую стоимость.
В настоящее время ПУЭ допускают применение системы TT "только в тех случаях, когда условия электробезопасности в системе TN не могут быть обеспечены" [10, 1.7.59].