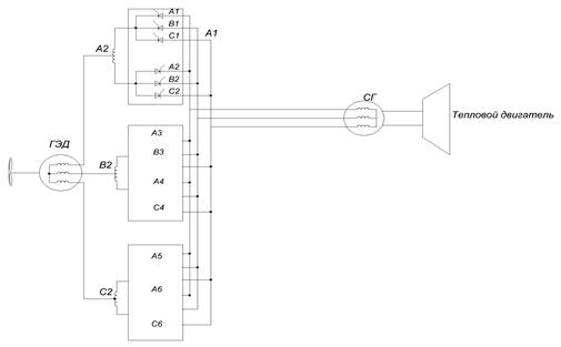
Принципиальная схема ГЭУ с НПЧ приведена на рисунке 7.3.

Рис.7.3. Схема ГЭУ с непосредственным преобразователем частоты
НПЧ состоит из 3 одинаковых блоков (в каждой по 2 группы вентилей), тоесть из 6 групп (1,2;3,4;5,6). Они попарно формируют фазные напряжения на выходе НПЧ. Фазу
- формируют группы 1 и 2, фазу
- группы 3 и 4, фазу
- группы 5 и 6.
Для получения положительной полуволны открываются вентили нечетных групп (1,3,5), а для отрицательной – вентили четных групп. Для положительной полуволны каждый вентиль открыт в течении 
Тогда выходная частота равна f2=0,5·f1.
Из-за индуктивных сопротивлений генератора и нагрузки, накапливается реактивная мощность, которую возвращают в сеть путем переключения вентилей нечетной группы в инверторный режим при работе вентилей четной группы. При этом
.
С учетом необходимости возврата реактивной энергии и при отрицательной полуволне выходная частота
.
Недостаток НПЧ в том, что при уменьшении
необходимо пропорционально уменьшать амплитуду выходного напряжения, для чего надо изменять угол открывания вентилей, а это усложняет схему.






