ТЕМА 12. ПРОЦЕССЫ КОММУТАЦИИ В СХЕМАХ С УПРАВЛЯЕМЫМИ ВЕНТИЛЯМИ
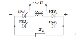
Для примера рассмотрим процессы в схемах выпрямления. Схема однофазного выпрямителя показана на рисунке 12.1.

Рис.12.1. Схема однофазного выпрямителя на вентилях
Если в схеме применяются неуправляемые вентили – мощные диоды - то будет неуправляемый выпрямитель, а если используются управляемые вентили – мощные тиристоры, то будет управляемый выпрямитель, в котором можно регулировать величину выпрямленного напряжения изменяя угол управления (угол зажигания) - α. Временные диаграммы токов и напряжений в выпрямителе показаны на рисунке 12.2.

Рис.12.2. Временные диаграммы токов и напряжений в однофазном
выпрямителе при разных углах управления тиристорами
При работе на активную нагрузку (Z н= R н) выпрямителя, приведенного на рисунке 12.1, расчет напряжений и токов проводится по следующим выражениям:
- Среднее значение выпрямленного напряжения:
- При α =0 (cos α =0) или для неуправляемого однофазного выпрямителя:
где:
- Среднее значение выпрямленного тока:
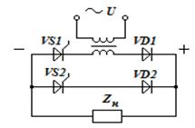
При работе на индуктивную, емкостную, активно-индуктивную, активно-емкостную нагрузки выражения для расчета величины выпрямленного напряжения и тока в нагрузке отличаются от вышеприведенных и зависят дополнительно от вида выпрямителя, так как схемы выпрямителей могут быть симметричными и несимметричными. Пример несимметричной схемы однофазного выпрямителя приведен на рисунке 12.3.

Рис.12.3. Схема несимметричного управляемого выпрямителя
Рекомендована література
1. Рукавишников С.Б. Автоматизированные гребные электрические установки. - Л., Судостроение, 1983.
2. Полонский В.И., Хайкин Н.Б. Автоматизированные гребные электрические установки. - М., Транспорт, 1976.
3. Сюбаев М.А. Работа гребных электроустановок при качке судна. - Л., Судостроение, 1977.
4. Горбунов Б.А. Современные и перспективные гребные электрические установки судов. - Л., Судостроение, 1979.
5. Акулов Ю.И. Гребные электрические установки: Учебник для морех. и арктич. училищ. - М., Транспорт, 1982.
6. Горбунов Б.А., Савин А.С., Сержантов В.В. Современные и перспективные гребные электрические установки судов. - Л., Судостроение, 1979.
7. Гребные электрические установки: Справочник. - Л., Судостроение, 1985.
8. Сержантов В.В., Спешилов В.С. Гребные электрические установки. - Л., Судостроение, 1970.
9. Техническая эксплуатация гребных электрических установок. - М., Транспорт, 1978.
10. Хайкин А.Б. Автоматизированные гребные электрические установки. - М., Транспорт, 1986.






