Схема ГЭУ с системой СГ-В-Д и тиристорными
Метод логарифмических АЧХ
ГЭУ ледоколов и ледокольных судов должны иметь большее быстродействие, чем в системах с оптимальным законом управления.
Для получения большего быстродействия, передаточная функция приводится до желаемой путем введения корректирующих звеньев. С этой целью используется логарифмическая амплитудно-частотная характеристика (ЛАЧХ), которую строят для разомкнутой системы. Также строят и ЛФЧХ – логарифмическую фазо - частотную характеристику.
Переходные процессы в управляющих системах протекают значительно медленнее, чем аварийные, так как магнитные потоки и токи возбуждения изменяются под действием корректирующих и обратных связей в соответствии с управляющими или возмущающими воздействиями.
При составлении уравнений переходных процессов для нормальных эксплуатационных режимов вводят ряд допущений.
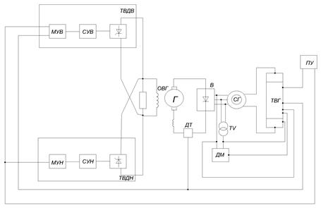
На основании структурных схем систем автоматического управления и уравнений, примененных для расчета переходных процессов, составлена схема ГЭУ с системой СГ-В-Д, которая имеет вид, показанный на рисунке 11.3.
|
|
|

Рис.11.3. Схема автоматического управления ГЭУ с системой СГ-В-Д
Схема включает: синхронный генератор СГ; силовой неуправляемый вентиль В; гребной электродвигатель ГЭД, тиристорный возбудитель генератора ТВГ системой управления; тиристорные возбудители двигателя для хода вперед – ТВДВ и для хода назад – ТВДН; системы управления и магнитные усилители возбудителей двигателя для хода вперед – МУВ и СУВ и для хода назад – МУН и СУН; обмотку возбуждения двигателей ОВД, трансформаторы напряжения – ТV и тока ТА, которые служат датчиками для обратных связей и цепей управления, датчик мощности генератора – ДМ, датчик выпрямленного тока
Т и пост управления – ПУ, задающий напряжение – СГ.






