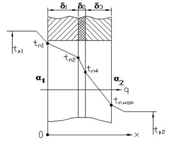
Даны: температуры горячей и холодной сред, толщины, коэффициенты теплопроводности и теплоотдачи (Рис.1.8).
Найти: поле температур и тепловой поток через многослойную стенку.

Рис. 1.8 Теплопередача через плоскую многослойную стенку
Сразу запишем коэффициент теплопередачи
.
Тогда тепловой поток
, (1.24)
где
– температурный напор, ˚С; F – поверхность нагрева, т.е. та поверхность, которую пронизывает тепловой поток, м2.
Последнее выражение называется «основное уравнение теплопередачи».
Температуры на поверхностях найдем из выражения теплового потока при конвекции
; 
и местах контакта через закон Фурье
;
и т. д.
Замечание.1. Уравнение (1.21) для случая чистой теплопроводности получаются из (1.24) как частные случаи при
.
При ГУ II рода.
, и
, решением уравнения (2.15) будет 
;
, а
– любое, т.е. любая прямая удовлетворяет q.
Для нахождения единственного решения, нужно задать дополнительное условие, например температуру на поверхности.






