Теплопередача через плоскую однослойную стенку
ОПРЕДЕЛЕНИЕ. Передача тепла от одной более горячей среды (жидкости или газа) к другой холодной, через разделяющую их одно или многослойную стенку любой формы называется теплопередачей.
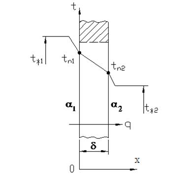
Известны, в отличие от предыдущей задачи, температуры не на поверхности стенки, а температуры окружающей среды вдали от поверхностей tж.1 слева и tж.2 – справа, а также коэффициенты теплоотдачи a1 и a2. Требуется найти поле температур и тепловой поток через стенку (рис.1.7).

Рис. 1.7 Теплопередача через плоскую стенку
Воспользуемся случаем, что
при
.
Из выражений тепловых потоков, найдем разности температур, просуммируем левые и правые части и после несложных преобразований, получим

Тогда
, (1.22)
где
– коэффициент теплопередачи, характеризует интенсивность передачи теплоты от одной жидкости к другой через разделяющую их стенку.
- полное термическое сопротивление, м2 К/Вт;
- термическое сопротивление горячей среды;
-- тоже, теплопроводности стенки;
- холодной жидкости.
|
|
|
Зная q, найдем температуры на поверхностях:
;
. (1.23)






