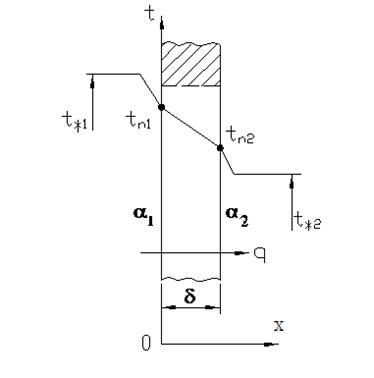
Известны, в отличие от предыдущей задачи, температуры не на поверхности стенки, а температуры окружающей среды t.1 слева и tж.2 – справа и коэффициенты теплоотдачи a1 и a2. Требуется найти поле температур и тепловой поток через стенку.

Рис. 1.7 Теплопередача через плоскую стенку
Воспользуемся случаем, что 


, (1.22)
где
– коэффициент теплопередачи, характеризует интенсивность передачи теплоты от одной жидкости к другой через разделяющую их стенку.
- полное термическое сопротивление, м2 К/Вт;
горячей среды;
, теплопроводности стенки;
- холодной жидкости.
Зная q, найдем температуры на поверхности:
;
. (1.23)
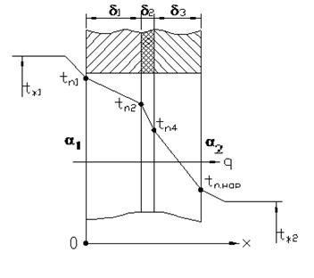
1.5.4. Теплопередача через плоскую многослойную стенку
Даны: температуры горячей и холодной сред, толщины, коэффициенты теплопроводности и теплоотдачи (Рис.1.7).
Найти: поле температур и тепловой поток через многослойную стенку.

Рис. 1.8 Теплопередача через плоскую многослойную стенку
Сразу запишем коэффициент теплопередачи
,
Тогда тепловой поток
. (1.24)
Последнее выражение называется основное уравнение теплопередачи.
|
|
|
где
– температурный напор, ˚С; F – поверхность нагрева; теплосоприкасающаяся поверхность, та поверхность, которую пронизывает тепловой поток, м2.
Температуры на поверхностях
;
(1.25)
и местах контакта
;
и т. д.
Res.1. Уравнения для случая (а) получаются из (б) как частные случаи при
.
ГУ IIр.
, и
, то 
;
, а с2 – любое, т.е. любая прямая удовлетворяет q.
Для нахождения единственного решения, нужно задать дополнительное условие, например tпояв.
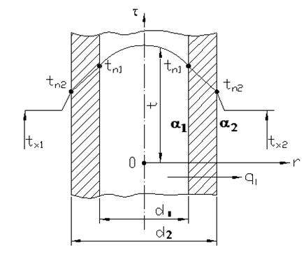
1.5.5. Теплопроводность цилиндрической стенки
Пусть заданы ГУ I рода, т. е.
и
= const,
,
,
,
.

Здесь нужно брать дифференциальное уравнение теплопроводности в цилиндрической системе координат.
Математическая постановка задачи имеет вид
Дифференциальное уравнение 
Граничные условия: 

Уравнение теплопроводности решаем путем введения подстановки: u=dt/dr.

. Разделяем переменные и интегрируем
; После потенцирования получим 
Вспоминаем, что u=dt/dr, разделяем переменные
.
Интегрируем и получаем общее решение
.
После определения С1 и С2 с помощью граничных условий получим
(1.26)
Здесь температура вдоль стенки изменяется по логарифмическому закону.
Удельный тепловой поток найдем с помощью закона Фурье
, где
, (1.28)
Здесь, в отличие от плоской стенки, тепловой поток зависит от радиуса
,
, где боковая поверхность цилиндра
.
Тогда 
Опять неудобно, нужно сделать чтобы было
. Введем понятие линейной плотности теплового потока
, Вт/м. (1.27)
В знаменателе стоит термическое сопротивление цилиндрической стенки, мК/Вт.
1.5.6. Теплопроводность многослойной цилиндрической стенки
|
|
|
, сразу запишем
, Вт/м.

Рис. 1.10. Теплопроводность цилиндрической многослойной стенки
1.5.7. Теплопередача через цилиндрическую однослойную стенку

Рис. 1.11. Теплопередача через однослойную цилиндрическую стенку
Сразу запишем
, (1.29)
где
.
Кi – линейный коэффициент теплопередачи Вт/м×К
.
Температуру на левой поверхности найдем из закона теплоотдачи
, т.е.
. Аналогично температура на правой поверхности
, т.е.
.
Анализ: в сравнении с плоской стенкой
, или бцил. стен.<< d2,
то 
и 
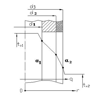
1.5.8. Теплопередача через многослойную цилиндрическую стенку
Многослойка, m-слоев рис. 1.12. Сразу
(1.30)
,
.
Температура на левой поверхности
и наружной 

Рис. 1.12 Теплопередача через многослойную цилиндрическую стенку
1.5.9. Критический диаметр тепловой изоляции
ОПРЕДЕЛЕНИЕ. Тепловая изоляция
- это всякое покрытие горячей поверхности, которое способствует снижению потерь теплоты в окружающую среду.

Рис. 1.13. Зависимость тепловых потерь от толщины изоляции, наложенной на цилиндрическую стенку
Термическое сопротивление такой стенки

Здесь оказалось, что количество не всегда пропорционально качеству.
Исследуем функцию термического сопротивления
на экстремум (Рис. 1.13). Для этого берем производную по диаметру изоляции и приравниваем ее нулю.

Окончательно
. (1.31)

Если будет
то изоляция не эффективна. Должно быть:
,
Для других стенок, кроме плоской, можно получить аналогичные решения.
1.5.10. Теплопередача через шаровую стенку
Для шара: Поле температур t(r)= C1 - C2 /r. Тепловой поток:
, (1.32)
где
;
;
.
1.5.11. Теплопередача через стенки неправильной формы:

Способы усреднения поверхности нагрева:
- среднеарифметическое
;
- среднелогарифмическое
; (1.33)
- среднегеометрическое
;
где F1 – внутренняя, F2 – внешняя поверхность
Средняя температура поверхности
;
–усредненный по поверхности коэффициент теплоотдачи. Тепловой поток 








