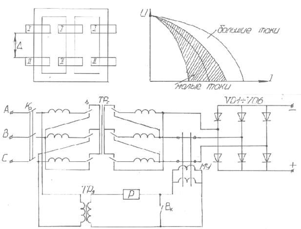
В выпрямителях этой серии осуществляется ступенчатое плавное регулирование. Ступенчатое регулирование осуществляется в результате изменения коэффициента трансформации трансформатора. Плавное регулирование осуществляется за счет изменения зазора Δ между катушками.

На этой схеме ТРс – силовой трансформатор.
Если первичная обмотка подключена треугольником, а вторичная звездой, то это режим больших токов. Если первичная и вторичная обмотки соединены звездой – режим малых токов, так как меняется коэффициент трансформации. Выпрямление напряжения осуществляется с помощью трехфазного выпрямителя Ларионова. Этот выпрямитель имеет устройство защиты, состоящее из трансформатора защиты ТРз, реле Р, магнитного усилителя МУ и аварийного выключателя Вк. При срабатывании реле Р контакт Кр размыкается. Защита работает следующим образом: если ток, проходящий через силовые обмотки магнитного усилителя, не превышает заданного значения обмотки защиты магнитного усилителя имеют большое сопротивление и реле Р не включено. При выходе из строя диодов ток в силовых обмотках магнитного усилителя возрастает; магнитопровод магнитного усилителя входит в насыщение; сопротивление обмоток защиты уменьшается; реле Р включается тем самым размыкая силовой контактор Кр.






