Статические и динамические характеристики

Статические характеристики – зависимость напряжения от тока:
![]() |
|
![]() |
Rвн1> Rвн2
|
Наклон определяется внутренним сопротивлением источника питания; чем больше внутреннее сопротивление, тем больше наклон.
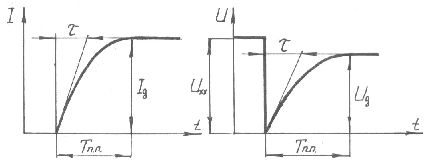
Динамические характеристики определяются скоростью нарастания тока или напряжения.


τп.п.=(2÷3) τ ≤ 0,05с
Сварочные трансформаторы.
Условно сварочные трансформаторы можно разделить на две большие группы: сварочные трансформаторы нормального рассеяния и сварочные трансформаторы повышенного рассеяния.
![]() |
Повышенного рассеяния
![]() |
С подвижными катушками с магнитными
Трансформаторы с нормальным магнитным рассеянием:
Регулирование тока может происходить в результате изменения коэффициента трансформации – ступенчатая регулировка. Плавная регулировка может осуществляться в результате использования дросселя, а также в результате использования специальной конструкции трансформатора.
|
|
|














