Трансформатор с магнитным шунтом.
Падающая ВАХ создается в результате включения в конструкцию трансформатора регулируемого магнитного шунта, который состоит из магнитного пакета и обмотки управления, которая питается постоянным током.

Если по обмотке управления проходит большая сила тока, то магнитопровод шунта насыщен и по этому он как бы отсутствует в трансформаторе. Если магнитный поток замыкается через шунт, то происходит потеря напряжения на вторичной обмотке.


У этих трансформаторов имеется два диапазона: малых и больших токов. При последовательном соединении катушек первичной и вторичной обмоток мы имеем диапазон малых токов; при параллельном соединении витков катушек – диапазон больших токов, причем, чем больше зазор между катушками, тем больше поток рассеяния и более крутопадающая ВАХ.
Недостатком трансформаторов повышенного рассеяния являются большие габариты и расход ферромагнитных материалов в связи с большой индуктивностью, которая определяется потоками рассеяния. Трансформаторы этого типа имеют низкий cosφ. Для повышения cosφ и уменьшения габаритов используются тиристорные сварочные трансформаторы:
|
|
|

С помощью изменения угла управления α меняется напряжение на выходе источника питания. Цепочка Cш и Rш служит для исключения самопроизвольного включения тиристоров при превышении на них скорости нарастания напряжения.
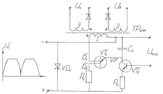
На схеме управления (см. рис. ниже) VD1 – стабилитрон (диод Зенера) служит для ограничения напряжения синхронизации, которое необходимо для определения угла управления. Однопереходной транзистор служит для создания или формирования управляющих импульсов. Он имеет базу 1, базу 2 и управляющий электрод. Если напряжение на управляющем электроде будет больше порогового значения сопротивление между управляющим электродом и базой 1 будет равно нулю. Транзистор VT2 служит в качестве регулируемого сопротивления, которое изменяется при изменении управляющего напряжения.

Схема работает следующим образом:
Управляющее напряжение Uу<α равно определенной величине. Конденсатор С1 через сопротивление R2, эммитор и коллектор транзистора VT2 заряжается от источника +Uc. При достижении определенного порога, который задается с помощью сопротивления R1, транзистор закрывается. Конденсатор С1 разряжается через управляющий электрод, базу 1 на обмотку (первичную) управляющего трансформатора. В соответствующей обмотке управляющего трансформатора формируется сигнал управления. Один из тиристоров включается. Для создания жестких ВАХ используется отрицательная обратная связь по напряжению.
|
|
|
Сварочные выпрямители.
Делятся на две большие группы:
· тиристорные выпрямители: регулирование напряжения и тока в тиристорных источниках питания осуществляется за счет тока фазового управления;
· диодные выпрямители: регулирование напряжения и тока в них осуществляется за счет использования трансформаторов повышенного рассеяния или с помощью магнитного усилителя.






