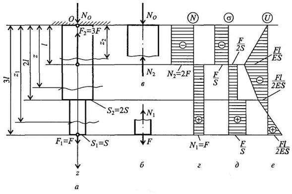
Задача 1. Для бруса, изображенного на рис. 1, а, построить эпюры внутренних сил, напряжений и перемещений по длине бруса.

Рис. 1
Решение.
1. Выбираем начало отсчета в неподвижном сечении (точка О); положительное направление оси z направим по оси бруса, т.е. вниз.
2. Определим реакцию, составив одно уравнение равновесия:
.
3. Построим эпюру внутренних сил N. Для этого на расстоянии z 1 рассечем брус и рассмотрим равновесие нижней части (рис. 1, б):
,
что справедливо для
. В этих пределах в брусе возникает растяжение, так как N 1 направлена от сечения.
Теперь выберем второй участок бруса
и рассмотрим равновесие верхней части (рис. 1, в):
.
Поскольку N 2 направлена к сечению, то брус под действием сил N 0 и N 2 сжимается.
После того как определили все внутренние нормальные силы, переходим к построению эпюры нормальных сил (рис. 1, г). Вправо будем откладывать положительные значения, а влево - отрицательные значения нормальных сил.
Анализируя построенную эпюру N, заметим, что внутренние силы не зависят от размеров поперечного сечения, а зависят только от приложенных внешних сил. Поэтому длину бруса разбивают на такое число участков, сколько сил на его длине приложено. В данном случае было два участка.
|
|
|
При проверке правильности построения эпюры N следует обратить внимание на то, что на эпюре внутренних сил в тех сечениях, где были приложены внешние силы, должны быть скачки, равные приложенной внешней силе.
4. Построим эпюру напряжений σ. Брус следует разбить на участки. Поскольку σ = N/S, то участков на эпюре будет столько, сколько раз меняется
поперечное сечение; при этом следует обращать внимание, чтобы при постоянной площади поперечного сечения нормальная сила на эпюре N оставалась неизменной. С учетом этого на эпюре σ будут три различных значения
σ (рис. 1, д):
.
5. Строим эпюру перемещений U. Начинать следует от неподвижного сечения, т.е. от сечения О. Выразим перемещение сечения, находящегося от
неподвижного на расстоянии z 2:
.
Если
, то для z 2 = l перемещение

Для 
,
или
;
при z = 2 l
.
Для 
;
при z1=3 l
.
Откладываем вычисленные перемещения на эпюре U (рис. 1, е).
Определить диаметры поперечных сечений бруса (материал - незакаленная сталь 30), нагруженного по схеме, приведенной на рис. 1, а. Сила F=1000 Н.
Сначала необходимо построить эпюры N и σ. Определяем коэффициент запаса. Поскольку материал пластичный, принимаем коэффициент запаса nT = 1,5.
Вычисляем допускаемое напряжение. Из табл. 2.1 для стали 30 выписываем σтр = σmc = 330 Н / мм 2. После этого можно определить допускаемое напряжение при растяжении и сжатии:
|
|
|
Н / мм 2.
Проанализировав эпюру напряжений (рис. 1, д), установили, что
на двух участках возникает одинаковое напряжение σнаи6 = F/S. Поскольку
данный материал работает одинаково на растяжение и сжатие, то можно для
любого из этих двух участков записать условие σнаи6 ≤ [ σ ]:
.
Определяем диаметры круглого бруса из полученного уравнения: S = 4,55 мм 2. Зная, что S = πr 2, определяем r 1 = 1,2 мм; d 1 = 2,4 мм. На участке, где площадь S 2 = 2 S, диаметр d 2 будет равен 3,35 мм.
Задача 2. Построить эпюру продольных сил для стержня, нагруженного продольными силами (рис. 2.1, а).
Решение. Стержень имеет два участка: I и II. Выберем начало координат в левом крайнем сечении.

Рис. 2.1. Определение продольных сил на участках I и II
Найдем закономерности изменения продольной силы на каждом участке. Для этого используем метод сечений — в произвольных местах на участках I и II проведем сечения 1—1 и 2—2 и каждый раз будем отбрасывать правую часть стержня, содержащую закрепление, для того чтобы предварительно не определять опорную реакцию. Оставшиеся левые части уравновесим положительными (растягивающими) продольными силами N 1 и N 2 (рис. 2.1, б, а).
Заметим, что во избежание ошибки следует неизвестное внутреннее усилие принимать всегда положительным, так как знак усилия, получаемый из решения, позволит установить:
правилен ли был выбор направления силы N;
какой вид деформации при этом возникает — растяжение или сжатие.
Для оставшихся (левых) частей запишем уравнения равновесия:

Рис. 2.2. Построение эпюры продольных сил
I.
:

II.
:
.
Из полученного решения видно, что в пределах каждого участка продольная сила остается постоянной, т. е. не зависит от продольной координаты z, и на участке II вместо предполагаемой растягивающей силы продольная сила будет сжимающей (рис. 2.1, в она показана пунктиром).
По полученным выражениям для N 1 и N 2 построим эпюру продольных сил, изображенную на рис. 2.2.
Задача 3. Построить эпюру
(рис. 3).

Рис. 3
справа
.
Задача 4. Построить эпюру
(рис. 4).

Рис. 4


Задача 5. Построить эпюру
(рис. 5).

Рис. 5
.
Здесь
«Идем» справа:


«Идем» слева:


Задача 6. Для стального бруса (рис. 6) постройте эпюру продольных сил, эпюру напряжений, проверьте прочность, если:
=50 кН,
=10 см 2,
= 160 МПа.
Решение. По эпюре напряжений выбираем максимальное напряжение и записываем условие прочности:
;
;


Рис. 6

Условие прочности выполняется; прочность бруса обеспечена.
Задача 






7. Построим эпюру N для стержня, изображенного на рис. 7, а. Установим с помощью метода сечений законы изменения N в пределах каждого из двух характерных участков стержня. Для этого проведем сечения в пределах этих участков, отбросим мысленно одну из частей стержня и заменим ее влияние продольной силой N. Составим уравнение равновесия Σ Х = 0 оставшейся части.
Участок х ≥1,2 м
кH.
Истинное направление N показано пунктиром (рис. 7, б). В пределах рассматриваемого участка продольная сила является сжимающей и имеет постоянное значение.
Участок 0≤ х ≤< 1,2 м
.

Рис. 7
Определим величину N в начале и в конце участка (рис. 7, в):
х = 0, N =-18 кН (сжатие);
х =1,2 м, N = 6 кН (растяжение).
В пределах данного участка продольная сила изменяется по линейному закону. Опорная реакция в месте закрепления стержня равна значению N в этом сечении: R = 18 кН.
Отложив в соответствующем масштабе ординаты N на прямой, параллельной оси стержня, построим эпюру N (рис. 7, г). Отметим ее особенность — в сечении, где приложена сосредоточенная сила P 1 = 18 кН, на эпюре N имеется разрыв (скачок), равный по величине этой силе.
