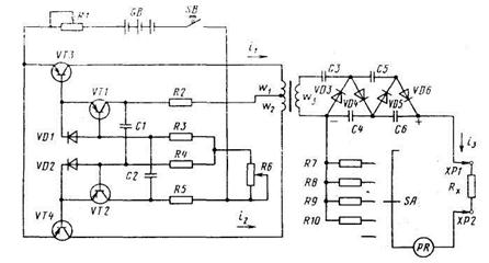
Безындукторный мегаомметр типа БМ-1 (рис. 6.8) более удобен в эксплуатации, так как вместо генератора с ручным приводом источником питания в нем служит батарея GВ из трех сухих элементов общим напряжением 4,8 В.

Рис. 6.8. Принципиальная схема безындукторного мегаомметра БМ-1
При нажатии кнопки SВ, вмонтированной в один из двух щупов прибора, питание от батареи подается на мультивибратор, собранный на транзисторах VТ1 и VТ2, резисто-
рах R2-R6 и конденсаторах С1, С2.
Мультивибратор представляет собой генератор периодических импульсов прямо
угольной формы. После нажатия кнопки SВ мультивибратор включается и далее работает автоматически, генерируя прямоугольные импульсы.
Эти импульсы через транзисторы VТЗ и VТ4, работающие в ключевом режиме, по-
даются поочередно на одинаковые половины w
и w
первичной обмотки трансформато-
ра ТV.
При этом через коллектор - эмиттер транзистора VТЗ (VТ4), половину обмотки
w
(w
) первичной обмотки и контакты кнопки SВ протекает пульсирующий ток i
(i
).
В результате во вторичной обмотке w
индуцируется переменная ЭДС, поступаю-
щая на умножитель напряжения на конденсаторах СЗ-С5 и диодах VDЗ-VD6.
Умножитель напряжения одновременно выполняет функцию выпрямителя, поэто-
му в измерительной цепи протекает выпрямленный ток i
.
В состав этой цепи входят резисторы R7-R10, переключатель SА пределов измере-
ния сопротивлений, микроамперметр РR, шкала которого проградуирована в мегаомах, и измеряемое сопротивление R
.
Переменные резисторы служат: R1 - для установки стрелки прибора на нулевую отметку (до начала измерений); R6 - для получения необходимого значения тока базы транзисторов VТ1 и VТ2. Диоды VD1 и VD2 обеспечивают температурную стабилизацию режима работы этих транзисторов.






