Типы переносных мегаомметров
Выходное напряжение мегаомметров должно соответствовать напряжению измеря-
емой сети. Если напряжение мегаомметра значительно больше напряжения сети, возмо-
жен пробой изоляции при измерениях, если меньше, измеренное прибором сопротивление изоляции будет больше действительного.
Поэтому выпускают мегаомметры пяти модификаций, отличающихся выходными напряжениями и наибольшими значениями измеряемого сопротивления (табл. 6.4).
Таблица 6.4.
Номинальные данные мегаомметров для измерения изоляции электрических сетей
с различным напряжением
| Напряжение сети, В | Выходное напряжение прибора, В | Верхний предел измерения, МОм |
| 110-250 | ||
| > 1000 |
Сопротивление изоляции электрических сетей, находящихся под напряжением, из
меряют с включенными приемниками посредством щитовых вольтметров и мегаоммет-
ров.

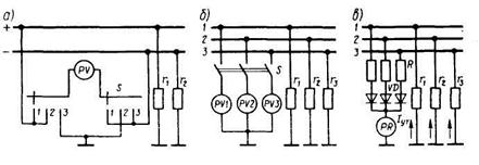
Рис. 6.11. Схемы измерения сопротивления изоляции электрических сетей постоянного (а) и переменного (б, в) тока
В сетях постоянного тока (рис. 6.11, а) на ГРЩ устанавливают вольтметр РV с известным внутренним сопротивлением R
> 100 кОм.
При помощи 2-полюсного переключателя S проводят 3 измерения напряжения: в положении 1 измеряют напряжение U судовой сети, в положении 2 - напряжение U
меж-
ду положительной шиной и корпусом, в положении 3 – напряжение U
между отрица-
тельной шиной и корпусом.
Эквивалентное сопротивление изоляции сети относительно корпуса рассчитывают
по формуле
r
= R
(
- 1) (6.22).
Иногда этот метод называют «метод 3-х отсчетов».
В сетях переменного тока (рис. 6.11, б) используют схему с тремя вольтметрами РV1-РVЗ, соединенными в "звезду" (нулевая точка заземлена).
Если сопротивление изоляции каждого провода одно и то же, т.е. r
= r
= r
, то при нажатии на кнопку S показания вольтметров будут одинаковыми и равными фазному напряжению.
При уменьшении сопротивления изоляции показания вольтметра, соединенного с поврежденным проводом, уменьшаются, а двух других увеличиваются.
Например, при замыкании провода 1 на корпус (r
= 0) показания вольтметра РV1 уменьшатся до нуля, так как указанный вольтметр замкнут накоротко параллельно вклю-
xенным r
, а вольтметры РV2 и РVЗ покажут линейные напряжения.
Недостаток схемы состоит в том, что при равномерном уменьшении сопротивления изоляции всех трех проводов показания вольтметров не будут изменяться.
Кроме того, схема не позволяет определить значение сопротивления изоляции про
водов непосредственно в единицах сопротивления (т.е. в кОм или МОм).
Последнего недостатка лишены схемы, в которых применяют щитовые мегаоммет-
ры разных типов.
В основу работы этих приборов положен метод наложения постоянного тока на сеть переменного тока.
В схеме, показанной на рис. 6.11, в, для получения постоянного тока используется непосредственно сеть переменного тока, напряжение которой выпрямляется диодами VD.
Для ограничения токов утечки I
последовательно с диодами включены резисто
ры R. В качестве измерительного прибора использован миллиамперметр РR постоянного тока, шкала которого проградуирована в килоомах.