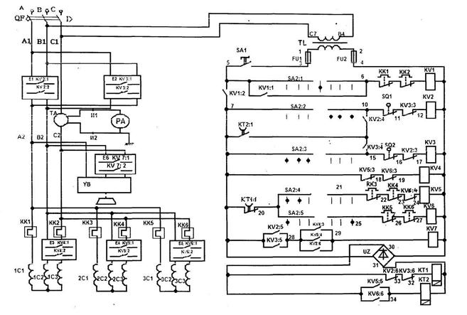
Схема управления состоит из силовой части (левая половина схемы) и собственно схемы управления (правая половина) (рис. 13.36)..
Блоки контроля исправности тиристоров для упрощения объяснения на схеме не показаны.

Рис. 13.36. Принципиальная схема управления электроприводом лебедки
Силовая часть схемы состоит из следующих элементов:
1. автоматического выключателя QF, предназначенного для отключения электро-
двигателя от питающей сети при коротком замыкании в любой из трех обмоток статора –
обмотки первой скорости 1С1, второй 2С1 или третьей 3С1;
2. шести тиристорных контакторов:
Е1 – контактор «Подъем»;
Е2 – контактор «Спуск»;
Е3 - контактор 1-й скорости;
Е4 - контактор 2-й скорости;
Е5 - контактор 3-й скорости;
Е6 – тормозной контактор;
3. трансформатора тока ТА, во вторичную обмотку которого включен амперметр
рА, встроенный в верхнюю часть тумбы командоконтроллера.
4. катушки электромагнитного тормоза YB;
5. нагревательных элементов КК1...КК6 тепловых реле.
6. асинхронного двигателя с короткозамкнутым ротором и тремя обмотками на ста-
торе - 1С1, 2С1, 3С1.
Схема управления состоит из следующих элементов:
1. понижающего трансформатора ТL напряжением 380 / 27 В, предназначенного
для питания катушек промежуточных реле KV1…KV7 и реле времени КТ1, КТ2;
2. командоконтроллера, имеющего 5 контактов SА2:1…SA2:5.
3. реле напряжения KV1;
4. реверсивного реле КV2 «Подъем»;
5. реверсивного реле КV3 «Спуск»;
6. реле 1-й скорости КV4;
7. реле 2-й скорости КV5;
8. реле 3-й скорости КV6;
9. тормозного реле КV7$
10. реле времени КТ1, для задержки перехода двигателя с 1-й скорости на 2-ю;
11. реле времени (тормозное) КТ2, для перевода двигателя в режим рекуператив
ного торможения;
12. конечного выключателя SQ1, контролирующего длину троса при его намотке на барабан;
13 конечного выключателя SQ2, контролирующего длину троса при его смотке с
барабана;
14. выпрямительного мостика UZ, для питания постоянным током катушек реле
времени КТ1 и КТ2.






