Автоматизированные устройства распределения активных нагрузок
При параллельной работе синхронных генераторов активные нагрузки должны распределяться пропорционально их номинальным активным мощностям. При этом соотношение мощностей параллельно работающих СГ не должно превышать 3:1, в противном случае параллельная работа СГ становится неустойчивой.
Согласно Правилам Регистра неравномерность распределения активных нагрузок при параллельной работе генераторов не должна превышать ±10% мощности меньшего генератора. Поэтому для каждого генератора, работающего в параллель, должно быть предусмотрено устройство автоматического распределения активных нагрузок. К таким отечественным устройствам относятся:
1) УРЧН – устройство регулирования частоты и нагрузки;
2) УРМ – устройство распределения активной мощности (СУ «Ижора»);
3) БРНГ – блок регулирования нагрузки генераторов (СУ «Ижора - М»).
Во всех перечисленных выше устройствах для автоматического распределения активных нагрузок используется метод базового генератора. Для оценки величины загрузки генераторов по активной мощности используются датчики активного тока. Конструктивно датчики могут быть выполнены в виде отдельного блока (БИАТ) или входить в состав самого устройства (УРМ-35).
|
|
|
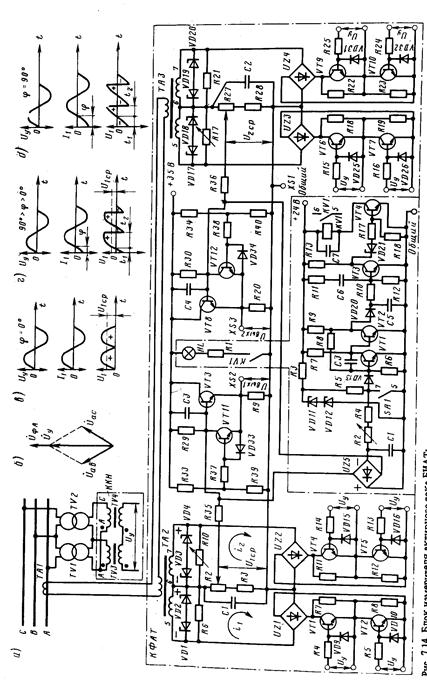
Блок входит в СУ СЭЭС типа "Ижора-М" и предназначен для получения на каждом из двух его выходов напряжения, пропорционального активной мощности (активному току) СГ. Блок устанавливают на каждом СГ и подключают к нему при помощи трансформатора тока ТА1 и трансформаторов напряжения TV1 и TV2.
В состав блока входят 2 кассеты: контроля неисправности типа ККН и формирования активного тока типа КФАТ.
Кассета ККН предназначена для выдачи светового сигнала при выходе из строя элементов кассеты КФАТ.
Кассета КФАТ предназначена для получения напряжения, пропорционального активной мощности СГ, и включает в себя 2 одинаковых канала формирования активного тока. Каждый канал состоит из согласующего трансформатора тока ТА2 (ТАЗ), выпрямителей UZ1, UZ2 (UZ3, UZ4), транзисторных ключей VT1, VT2, VT4, VT5 (VT6, VT7, VT9, VT10), эмиттерного повторителя на транзисторе VT3 (VT8) и узла защиты элементов схемы от токов перегрузки на транзисторе VT11 (VT12). Применение двух каналов объясняется необходимостью получения двух напряжений на выходах каналов. Первое напряжение с резистора R9 подается на вход блока БКЗГ контроля загрузки генератора, а второе с резистора R20 - на вход блока БРНГ распределения активных нагрузок генераторов. Кроме того, наличие двух каналов позволяет обеспечить "перекрестный" контроль исправности каналов.
|
|
|
Рассмотрим принцип действия кассеты КФАТ на примере 1-го канала. Канал представляет измеритель активного тока и имеет вход по току нагрузки и вход по напряжению (вход по току образован при помощи согласующего трансформатора тока ТА2, вход по напряжению обеспечивается трансформаторами напряжения TV3 или TV4). Напряжение управления U отпирает пары транзисторных ключей VT1-VT2 и VT4-VT5 поочередно (со сдвигом на угол 180°).
При активной нагрузке ток и напряжение генератора совпадают по фазе: угол φ = 0°. Поэтому совпадают по фазе напряжение Uу пропорциональное напряжению генератора, и ток І1 первичной обмотки трансформатора тока ТА2, пропорциональный току нагрузки. В положительный полупериод напряжения U управления открыты транзисторы VT1, VT2. В этот полупериод на выводах 5- 7 вторичной обмотки трансформатора ТА2 под действием магнитного потока тока І1 возникает напряжение с полярностью, обозначенной на схеме, вызывающее протекание тока І1 по цепи: "+" на выводе 6-R2, R3 - выпрямитель UZ1 - транзисторы VT1, VT2 - выпрямитель UZ1 - "-" на выводе 5. В следующий полупериод напряжения Uу управления запираются транзисторы VT1, VT2 и отпираются VT4, VT5. Одновременно изменяется мгновенная полярность напряжения на вторичной обмотке трансформатора ТА2. Ток І2 течет по цепи: "+" на выводе 6-R2, R3-UZ2-VT4, VT5-UZ2 - "-" на выводе 7. Таким образом, через резисторы R2, R3 протекает выпрямленный 2-полупериодный ток. Напряжение U1 на резисторах R2, R3, пропорциональное выпрямленному току, поступает на вход эмиттерного повторителя на транзисторе VT3 и одновременно на выпрямитель UZ5 на входе кассеты ККН. На выходе эмиттерного повторителя включен резистор R9, с которого напряжение Uвых1 подается на вход БКЗГ.
При активно-индуктивной нагрузке ток отстает от напряжения на угол 90° > φ > 0°. В течение каждого полупериода напряжения Uу направление тока через резисторы R2, R3 изменяется дважды. Например, в положительный полупериод в промежутке времени t1 ток I < 0, чему соответствует полярность напряжения на выводах 5- 7, обратная указанной на схеме. Ток i1 через резисторы R2, R3 протекает в направлении от R3 к R2. В промежутке времени t2 ток I1 > 0, поэтому направление тока i1 изменяется на обратное. В результате среднее значение тока через резисторы R2, R3 уменьшается, поэтому уменьшается напряжение U1 на этих резисторах. В отрицательный полупериод напряжения Uу среднее значение выпрямленного тока через резисторы R2, R3 определяется аналогичным действием тока i2.
При индуктивной нагрузке φ = 90°, кривая тока через резисторы R2, R3 становится симметричной относительно оси абсцисс. Поэтому среднее значение выпрямленного тока, а значит, и напряжения U1 уменьшается до нуля.
Для повышения надежности канала в схему введены элементы защиты. При возникновении токов КЗ генератора напряжение на вторичной обмотке трансформатора ТА2 увеличивается до значения, при котором пробиваются стабилитроны VD1, VD3 или VD2, VD4 (в зависимости от полупериода). Тем самым шунтируется вторичная обмотка трансформатора ТА2, поэтому напряжения U1 и Uвых 1 ограничиваются до безопасных значений.
При индуктивной нагрузке φ = 90°, кривая тока через резисторы R2, R3 становится симметричной относительно оси абсцисс. Поэтому среднее значение выпрямленного тока, а значит, и напряжения U1 уменьшается до нуля.
Для повышения надежности канала в схему введены элементы защиты. При возникновении токов КЗ генератора напряжение на вторичной обмотке трансформатора ТА2 увеличивается до значения, при котором пробиваются стабилитроны VD1, VD3 или VD2, VD4 (в зависимости от полупериода). Тем самым шунтируется вторичная обмотка трансформатора ТА2, поэтому напряжения U1 и Uвых 1 ограничиваются до безопасных значений.
|
|
|
Дополнительно защиту от токов перегрузки обеспечивает транзистор VT11, включённый по схеме с общим эмиттером. Делитель напряжения на резисторах R33, R39 служит для получения на резисторе R39 напряжения смещения транзистора VT11. Резистор R9, включенный в общую эмиттерную цепь транзисторов VT3 и VT11, обеспечивает по отношению к транзисторам отрицательную Обратную связь по току. При увеличении нагрузки генератора напряжение Uвых1 увеличивается. Это приводит к уменьшению напряжения на входе транзистора VT11, так как оно определяется разностью напряжений на резисторах R39 и R9. Вследствие этого ток через транзистор VT11 и резисторы R29, R9 уменьшится. Тем самым напряжение Uвых1 будет ограничено до значения, безопасного для входных цепей блока БКЗГ
Принцип действия кассеты ККН заключается в сравнении напряжений U1 и U2, подаваемых через резисторы R35 и R36 на выпрямитель UZ5 навходе кассеты. Если оба канала кассеты КФАТ исправны, напряжения U1 и U2 одинаковы и компенсируют одно другое на входе выпрямителя UZ5, т. е. напряжение на выходе выпрямителя отсутствует. Транзистор VT1 открыт током базы, протекающим через резисторы R3, R5, диод VD13 и переход база - эмиттер транзистора VT1, поэтому шунтирует вход транзистора VT2. Последний закрыт, напряжение на его выходе равно 24 В, поэтому конденсатор С5 заряжен до напряжения 24 В через резистор R9 и диод VD20. Транзистор VT3 открыт базовым током через резисторы R9, R10 и диод VD20 и шунтирует вход транзистора VT4. Последний закрыт, реле KV1 обесточено.

Рисунок 10 – Блок измерителя активного тока БИАТ
При выходе из строя элементов кассеты КФАТ, приводящем к изменению напряжений Uвых1 или Uвых2 на 1 В, на выходе выпрямителя UZ5 появляется напряжение, запирающее транзистор VT1. Вследствие этого открывается VT2, напряжение на выходе которого уменьшается до нуля. Конденсатор С5 разряжается через RI0, R12 и тем самым в течение 2-4 с поддерживает падение напряжения на R12, удерживающее транзистор VT3 в открытом состоянии. Таким образом, исключается ложное срабатывание кассеты при кратковременном нарушении равновесия напряжений Uвых1 и Uвых2. По истечении выдержки времени транзистор VT3 запирается, пробивается стабилитрон VD21. Поэтому транзистор VT4 отпирается током базы, протекающим через резисторы R13, R17, стабилитрон VD21 и переход эмиттер - база транзистора VT4: реле KV1 включается.
|
|
|
Для проверки исправности кассеты ККН нажимают кнопку SA1, которая своим контактом шунтирует вход транзистора VT1. Последний запирается, и далее схема ККН работает как при неисправности элементов кассеты КФАТ. Если кассета исправна, включается реле KV1 и загорается сигнальная лампочка HL.
При номинальных значениях тока нагрузки и коэффициенте мощности напряжение на выходе каждого канала составляет 20 В. Для контроля напряжения, на выходе 1-го канала используют гнезда XS1 и XS2, на выходе 2-го канала - гнезда XS1 и XS3.
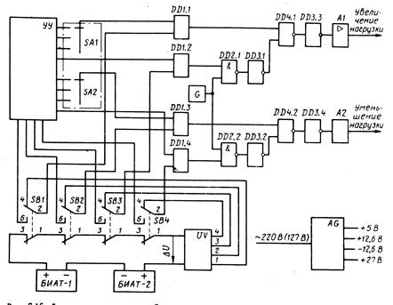
Блок распределения активных нагрузок генераторов БРНГ.
Блок входит в состав СУ СЭЭС типа "Ижора-М" и предназначен для автоматического распределения активных нагрузок между параллельно работающими СГ. Работа блока начинается с момента включения АВ резервного генератора, т. е. сразу после окончания процесса синхронизации и продолжается в течение 8-38 с, после чего блок автоматически отключается при помощи реле времени. Таким образом; распределение нагрузок осуществляется только на время приема нагрузки резервным генератором. В дальнейшем распределение активных нагрузок выполняют АРЧ генераторных агрегатов.
Блок вырабатывает непрерывный или импульсный сигнал в зависимости от значения степени неравномерности DР распределения активных нагрузок, граничное значение которого DРгр может устанавливаться в пределах ±0,15, ±0,25, ±0,35Рном генератора. При DР > DРгр блок обеспечивает непрерывное включение серводвигателя резервного ГА, ускоряя процесс распределения нагрузок; при DР < DРгр - импульсное включение серводвигателя, что позволяет избежать перерегулирования

Рисунок 11 – Функциональная схема блока распределения активных нагрузок генераторов БРНГ
Элементной базой блока в основном являются микросхемы (логические элементы, генератор импульсов, усилитель и др.).
В состав блока входят: узел уставки УУ с двухполюсным переключателем уставок SA1, при помощи которого задают указанные выше значения DРгр; двух-полюсные кнопки SB1-SB4 для контроля исправности блока; формирователь сигналов UV; компараторы DD1.1-DD1.4, представляющие сравнивающие устройства с аналоговым входом и дискретным выходом; логические элементы DD2.1, DD2.2 (И - НЕ), DD3.1-DD3.4 (НЕ), DD4.1, DD4.2 (ИЛИ - НЕ) и выходные усилители А1, А2. На выходах этих усилителей включены реле «увеличение нагрузки» и «уменьшение нагрузки».
Алгоритмы функционирования логических элементов:
элемент «И – НЕ» - если на всех без исключения входах логические единицы, на выходе логический 0; если хотя бы на одном входе 0, на выходе 1;
элемент «ИЛИ – НЕ» - если на любом входе 1, на выходе 0; если на всех без исключения входах 0, на выходе 1;
элемент «НЕ» - если на входе 1, на выходе 0; если на входе 0, на выходе 1.
Выходные усилители А1 и А2, не являясь собственно логическими элементами, реализуют логическую функцию «ДА» (повторение): если на входе 1, на выходе 1; если на входе 0, на выходе 0.
Питание элементов блока обеспечивает узел питания АG, на вход которого подается напряжение 220 В (127 В) частотой 50 Гц, а с выхода снимаются напряжения: не стабилизированное +27 В и стабилизированные +5, +12,6 и -12,6 В.
После включения на шины резервного генератора (обозначим резервный генератор СГ2, а базовый генератор – СГ1) выходы блоков измерителей активного тока БИАТ-1 и БИАТ-2 обоих генераторов соединяются последовательно. Поэтому при неодинаковых активных нагрузках генераторов через контакты 3-1 кнопок SB1-SB4 на вход формирователя UV подается напряжение DU, пропорциональное степени неравномерности активных нагрузок генераторов. С выходов 1-4 формирователя через контакты 4-2 кнопок SB1-SB4 напряжения Uф поступают на нижние входы компараторов DD1.1-DD1.4. Из узла уставок УУ на верхние входы этих компараторов подаются напряжения уставок Uуст, причем на входы компараторов DD1.2 и DD1.4 непосредственно, а на DD1.1 и DD1.3 через переключатель уставок SA1.
Принцип действия компаратора основан на сравнении двух входных напряжений: уставки Uуст и формирователя Uф. На выходе компаратора устанавливается логический 0 при Uуст > Uф и логическая 1 при Uуст < Uф. Напряжение уставки компаратора DD1 I (DD1.3) выше, чем DD1.2 (DD1.4). Схемы компараторов построены на операционных усилителях типа К1УТ401Б.
Предположим, что активная нагрузка СГ1 больше, чем СГ2. Напряжение Uф на входе формирователя UV имеет полярность напряжения на выходе блока БИАТ-1. При этом на выходах 2, 4 формирователя напряжение Uф = 0, а на выходах 1, 3 напряжение Uф пропорционально степени неравномерности активных нагрузок. Таким образом, на нижние входы компараторов DD1.3 и DD1.4 напряжения с формирователя не поступают. Поэтому на выходах этих компараторов будут логические нули, вследствие чего становится невозможным включение реле «уменьшение нагрузки». С выходов 1, 3 формирователя напряжение Uф поступает на нижние входы компараторов DD1.1 и DD1.2. Уровень сигналов (0 или 1) на выходах компараторов DD1.1 и DD1.2 зависит от степени неравномерности нагрузок генераторов.
Если степень неравномерности нагрузок DР > DРгр, а такое возможно сразу после включения СГ2 на шины, когда вся нагрузка находится на СГ1, то на выходах компараторов DD1.1 и DD1.2 будут логические единицы. С выхода компаратора DD1.1 логическая 1 поступает на верхний вход элемента DD4.1. Поэтому на его выходе будет логический 0, поступающий на вход элемента DD3.3. С выхода элемента DD3.3 логическая 1 поступает на вход усилителя А1, в результате реле «увеличение нагрузки» работает непрерывно.
По мере перевода нагрузки на СГ2 степень неравномерности нагрузок уменьшается до заданного переключателем SA1 граничного значения DРгр. В этом случае на входе компаратора DD1.1 напряжение формирователя уменьшается до значения Uф < Uуст, поэтому на выходе элемента DD1.1 устанавливается логический 0. Однако уменьшение напряжения на входе элемента DD1.2 недостаточно для изменения состояния DD1.2, поэтому на выходе элемента DD1.2 сохраняется логическая 1, поступающая на верхний вход элемента DD2.1. В промежутки времени, когда генератор импульсов G выдает сигнал в виде логической 1, на оба входа элемента DD2.1 поступают логические единицы, вследствие чего на его выходе будет логический 0. В результате на выходах элементов DD3.1 - логическая 1, DD4.1 - логический 0, DD3.3 - логическая 1. На выходе усилителя А1 включается реле «увеличение нагрузки». При снятии сигнала генератора G на выходе усилителя А1 устанавливается логический 0, упомянутое реле отключается. Таким образом, реле «увеличение нагрузки» включается в такт сигналам генератора импульсов G.
При уменьшении степени неравномерности нагрузки до некоторого минимального значения DPmin (обычно DPmin £ Рном) на выходе компаратора DD1.2 устанавливается логический 0. В этом случае на выходах элементов устанавливаются следующие сигналы: DD2.1 - логическая 1, причем импульсы генератора G не изменяют состояние этого элемента; DD3.1 - логический 0; DD4.1 - логическая 1; DD3.3 - логический 0. Реле «увеличение нагрузки» отключается.
Исправность БРНГ проверяют при помощи кнопок SB1-SB4. Нажатие любой из них приводит к снятию напряжений Uф со входов компараторов DD1.1-DD1.4 вследствие размыкания контактов 3-1 нажатой кнопки и подаче на вход соответствующего компаратора сигнала из узла уставок УУ через замыкающие контакты 2-6 этой кнопки. Для получения непрерывного (импульсного) сигнала на выходе усилителя А1 нажимают кнопку SB1 (SB3), на выходе усилителя А2 - кнопку SB2 (SB4).
Устройство распределения мощности УРМ-35.
Устройство входит в состав СУ СЭЭС типа "Ижора" и обеспечивает распределение активных нагрузок между параллельно работающими СГ с погрешностью ±0,05Рном при изменении суммарной нагрузки судовой электростанции от 0,2 до 1,1 Рном. Устройство состоит из трех блоков:
- УРМ-35Д - датчик активного тока;
- УРМ-35Ф - формирователь импульсов;
- УРМ-35У -усилитель.
Последние два блока конструктивно объединены в общем корпусе УРМ – 35 ФУ.