Выходные каскады усилителей

Однотактный выходной каскад класса А

Однотактный выходной каскад класса А показан на рис.17.1. Каскад выполнен по схеме с ОЭ. К особенностям выходного каскада относится то, что он, во-первых, должен обеспечивать максимальную выходную мощность, т.е. работает близко к границе допустимой области и, во-вторых, от них не требуется высокой точности, т.к. возникшая ошибка не будет усиливаться дальше. В этой связи в усилителе отсутствует сопротивление эмиттера, что повышает выходной ток.

На рис. 17.2 показаны временные диаграммы выходных напряжений и токов каскада. Рабочая точка (U0,I0) на нагрузочной прямой выбирается таким образом, чтобы расстояние от нее до границ рабочего сектора было одинаковое. При этом достигается максимальная выходная мощность. Нагрузочная прямая строится по двум точкам: и . Из рисунка 17.2 видно, что амплитуда выходного напряжения не превышает половины напряжения питания, а амплитуда выходного тока не может быть более половины максимального тока коллектора.

Рис. 17.1 Однотактный выходной каскад класса А
Рис. 17.2 Временные диаграммы токов и напряжений

Коэффициент полезного действия усилителя однотактного каскада не превышает величины

. (17.1)

При этом при повышении нагрузки КПД становится еще меньше. Кроме того, не вся выходная мощность попадает в нагрузку. Причиной низкого КПД схемы является тот факт, что транзистор потребляет ток от источника питания независимо от величины входного сигнала.

Двухтактный выходной каскад класса В

Этот недостаток устраняется в двухтактном выходном каскаде, работающем в режиме В (см. рис. 17.3).

Рис. 17.3 Схема двухтактного каскада класса В
Рис. 17.4 Временные диаграммы токов и напряжений двухтактного каскада

В двухтактном каскаде применяются два одинаковых по параметрам транзистора с противоположной проводимостью. При нулевом сигнале на входе усилителя оба транзистора закрыты, и ток через них в нагрузку не течет. При положительном напряжении p-n-p-транзистор VT2 закрыт, а n-p-n-транзистор VT1 открывается и в нагрузку от положительного источника питания через транзистор VT1 протекает ток, создавая положительное падение напряжение. При отрицательном входном напряжении транзистор VT1 закрыт, а VT2 открыт, поэтому ток протекает через нагрузку, через транзистор VT2 к отрицательному источнику питания. Таким образом, каждый транзистор усиливает только одну полуволну: VT1 положительную, а VT2 отрицательную.

КПД такого каскада не превышает величины

. (17.2)

Так как транзисторы при малых напряжениях, по модулю меньших чем потенциал p-n-перехода , закрыты, то в усилителе существует зона нечувствительности, что приводит к нелинейным искажениям сигнала.

Двухтактный выходной каскад класса АВ

Чтобы устранить нелинейные искажения, рабочие точки транзисторов выходного каскада устанавливают на границу между режимом отсечки и режимом насыщения.

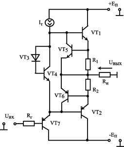
Выходной каскад образуют транзисторы VT1, VT2. Напряжение смещения, поступающего в базы транзисторов, задается диодом VT3 и транзистором VT4. Это напряжение равно примерно . Связка диод-транзистор используется вместо двух прямо включенных диодов, чтобы уменьшить их дифференциальное сопротивление. Малое дифференциальное сопротивление нужно, чтобы входной сигнал одинаково усиливался как первым, так и вторым транзистором. Генератор тока задает ток через VT3, VT4 и эмиттерный повторитель VT7. В схему встроена защита от короткого замыкания на выходе: , , VT5, VT6. Если выходной ток небольшой, то падения напряжения на резисторах , недостаточно, чтобы открыть транзисторы VT5, VT6. При большом положительном токе через нагрузку падение напряжения на увеличивается, открывается VT5 и ток базы уменьшается. В результате эмиттерный переход транзистора VT1 закрывается сильнее, его сопротивление возрастает и ток через нагрузку перестает расти. Аналогично работает защита в транзисторе VT2 при увеличении отрицательного тока через нагрузку.

Рис. 17.5 Двухтактный выходной каскад класса АВ

При повышении входного напряжение на выходе эмиттерного повторителя повышается. В результате напряжение в базах транзисторов VT1, VT2 возрастает, следовательно, VT1 открывается, а VT2 закрывается, поэтому ток течет от положительного источника питания через VT1, в нагрузку . При понижении выходное напряжение эмиттерного повторителя уменьшается, поэтому напряжение в базах VT1, VT2 понижается. Транзистор VT1 закрывается, VT2 открывается, и ток течет через нагрузку , сопротивление, VT2 к отрицательному полюсу источника питания.





Подборка статей по вашей теме: