Выбор типа котельной, если он предопределен внешними факторами, проводится на основе технико-экономических расчетов. Количество и единичная мощность оборудования определяется по результатам расчета тепловых схем котельных. При выборе оборудования следует стремиться к укрупнению единичной производительности.
В котельных отопительного назначения резервных котлов не устанавливают. В котельных промышленного и промышленно – отопительного назначения вопрос о резервировании паровых котлов определяется требованиями внешних потребителей. Если потребитель не допускает перерывов в подаче пара, то в котельной устанавливается минимум один резервный паровой котел и максимум два. Во всех остальных котельных резервных котлов не устанавливают.
Для расчета тепловой схемы должно быть задано:
1. Часовой отпуск тепла с горячей водой Qотп
|
Qтехн – технологическая нагрузка, покрываемая горячей водой;
Qпот – потери тепла в системах теплоснабжения.
По нормам годовые потери не должны превышать 5%. Принимать можно:
|
|
2. Часовой расход воды на выходе из теплоснабжающей станции Gпр
В общем случае 
Gут – потери теплоносителя в сети. Они должны составлять не более 5% объема воды в тепловых сетях, включая местные системы. При расчете тепловых схем можно принимать:
|
Gут = (1,5…2,0) % от расхода воды в подающем трубопроводе, то есть
3. Часовой расход воды на входе теплоотдающей станции Gоб
Gподп = Gпр – Gоб
Gподп = Gут + Gгвс – для открытых систем
Gподп = Gут - для закрытых систем
1. Температура сетевой воды на входе и выходе теплоснабжающей станции. Зависит от метода регулирования.
|
5. При отпуске тепла с паром задается часовой расход пара на выходе из теплоснабжающей станции Dотп
Dо + Dв + Dгвс – если паром покрываются нагрузки отопления, вентиляции и ГВС.
Dпот принимают 3% от технологической нагрузки Dтехн.
2. Давление и состояние пара (степень сухости или температура) на выходе.
7. Гарантированный возврат конденсата и его температура.
Расчет тепловых схем ведется для четырех режимов:
- Максимально зимний режим (соответствует расчетной температуре tно). По результатам расчета определяется максимальная мощность источника тепла и составляются варианты котельной по составу оборудования.
- Контрольный (соответствует средней температуре наиболее холодного месяца
). Расчет ведется из условия выхода из строя наиболее крупного агрегата. Оставшееся оборудование должно обеспечить расчетную нагрузку на технологию, отопительно-вентиляционную при
и средненедельную на ГВС. По результатам расчета определяется единичная мощность оборудования.
- Среднеотопительный (соответствует средней температуре за отопительный период
).
- Летний (при отсутствии нагрузки на отопление и вентиляцию и при сниженной нагрузке на ГВС). По результатам расчетов 3 и 4 режимов определяются технико-экономические показатели источника тепла. Иногда появляется необходимо сть расчета 5 режима, соответствующего
. По результатам расчета определяются перекачивающие установки.
5.2. Расход топлива и электроэнергии на собственные нужды котельных.
При расчете необходимо помнить, что расход воды через котел во всех режимах должен быть постоянным. Отпуск тепла можно изменять только количеством работающих котлов.
tх = 5 0С – зимой; tх = 15 0С – летом.
Температура воды
зависит от схемы обработки воды. При наличии предочистки:
30 0С – при коагуляции;
40 0С – при коагуляции с известкованием.
Без предочистки: 25…35 0С.
В общем случае
, лучше (0…2) 0С.
|
Если деаэратор работает с обогревом, то:
Если деаэратор работает без обогрева, то:
|
, где tнас – по давлению в деаэраторе (0,3 атм).

Рис. 4.1. Расчетная тепловая схема водогрейной котельной
Температура
- температура на входе в котел. Зависит от вида сжигаемого топлива. При сжигании газа или низкосернистого мазута – не ниже 70 0С. При сжигании высокосернистого мазута - не ниже 110 0С. При сжигании твердых топлив первоначально определяют температуру точки росы и температуру на входе в котел принимают не ниже:
|
tгр = 60…70 0С. При работе на открытые системы лучше принимать tгр = 60 0С.
Порядок расчета:
1) Определяется количество работающих (для максимально зимнего режима – установленных) котлов. Для максимально зимнего режима минимально допустимое количество установленных котлов – 2, оптимальное – 2. Исходя из этого оценивается единичная производительность котла:
|
|
По найденым значениям
и
выбирается котел с производительностью из номенклатурного ряда. По выбранной производительности котла Q1К определяется количество установленных котлов:
|
n’ округляется до ближайшего большего целого числа.
Для всех остальных режимов определяется количество работающих котлов по уже выбранной единичной мощности.
2) Определяется температура воды на выходе из котла.
|
G1к – расход воды через котел по технической характеристике выбранного котла.
Если для какого-либо режима (обычно для максимально зимнего) получится
, то принимают
и пересчитывают
:
|
2) Определяются расходы греющей среды деаэратора, и подогревателей сырой и химочи-щенной воды.
- для деаэратора:
|
Отсюда определяют Gд.
- действительный расход воды через деаэратор.
Gвып = 0,002 Gподп
- для подогревателя химочищенной воды:
|
,
где r – теплота парообразования по давлению в деаэраторе;
- коэффициент сохранения тепла (0,98…0,99).
Отсюда определяют GП2.
- для подогревателя сырой воды:
|
где
- расход на собственные нужды ХВО.
3) Расчет температуры воды после сетевых насосов (по тепловому балансу точки 1).
4) Расчет количества перепускаемой воды (по тепловому балансу точки 2).
5) Расчет узла рециркуляции. По уравнению материального баланса узла 3 определяется расход рециркулируемой воды, а из теплового баланса этого же узла – температура воды на входе в котел. Если найденное значение
не совпадает с ранее принятым значением (смотри п.2), то следует искать ошибку в расчетах.
|
Допустимое расхождение при определении
не более 3%.
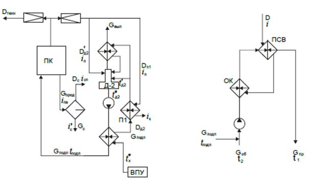
a. Расчет тепловой схемы паровой котельной

Рис.4.2. Расчетная схема паровой котельной
3. Расход пара на деаэратор подпиточной воды

- энтальпия пара на выходе из котла; iк – энтальпия конденсата. iк =с(tнас -10…15 0С).
tнас – температура конденсата при давлении греющего пара. При наличии подрегулировки перед подогревателем tнас определяется при давлении 2…2.5 атм., без регулировки – 6 атм.

=0.002 Gподп.
- если нет охладителя деаэрированной воды;
- температура насыщения по давлению в деаэраторе;
=65 0С для работы на открытые системы (с охлаждением деаэрированной воды) и 60…70 0С при работе на закрытые системы. Из уравнения теплового баланса деаэратора
t ’ д2. Действительный расход пара есть
.
4. Расчет расхода пара на подогреватель подпиточной воды перед деаэратором Д-2.

5. Расчет расхода пара на подогрев сетевой воды.
Отсюда находят Dпсв.
6. Оценивают паропроизводительность котельной.
.
- расходы пара на подогрев сырой, химически очищенной воды перед питательным деаэратором и питательным деаэратором.

7. Оценивается величина продувки котла
. Здесь Sкв – солесодержание котловой воды, зависит от типа котла и сепарационных устройств в барабане. Для промышленных котлов Sкв =3000…7000 мг/л;
Sпв – солесодержание питательной воды.
,
- солесодержание воды после химводоочистки;
- солесодержание конденсата,
=4…8 мг/л; a – доля химически очищенной воды в питательной воде котла. Расход продувки есть
.
8. Расчет расширителя с сепаратором продувочной воды.
| - энтальпия воды при давлении в сепараторе. Давление в сепараторе зависит от схемы использования потоков после сепаратора. В котельных промышленного назначения при использовании пара после сепаратора в питательном деаэраторе, давление в сепараторе 2…4 атм. |
Рис.4.3. Схема сепаратора
i сп = i c + rx, x =0.98...0.99. Из уравнений материального и теплового балансов находят D с и G с.
1. Расчет расхода пара на подогрев сырой воды.
| Охладитель сепарированной воды может быть установлен на линии химически очищенной воды перед питательным деаэратором. - температуры сырой воды до и после подогревателей. 40...50 0C. Из уравнения теплового баланса определяется D п2. |
Рис.4.4. Схема подогрева исходной воды
исх.воды= G подп. + D пот + G с + G нев.к + G хво.сн.
G нев.к - невозврат конденсата от технологического потребителя;
G хво.сн. =(20…30)% от мощности водоподготовки (G подп. + D пот + G с + G нев.к).
1. Расчет расхода пара на подогрев химически очищенной воды выполняется, если перед питательным деаэратором есть пароводяной теплообменник. В противном случае рассчитывается температура воды перед питательным деаэратором.
| 90…95 0С если есть пароводяной теплообменник. Если теплообменника нет, то эта температура рассчитывается из уравнения теплового баланса. |
Рис.4.5. Схема расчета деаэратора



Уравнение теплового баланса
.
Если отсутствует подогреватель П3, то расход пара на него D п3=0, и из уравнения теплового баланса находят
. Если теплообменник П3 есть, то
=90…95 0С. Из уравнения находят D п2.
1. Определение расхода пара на деаэратор питательной воды.
Расход пара D д1 определяется из уравнения материального баланса деаэратора. Действительный расход пара определяется с учетом выпара.
.
2. Уточняется паропроизводительность котельной и сравнивается с предварительно заданной величиной.
D к= D техн + D псв + D п1 + D п2 + D п3
.
Если расхождение больше 3%, то расчет повторяют, начиная с п.5.
Доля химически очищенной воды в питательной воде
.
При первом приближении
. В последующих приближениях a принимается по результату предыдущего приближения.
- энтальпия воды при давлении в сепараторе. Давление в сепараторе зависит от схемы использования потоков после сепаратора. В котельных промышленного назначения при использовании пара после сепаратора в питательном деаэраторе, давление в сепараторе 2…4 атм.
- температуры сырой воды до и после подогревателей.
40...50 0C. Из уравнения теплового баланса определяется D п2.
90…95 0С если есть пароводяной теплообменник. Если теплообменника нет, то эта температура рассчитывается из уравнения теплового баланса.