Высоконапорное нагнетание можно производить по следующим технологическим схемам:
через скважины, пробуренные из подготовительной выработки (рис. 2.1);
через скважины и шпуры, пробуренные из очистного забоя (рис. 2.2).

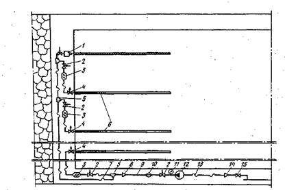
Рис. 2.1 Технологическая схема высоконапорного нагнетания жидкости в пласт через скважины, пробуренные из подготовительной выработки: 1 — гидрозатворы; 2 — разгрузочные вентили; 3 — счетчики-расходомеры; 4 —- регулируемые проходные вентили; 5 — тройники; 6 — рукав высокого давления; 7 — переходник; 8 — трубопровод; 9 — дозатор смачивателя; 10 — манометр; 11 — буровая установка; 12 — фланцевый вентиль; 13 — переходник; 14 — штрековый фильтр; 15 — напорный рукав; 16 — высоконапорный насос
Выбор наиболее рациональной технологической схемы профилактической обработки угольного массива зависит от горно-геологических и горнотехнических условий. При этом целесообразно применять технологическую схему нагнетания жидкости в пласт через скважины, пробуренные из подготовительной выработки, так как она имеет ряд преимуществ перед другими схемами:
независимость выполнения всех работ по нагнетанию от производственных процессов в очистном забое;
возможность увлажнения через одну скважину больших объемов угольного массива, что сокращает затраты времени на подготовительно-заключительные и вспомогательные операции, приходящиеся на 1 т обрабатываемого угля;
возможность многократного длительного насыщения угольного пласта жидкостью как за счет напорной фильтрации, так и под действием капиллярных сил;
возможность использования дегазационных скважин в качестве нагнетательных, что повышает эффективность метода вследствие улучшения фильтрационных свойств угля.
Однако в отдельных случаях горно-геологические условия могут быть таковы, что под сомнение ставится вообще целесообразность использования данного метода. Поэтому рациональная область применения указанных технологических схем нагнетания жидкостей в пласт может быть установлена только на основе анализа горно-геологических и горнотехнических условий по определенной методике. В совокупность факторов, характеризующих указанные условия, входят физико-механические свойства вмещающих пород и угля, наличие геологических нарушений, особенности способов выемки угля, наличие твердых породных включений в пласте и др. По этим факторам, их количественному и качественному влиянию на безопасность работ в забое и принятую технологию выемки угля можно установить целесообразность использования той или иной схемы нагнетания жидкости в пласт.
Технологическую схему (см. рис. 2.1) рекомендуется применять на пластах мощностью более 1,3 м пологого, наклонного и крутого залегания с низкой водопроницаемостью. Нагнетание жидкости в угольный массив в этом случае осуществляется с помощью высоконапорных насосных установок.
Технологическую схему профилактической обработки массива, приведенную на рис. 2.2, целесообразно использовать на пологих пластах мощностью 0,8—2 м, имеющих сложную гипсометрию, рассредоточенные включения породы и другие неблагоприятные условия, которые препятствуют бурению нагнетательных скважин из подготовительных выработок. В целях сокращения затрат времени на профилактическую обработку массива данная схема предусматривает одновременное нагнетание жидкости в скважины в верхней и нижней частях лавы. При этом используются две насосные установки, устанавливаемые на конвейерном и вентиляционном штреках.

Рис. 2.2. Технологическая схема высоконапорного нагнетания жидкости в пласт через скважины (шпуры), пробуренные из очистного забоя:
I — буровая установка; 2 — проходные вентили; 3 — счетчики-расходомеры; 4 — разгрузочные вентили; 5 — тройники; 6 — гидрозатворы; 7 — высоконапорный рукав; 8 — переходник; 9 — трубопровод; 10 — дозатор смачивателя; // —- манометр; 12 — насосная установка; 13 — напорный рукав; 14 —переходник; 15 — фланцевый вентиль
На шахтах, где применяется дегазация пластов, необходимо использовать дегазационные скважины для последующего увлажнения угольного массива.
К параметрам нагнетания жидкости в угольный массив относятся диаметр и длина скважин (шпуров), расстояние между скважинами (шпурами), глубина герметизации, давление нагнетания, темп нагнетания, расход воды на одну скважину (шпур).
Так как гидравлические параметры зависят от фильтрационно-кол-лекторских свойств угольных пластов, то параметры нагнетания устанавливаются опытным путем и корректируются при существенном изменении физико-химических свойств и структурных особенностей угольного массива.
Технологическая схема низконапорного нагнетания жидкости в пласт предполагает нагнетание только через скважины, пробуренные из подготовительной выработки.