Схема замещения БТ.
Рассмотренные экспериментальные вольтамперные характеристики позволяют описать свойства транзисторов двумя функциями
U Б= U Б(I Б, U К)
I К = I Б(I Б, U К)
Отсюда для малых приращений аргументов ∆ I Б и ∆ U К можно записать


В теории четырехполюсников эта система уравнений описывает соотношения между токами и напряжениями в следующей схеме.

Рассмотренные ранее и другие h –параметры транзистора позволяют записать уравнения для приращений токов и напряжений транзистора:
∆ U Б = h 11∆ I Б + h 12 ∆ U К
∆ I К = h 21∆ I Б + h 22 ∆ U К
Здесь h 11 = ∆ U Б / ∆ I Бпри ∆ U К = 0 (U К =const) – входное сопротивление биполярного транзистора (Ом);
h 12 = ∆ U Б / ∆ U К при ∆ I Б = 0 (I Б =const) – коэффициент внутренней обратной связи по напряжению (близок к нулю);
h 21 = ∆ I К / ∆ I Б при ∆ U К = 0 (U К =const) – коэффициент усиления по току;
h 22 = ∆ I К / ∆ U К при ∆ I Б = 0 (I Б =const) –– выходная проводимость БТ (См).
Система уравнений с h –параметрами транзистора позволяет составить схему замещения транзистора для приращений токов и напряжений (рис.4.12а).
|
|
|

Рис.4.12а. Схема замещения транзистора для приращений токов и напряжений.
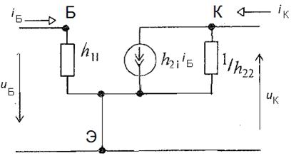
В этой схеме замещения цепь базы на основе первого уравнения представлена последовательным соединением резистивного элемента сопротивлением h 11 и зависимого источника напряжения h 12 ∆ U К. Цепь коллектора на основе второго уравнения представлена параллельным соединением зависимого источника тока h 21∆ I Б и резистивного элемента сопротивлением 1/ h 22.
Для переменных токов и напряжений транзистора в линейном режиме обычно применяют упрощенную схему замещения на рис. 4.12б. В этой схеме замещения в базовой цепей исключен зависимый источник напряжения (h 12 ∆ U К) и в коллекторной цепи изменено направления стрелки выходного напряжения, т.к. это больше соответствует случаю, когда к транзистору подключают приемник.

Рис.4.12б. Схема замещения биполярного транзистора с общим эмиттером для переменных токов в линейном режиме.
Рассмотренные усилительные свойства транзистора позволяют в общем виде сформулировать принципы построения усилительных устройств (рис.4.13).

Рис.4.13. Структурная схема усилителя напряжения.
БТ позволяет сделать устройство, производящее усиление напряжения. Усилением называют процесс, в котором достигается повышение напряжения сигнала при сохранении его формы во времени. При усилении энергия источника питания преобразуется в энергию сигнала с помощью управляющего элемента, который изменяет поток энергии источника. При этом так же изменяется поток энергии в приемнике.






