Тиристоры – трехэлектродные полупроводниковые компоненты, которые имеют два устойчивых состояния (включен, выключен). На рис. 8.13 приведено условное графическое изображение тиристора на схемах.

Рис. 8.14. Условное графическое изображение тиристора на схемах.
Тиристор имеет три электрода А- анод, У –управляющий электрод, К- катод.
.
Рис. 8.15. Вольтамперные характеристики тиристора.
В обратном направлении (при напряжении на тиристоре U<0) ток тиристора небольшой даже при значительных значениях напряжений.
В прямом направлении (U>0) свойства зависят от тока управляющего электрода. Если он равен нулю, то ток тиристора остается малым вплоть до напряжения «отпирания» (около 750В на рис.8.15).
При увеличении тока управляющего электрода напряжение отпирания уменьшается. После «отпирания» тиристора ток быстро нарастает т.к. сопротивление тиристора скачком уменьшается. На этом участке ток управляющего электрода уже не влияет на состояние тиристора даже при уменьшении его значения до нуля и в отрицательные значения.
|
|
|
Тиристор используется в качестве электронного ключа (включателя) для управления средним и действующим значениями токов приемников (например, в регуляторах для осветительных или нагревательных приборов). См. схему на рис. 8.16.

Рис. 8.16. Схема регулирования тока нагрузки тиристором.
Существуют несколько принципиальных схем тиристорных регуляторов с изменениями амплитуды и (или) фазы управляющего тока.
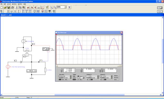
На рис.8.17 приведена схема модели тиристорного регулятора, в которой реализовано фазовое управление. В этой схеме тиристор управляется последовательностью прямоугольных импульсов, создаваемых генератором с частотой 50Гц (на экране красным цветом). Напряжение сети 220В частотой 50Гц (на экране синим цветом). В этой модели для простоты демонстрации сдвиг фаз управляющего тока и напряжения сети задается изменением начальной фазы источника 220В (в реальном тиристорном регуляторе изменяют начальную фазу источника управляющего тока).
Сопротивление нагрузочного резистора 1кОм. Видно, что при разности фаз 30˚ действующее напряжение на нагрузке составляет около 82В.

Рис.8.17. demo8_4_. Схема регулирования действующего тока нагрузки с помощью тиристора (фазовое управление, сдвиг фаз управляющих импульсов и напряжения сети 0˚, действующее напряжение на нагрузке 98В).
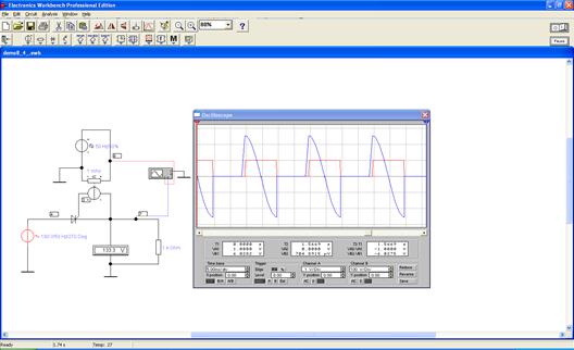
При изменении сдвига фаз изменяется угол отсечки и это приводит к изменению формы тока тиристора и уменьшения действующего напряжения на нагрузке до 54 В (при сдвиге фаз 90˚, действующее напряжение на нагрузке 133В, рис.8.18).

Рис.8.18. Состояние тиристорного регулятора напряжения при сдвиге фаз 90˚.






