ИП включаются в электрическую цепь для измерения электрического параметра.
Для повышения чувствительности параметрические преобразователи включают в мостовую цепь. Простейший пример приведен на рис. 14.7 – схема включения терморезистора в мостовую цепь.

Рис.14.7. Схема включения терморезистора.
Мостовой измеритель температуры градуируется - получают зависимость тока I НИ(T). При начальной температуре T 0 производится уравновешивание моста (I НИ(T)=0) изменением сопротивления, например, резистора R 1. Далее устанавливают определенные значения температуры T ИП и регистрируют ток I НИ.
Для измерения температуры используют полученную градуировочную кривую T (I НИ).
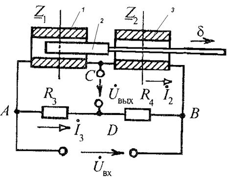
В следующем примере индуктивный датчик перемещения включен в мостовую цепь переменного тока. Мост питается от источника синусоидального напряжения. Особенность этой схемы заключается в том, что этот ИП является дифференциальным. В ИП встроены два индуктивных первичных преобразователя, в котором сигналы имеют противоположные по направлению изменения параметра – индуктивности катушек. Если, например, при перемещении ферромагнитного сердечника 2 индуктивность левой катушки 1 уменьшается, то индуктивность правой катушки 3 – увеличивается.
Если катушки одинаковые, то при среднем между катушками положении сердечника 2, когда индуктивности катушек LK1 и LK2 равны, мост уравновешивают изменением R 3 и R 4 таким образом, чтобы
или (RK + j ω LK1) R 4=(RK + j ω LK2) R 3.
Далее изменяя положение сердечника изменяют и фиксируют амплитуду U ВЫХ, m и фазу ΨВЫХ выходного напряжения u ВЫХ. Строят зависимость U ВЫХ, m (ΨВЫХ)– круговую диаграмму в декартовых или полярных координатах.

Рис.14.8. Схема включения дифференциального мостового индуктивного датчика перемещения.
При измерениях перемещения используют полученную круговую диаграмму.
Достоинство рассмотренной схемы заключается в высокой чувствительности и в исключении влияния вариации температуры окружающей среды, т.к. свойства катушек изменяются от температуры в одну сторону.
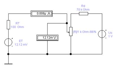
ЭДС генераторных преобразователей постоянного тока измеряются компенсационным методом. На рис.14.9 приведен пример схемы для измерения ЭДС ИП ET.

Рис.14.9.demo14_1. Компенсационный метод измерения ЭДС генераторного ИП (ЭДС ET и внутреннее сопротивление RT).
В этой схеме изменением сопротивлений потенциометра R и добавочного резистора Rd добиваются минимального тока микроамперметра. В этом состоянии минимальное падение напряжения на внутреннем сопротивлении RT. Поэтому напряжение вольтметра практически равно ET. В современных устройствах компенсация достигается автоматическим изменением компенсирующего напряжения, которое управляется током в ветви, соединяющий ИП и компенсатор.






