Под экранированием понимают конструкторские приемы ослабления электромагнитного поля (ЭМП) помех в пределах определенного пространства, позволяющие повысить помехозащищенность и обеспечить электромагнитную совместимость САУ ЛА. Применяют два варианта экранирования. В первом случае экранируемая аппаратуpa размещается внутри экрана, а источник помех – вне его, во втором - экранируется источник помех, а защищаемая от помех аппаратура располагается вне экрана. Первый вариант используют при защите от внешних помех, второй — внутренних. В обоих вариантах в качестве экранов используются металлические оболочки. Поскольку применение экранов приводит к увеличению массы и стоимости САУ ЛА, то экранирование считается вынужденной мерой, которая применяется, после того, как исчерпаны другие возможности (схемотехнические и конструктивные). Одновременно с выполнением основной функции – ослабления поля помех – экран оказывает воздействие на собственные параметры цепей и контуров экранируемого объекта, что связано с перераспределением ЭМП при установке экрана. Функции экранов часто выполняют кожухи, панели и крышки приборов блоков и стоек. В общем случае металлический экран толщиной 0,025...1 мм (например, корпус САУ ЛА) в той или иной степени ослабляет ЭМП помех. Для повышения эффективности экранирования конструкцию экрана (материал, форму, толщину и т.п.) выбирают по результатам соответствующего анализа.
|
|
|
На рис. 3.28 показана электромагнитная волна частотой f (гц) и характеристическим сопротивлением Zw, которая падает на экран толщиной t (м) с магнитной проницаемостью
(мкГн/м) и удельным сопротивлением
(Ом м). Характеристическое сопротивление экрана на частоте f равно (по модулю)

где
=
(м) - толщина скин-слоя (толщина слоя в веществе, при прохождении которого электромагнитное поле ослабляется в е раз).
Различие характеристических сопротивлений волны и экрана приводит к тому, что волна частично отражается от границы раздела воздух— экран, а частично проникает сквозь экран, где часть ее энергии превращается в тепло. Достигнув границы раздела экран — воздух, волна частично отряжается обратно, а частично проходит через экран.
Распространяющаяся в материале экрана электромагнитная волна
испытывает многократное отражение и в результате полностью рассеивается или превращается в тепло. Эффективность экранирования S обычно выражается в децибеллах (дБ) и представляется в виде суммы S = R+A+B, где R – затухание за счет отражения электромагнитной энергии от границ раздела воздух-экран и экран-воздух для основной волны; A – затухание за счет поглощения, вызванное тепловыми потерями от возбуждаемых вихревых токов в металле и потерями на перемагничивание (для феромагнитных материалов); B – затухание электромагнитной энергии за счет многократных внутренних переотражений в толще экрана для остальных составляющих волн (так как параметр B обычно меньше двух других слагаемых, то им часто пренебрегают). Таким образом, S
R + A. Параметры R и A могут быть определены следующим образом
|
|
|
;
,
где Zs и Zv – характеристические сопротивления экрана и воздуха, соответственно.
На рис. 3.29 показана зависимость параметров R, A и S от частоты. Эффективность экранирования в точке C минимальная.
Из уравнений Максвелла, описывающих распространение электромагнитного поля, следует, что в ближней зоне источника помехи (при r
, где r – расстояние от источника помехи;
- длина волны электромагнитного поля) с увеличением r характеристическое сопротивление воздуха электрическому полю уменьшается, а характеристическое сопротивление воздуха магнитному полю возрастает (рис. 3.30). В дальней зоне (r
) электрическое и магнитное поля имеют примерно равные волновые сопротивления, близкие к характеристическому сопротивлению воздуха электромагнитному полю

.

В ближней зоне (r <
) значение Zw может быть больше, равно или меньше Zv. Если Zw> Zv, то преобладает напряженность электрического поля и оно стремится индуцировать разность потенциалов в ближайших проводниках. Если Zw< Zv, то преобладает магнитное поле, которое индуцирует ток в ближайших проводниках.
В ближней зоне (на низких частотах) обычно используется экранирование электрической или магнитной составляющей. Электромагнитные явления здесь рассматриваются как квазистационарные, т.е. протекающие достаточно медленно. В дальней зоне (на высоких частотах) экранируют электромагнитные поля. Соответственно, применяемые экраны условно подразделяют на электростатические, магнитостатические и электромагнитные.
Принцип действия электромагнитного экрана описан выше.
Электростатическое экранирование применяют для защиты от источника, в котором имеются большое напряжение и малые токи. Электростатическое экранирование основано на уменьшении паразитной емкости между источником и рецептором путем установки между ними заземленного экрана. Экран по возможности ставится как можно ближе к источнику. Если невозможно экранировать источник (например, когда он находится за пределами устройства), то экранируют рецептор (рис. 3.31).
| |
| а | б |
| Рис. 3.31. Действие электростатического поля источника на рецептор: а - без экрана; б – с заземленным экраном |
Заземление экрана необходимо для нейтрализации индуцируемых на нем зарядов. Поэтому материал экрана и цепи заземления должны обладать хорошей электропроводностью (медь, медные сплавы, алюминий). Высокое характеристическое сопротивление электрических полей способствует их отражению на границе воздух-экран, поэтому даже тонкие заземленные экраны оказываются весьма эффективными.
Соединения лучше выполнять пайкой или сваркой. Заземляться экраны должны массивными короткими проводниками с минимальным индуктивным сопротивлением. Примеры электростатического экранирования приведены на рис. 3.32.
|
| Рис. 3.32. Модуль под воздействием электрического поля (а), защищенный экраном (б) и экранированным проводом (в) |
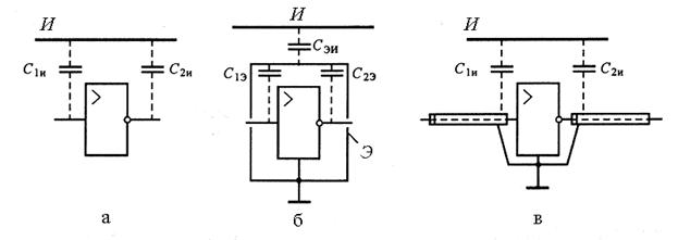
Источник помехи И воздействует на вход и выход усилителя через паразитные емкости С1и и С2и (рис. 3.32, а). После установки экрана Э (рис. 3.32, б) источник помех окажется подсоединенным на землю через емкость Сэи, а вход и выход схемы — нагруженными на емкости С1э и С2э.
Аналогичный результат можно получить, используя вместо общего экрана экранированные провода для входной и выходной линий (рис. 3.32, в).Для устранения гальванической помехи по земле экраны проводов необходимо заземлять в одной точке.
|
|
|
В многослойных печатных платах (МПП) функции экрана выполняют сплошные слои фольги с нулевым потенциалом.
Для защиты от внешних электрических полей в качестве экрана часто используется металлический корпус. Металлические кожухи, крышки, панели также обладают экранирующим действием, если они соединены с корпусом. Однако при этом происходит увеличение собственных емкостей каскадов, что особенно нежелательно для высокочастотных устройств.
Существенную проблему представляет выполнение экрана для аппаратуры в пластмассовых корпусах (например, мониторы компьютеров). Повышение эффективности экранирования в этом случае достигается:
Применением композиционных материалов (пластмасса с металлическим наполнителем);
Нанесением поверхностных слоёв металла (напыление металлов, нанесение специальной проводящей краски, оклейка корпуса фольгой и т. п.).
Магнитостатическое экранирование применяют для защиты от источника, в котором имеются большие токи и малые напряжения. Магнитное поле, создаваемое источником, наводит в рецепторе (контуре, образуемом одним или несколькими проводниками) индуцируемое напряжение помехи. Для полного устранения или уменьшения напряжения помехи, наводимой в контуре, необходимо:
- поместить контур в экран;
- ориентировать его так, чтобы магнитные силовые линии поля не пересекали контур, а проходили вдоль него;
- уменьшить площадь контура.
Магнитные поля с низким характеристическим сопротивлением (
) легко проникают через границу воздух-экран, но испытывают отражения на границе экран-воздух. При этом часть волн, которая не поглощается в экране после многократных внутренних отражений, в итоге рассеивается. Поэтому экраны, защищающие от магнитных полей, должны иметь толщину
, высокую магнитную проницаемость
и низкое удельное сопротивление
.. Магнитные экраны выполняют как из ферромагнитных (сталь, пермаллои), так и немагнитных металлов (алюминий, медь, латунь). Механизм работы ферромагнитного экрана заключается в шунтировании силовых линий магнитного поля (рис. 3.33, а).
|
|
|
| |
| а | б |
| Рис. 3.33. Экранирование магнитного поля: а – ферромагнитным экраном; б – экраном из немагнитного металла |
При большой напряженности магнитного поля материал ферромагнитного экрана не должен «входить в насыщение», так как при этом магнитная проницаемость, а следовательно, и эффективность экранирования резко снижаются.
С ростом частоты возрастает роль вихревых токов, происходит вытеснение магнитного поля из толщи экрана, что эквивалентно уменьшению магнитной проницаемости (рис. 3.33, б). При этом экран, выполненный как из ферромагнитного (магнитомягкого), так и немагнитного металлов, переходит в электромагнитный режим работы. Стальные экраны в этих условиях из-за малой электропроводности и потерь на гистерезис при перемагничивании оказываются менее эффективными, чем экраны из немагнитных материалов с низким электрическим сопротивлением вихревым токам. Эффективность действия немагнитных экранов возрастает с увеличением его проводимости и толщины, а также с ростом частоты источника поля.
Для экранирования магнитных полей частотой 10 кГц...1МГц применяют стальные экраны, а с частотой ниже 10 кГц – сплавы с высокой магнитной проницаемостью (например, пермаллои). Находят применение также сетчатые экраны, в которых, как и в сплошных экранах, при воздействии переменного магнитного поля происходит возбуждение вихревых токов. Наиболее сложным считается экранирование низкочастотных магнитных полей.
Электромагнитное экранирование охватывает диапазон частот от 1 кГц до 1 ГГц. Действие электромагнитного экрана основано на отражении электромагнитной энергии и ее затухании в толще экрана. Для нижней границы частотного диапазона первостепенное значение приобретает отражение, для верхней границы — поглощение электромагнитной энергии.
Электромагнитное экранирование выполняется как немагнитными, так и магнитными металлами. Толщина экрана выбирают по возможности наибольшей.
В особо ответственных случаях применяют многослойные экраны, состоящие из последовательно чередующихся слоев магнитных и немагнитных металлов, например, медь-сталь, сталь-медь, медь-сталь-медь и т.д. Высокая эффективность экранирования обеспечивается за счет высокой отражательной способности меди и поглощающей стали. Наличие между слоями небольших воздушных зазоров (0,5...0,75 мм) также повышает качество экранирования. Многослойные экраны обеспечивают высокую эффективность экранирования в широком частотном диапазоне, включая область низких частот (в т.ч. магнитных полей), но существенно усложняют и утяжеляют конструкцию.
3.4. Герметизация САУ ЛА
ФЭ, ЛС и КЭ изолируют от контакта с окружающей средой, содержащей влагу, пыль, химические соединения и другие, вредные для САУ ЛА компоненты, монолитными или полыми оболочками.