К коротким относят ЛС, в которых время распространения сигнала от передающего элемента до приемного tз меньше половины времени нарастания или спада фронта сигнала tф, т.е. выполняется соотношение
tф / tз
2
В электрически коротких линиях погонная длина l (например, измеряемая линейкой), как правило, существенно меньше минимальной длины волны (спектре сигнала. l << λ min (обычно принимают l
0,1 λ min). Емкостная и/или индуктивная реактивность коротких ЛС, а также отражения от неоднородностей, распределенных по длине линий, приводят к изменениям нарастающих или ниспадающих фронтах сигнала.
Для короткой линии характерно постоянство напряжений и токов во всех точках по длине линии. Короткая ЛС (s - начало линии, r - конец линии), соединяющая например, два вентиля D1 и D2, представляется обычно в виде двух моделей: ёмкостной или индуктивной (рис. 3.19).
| |
| Рис. 3.19. Короткая ЛС и ее модели | Рис. 3.20. Искажение сигнала в коротких ЛС |
Независимо от характера модели, качественно форма сигнала имеет одинаковый вид для обоих вариантов, проявляемый в затягивании фронта (рис. 3.20). Параметр
t - предсказуемая системная задержка (или время достижения порога срабатывания), которая определяется длительностью неискаженного фронта. Общая задержка срабатывания элемента D2 равна
t ' =
t +
t ''. Процессы, происходящие в короткой ЛС, вносят дополнительную задержку
t ''
Модель в виде ёмкости обычно используется при анализе схем, в которых управление ведётся напряжением и относительно малы токи в цепях. Например, для микросхем (или других структур) на КМОП в виду малых токов, протекающих в них. Модель в виде индуктивности используется в цепях с достаточно большими токами (биполярные транзисторы).
В случае анализа быстродействующих систем (в основном цифровых) предпочтительной моделью является ёмкостная модель.
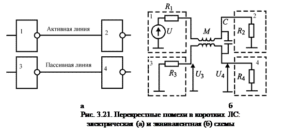
В коротких ЛС могут также возникать перекрестные наводки (индуцированные помехи), обусловленные электрическим, магнитным и электромагнитным взаимодействием расположенных по соседству ЛС (рис. 3.21).

Помеха вызывается переходом энергии из одной сигнальной цепи в другую за счёт электромагнитного поля. При анализе предполагается, что обратное влияние пассивной линии на активную отсутствует.
Активная линия является источником помех и содержит генератор напряжения U с внутренним сопротивлением R1 и нагрузку R2. Пассивная линия является рецептором помех и содержит нагрузку в начале линии R3 и в конце R4. Распределенные параметры взаимной индуктивности и емкости заменены сосредоточенными M и C, соответственно. При работе генератора энергия от источника помех переносится электромагнитным полем на рецептор помех, и на его нагрузках R3 и R4 возникают напряжения U3 и U4. Эти напряжения согласно принципу суперпозиции являются суммами индуктивных и емкостных составляющих
U3 = U3L + U3C; U4 = U4L + U4C ,
где U3L, U4L – индуктивные составляющие соответственно в начале и в конце пассивной линии; U3C, U4C - емкостные составляющие соответственно в начале и в конце пассивной линии.
При расчетах часто пренебрегают той или иной составляющей.
Анализ индуцированных помех при магнитной связи и снижение их уровня представляет более сложную задачу, чем при емкостной связи. Ослабить взаимную индуктивность можно за счет разнесения ЛС возможно дальше друг от друга, уменьшением площадей контуров, образуемых проводами, по которым протекают прямые и обратные токи ЛС, использованием экранированных проводов, свитых пар (скрученных пар проводов), коаксиальных кабелей.
Снизить значение паразитной емкости между ЛС можно уменьшением длины совместного параллельного расположения проводов на минимально возможном расстоянии друг от друга, увеличением зазора между ними, укладыванием проводов, передающих различные по уровням сигналы, в отдельные жгуты, приближением ЛС к земле (земля выполняет функцию экрана). Наиболее эффективным средством уменьшения емкостной составляющей индуцированной помехи является экранирование.






