По-новому решить задачу повышения точности автоматических систем позволяет применение в них принципа обратной связи. В самом общем виде обратная связь — это осуществление в цепи взаимосвязанных событий влияния со стороны последующего события на одно из ему предшествующих, т. е. замыкание цепочки событий в кольцо (рис. 27). Если характер этого влияния стимулирует повторение событий, образовавших кольцо, то обратная связь называется положительной. Если же характер влияния последующего события на предшествующее такой, что
происходит торможение первоначального процесса, то обратная связь называется отрицательной. Примерами процессов с положительной обратной связью служат горение, цепная реакция, самовозбуждение усилителей, акустическая «завязка» в магнитофоне, когда при включении его на запись от микрофона забывают выключить громкоговоритель.
Рис. 27. Цепь взаимосвязанных событий (а, Ь, с, d, е) и обратная связь (от события d к событию Ь). |
Процессы с отрицательной обратной связью не менее распространены, но они более скрыты от прямого наблюдения, так как внешне сходны с множеством самопроизвольно затухающих процессов, образованных незамкнутыми последовательностями событий. Но именно отрицательная обратная связь оказалась тем замечательным принципом, которому обязана автоматика своим прогрессом.
|
|
|
Простейшую реализацию принципа отрицательной обратной связи в радиотехнике мы встречаем в электронных усилителях, когда некоторая часть выходного напряжения усиленного сигнала возвращается на вход усилителя в такой полярности, что этот сигнал вычитается из входного (рис. 28).
Пусть коэффициент усиления усилителя без обратной связи
1
Рис. 28. Усилитель с отрицательной обратной связью. |
С делителя из сопротивлений Rj и R2 по цепи обратной связи подается часть выходного напряжения
(14)
где: 
При отрицательной обратной связи входное напряжение собственно усилителя И\х на величину U0.c меньше входного на
пряжения всего устройства
.
: 
Из соотношений (13) —(15) легко выводится выражение коэффициента усиления всего устройства с обратной связью
(16)
Из формулы (16) видно, что отрицательная обратная связь уменьшает усиление (К0С < К, так как
).
Так, если до введения обратной связи коэффициент усиления усилителя составлял, например, 1000, то после ее введения с коэффициентом (
= 0,1 он упадет до

т. е. уменьшится практически в (
== 100 раз. Однако вместе с этим резко повысится его стабильность. Действительно, увеличение значения К вдвое (до 2000) приводит к увеличению значения Ко.с всего лишь на 0,5% (до 9,95); при уменьшении К вдвое (до 500) величина Ко.с уменьшается на 1% (до 9,8).
|
|
|
Этим действие отрицательной обратной связи не ограничивается. Если в результате наводок на внутренние цепи усилителя или пульсации питающего напряжения на усиливаемый сигнал накладываются помехи, то относительный уровень этих помех также уменьшается в
раз. Аналогично влияет обратная связь на величину искажений, вносимых усилителем.
Таким образом, применение отрицательной обратной связи позволяет существенно ослабить влияние всевозможных возмущающих воздействий.
Обращаясь к языку структурных схем, рассмотренное устройство можно представить с помощью схемы, показанной на рис. 29, а.

Рис. 29. Схемы простейшего устройства с обратной связью
Здесь динамической системой, или объектом, является усилитель. В роли входа х выступают возмущающие воздействия, а в роли выхода у — полезный усиленный сигнал. Управляющее устройство представляет собой схему, воспринимающую подлежащий усилению полезный сигнал Ц (цель, которой должен достичь выход, или задающее воздействие) и сравнивающую с ним выходной сигнал. Управляющим воздействием ху служит разность между задающим воздействием и сигналом обратной связи.
Рис. 29, б показывает, как в эту схему вписывается усилитель с обратной связью, изображенный на рис. 28. Здесь перекрещенным кружком обозначен элемент, осуществляющий вычитание одной величины из другой и называемый в автоматике сравнивающим устройством. Выход
такого элемента называется сигналом ошибки. В данном случае
и
,
т. е. воспроизводится уравнение (15). В отличие от описанных выше разомкнутых автоматических систем в данной системе стабилизация коэффициента усиления — малые отклонения выходного сигнала от задающего воздействия — достигается без непосредственного контроля возмущающих воздействий и без использования в конструкции управляющего устройства каких-либо сведений о путях влияния этих воздействий на выход объекта. Поэтому управляющее устройство проектируется очень просто, а эффект производит универсальный: ослабляются даже такие возмущающие воздействия, которые конструктор и не принимал во внимание. Это достигается благодаря обратной связи, которая позволяет сравнивать в управляющем устройстве истинный выход с задающим воздействием и использовать отклонение выхода, чем бы оно ни вызывалось, в качестве управляющего воздействия. Вместе с этим отпадает требование высокой точности реализации расчетных характеристик объекта и высокой их стабильности. Эффективная работа рассмотренной схемы достигается при условии, что стабилен лишь коэффициент деления напряжения сопротивлениями
и R2.
Одной из центральных проблем автоматических систем с обратной связью, или, как их иначе называют, замкнутых систем, или систем регулирования по отклонению, является обеспечение устойчивости. Дело в том, что в любой цепочке взаимосвязанных событий каждое следующее событие происходит с некоторой задержкой после свершения вызвавшего его предыдущего события. В результате этого сигнал обратной связи всегда приходит с некоторой задержкой относительно момента, в который начался процесс, породивший этот сигнал. Иначе говоря, существует разность фаз первичного сигнала и сигнала обратной связи, поступающих на элемент сравнения. Для того чтобы обратная связь была отрицательной и сохраняли силу формулы (13) — (16), необходима обратная полярность сигнала обратной связи и допустима лишь незначительная задержка его фазы.
Рис. 30. Изменение характера обратной связи с изменением частоты сигнала в инерционной системе с одинаковым временем задержки для сигналов разных частот: а, б — входные сигналы различных частот; в, г, — выходные сигналы тех же частот. |
По мере отклонения фазы сигнала обратной связи сначала начинают нарушаться те полезные соотношения, которые при дают системе устойчивость против возмущений, и эффективность обратной связи снижается. Потом эти полезные качества теряются совсем, а при еще больших отклонениях по фазе обратная связь становится положительной и легко приводит к самовозбуждению системы. Происходит это по следующей причине.
|
|
|
Задержку сигнала, проходящего через усилитель, создают цепи, содержащие реактивные сопротивления (конденсаторы, катушки самоиндукции, трансформаторы) и неизбежно присутствующие паразитные емкости и индуктивности. При этом колебания с различными периодами повторения получают разный сдвиг фазы (рис. 30). В то время как на одних частотах условия соответствуют отрицательной обратной связи, на других частотах она может стать положительной (выполняется «баланс фаз»). Самовозбуждение возникает в случае, когда на частоте баланса фаз сигнал обратной связи по величине не меньше первичного сигнала (выполняется «баланс амплитуд»). Для этого достаточно, чтобы на частоте баланса фаз произведение
превышало единицу. Таким образом, допустимая глубина обратной связи ограничена. Правда, баланс фаз возникает на частотах, далеких от рабочей полосы частот усилителя, где коэффициент усиления К уже значительно снижается, но в конце концов именно опасность самовозбуждения устройств с обратной связью ставит предел допустимой глубине отрицательной обратной связи, а вместе с тем и достижимой точности таких систем.
Увеличить в известных пределах глубину обратной связи позволяет введение в управляющее устройство специальных цепей фазовой коррекции, которые благодаря соответствующему их расчету не влияют на коэффициент передачи в пределах рабочей полосы частот, но изменяют характеристики системы за пределами этой полосы таким образом, что ни на какой частоте не выполняются одновременно условия баланса фаз и амплитуд.
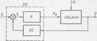
Рис. 31. Схема замкнутой автоматической системы с регулятором Р (ОС — цепь обратной связи). |
Корректирующие цепи (Р на рис. 31) представляют собой комбинацию линейных динамических звеньев (своего рода частотных фильтров) и включаются в цепь управляющего воздействия
, так что последнее уже не совпадает с сигналом ошибки
, как в простейшем устройстве (сравните с рис. 29, б).
|
|
|
Узел управляющего устройства, вырабатывающий управляющее воздействие
по сигналу ошибки
, часто называется регулятором. В данном случае регулятором могут быть упомянутые корректирующие цепи.
Лекция
Замкнутые системы автоматического управления
Задачу, аналогичную усилению электрических сигналов, выполняют многие устройства, предназначенные для телеуправления или для усиления физической силы оператора, управляющего перемещением каких-либо частей механизмов. В обоих случаях задача автоматической системы состоит в воспроизведении выходной величиной тех значений, которые задаются входным сигналом. Иначе говоря, выходная величина должна все время как бы следить за значением входной переменной; отсюда название таких устройств -— следящие системы.
В качестве примера следящей системы рассмотрим устройство дистанционного управления настройкой радиовещательного приемника. Упрощенная схема такого устройства, примененного в приемнике «Фестиваль», приведена на рис. 32. Слева показан пульт дистанционного управления (ПДУ), включающий в себя реохорд (потенциометр)
с механизмом ручного привода и шкалой настройки, справа изображены относящиеся к данной системе узлы, размещенные в приемнике: блок конденсаторов настройки С, вал которого механически связан с реохордом R2 и исполнительным реверсивным электродвигателем РД, усилитель сигнал ошибки У и питающий схему трансформатор Тр.
На оба реохорда,
и
, поступает одно и то же переменное напряжение от вторичной обмотки трансформатора Тр. С движка реохорда
снимается напряжение, соответствующее желаемой настройке приемника, а с движка реохорда R2 — напряжение, соответствующее истинной его настройке. Если истинная настройка совпадает с желаемой, то оба напряжения одинаковы и их разность, действующая между движками реохордов, равна нулю. При несовпадении истинной настройки с желаемой между движками появляется напряжение ошибки
, (сигнал рассогласования). В зависимости от того, правее или левее нужной точки находится движок на реохорде R2, фаза напряжения
либо совпадает с фазой питающего реохорды напряжений, либо противоположна ей. Этот сигнал усиливается усилителем переменного тока У и подается на одну из обмоток электродвигателя РД. На другую его обмотку через фазо-сдвигающий конденсатор Сф подается такое же напряжение, что и на реохорды. При этом фаза напряжения ошибки определяет направление вращения двигателя. Обмотки двигателя включаются так, чтобы при появлении сигнала рассогласования направление вращения соответствовало уменьшению рассогласования.
Это устройство легко вписывается в структурную схему (рис. 33), аналогичную схеме усилителя с отрицательной обратной связью. Отличительная особенность заключается в наличии специальных датчиков (реохордов
и R2) задаваемого и истин-
Рис. 32. Устройство дистанционного управления настройкой радиоприемника. |
ного значений контролируемой переменной (угла поворота
вала конденсаторов настройки), которая по своей физической природе не является электрической величиной.
Напряжение
, снимаемое с реохоода R1 служит электрическим аналогом цели ®3, а напряжение
, снимаемое с реохорда
,— электрическим аналогом выхода
. Эти напряжения сравниваются, и сигнал рассогласования
подается на усилитель У, выполняющий роль регулятора. Выходной сигнал усилителя Uy выступает в роли управляющего воздействия ху и подается на объект — электродвигатель РД. К объекту управления следует отнести и связанный с двигателем механизм привода блока конденсаторов настройки, причем выходом
будет служить угол поворота вала блока конденсатора переменной емкости.
Легко обнаружить функциональное соответствие между следующими переменными в схеме усилителя с отрицательной обратной связью и в следящей системе:
в усилителе..... 
в следящей системе... 
Соответствующая замена переменных в формулах (13) —(16) делает их справедливыми для следящей системы. При этом коэффициент передачи без обратной связи (13) определяется отношением выхода к сигналу ошибки:
(17)
а коэффициент обратной связи


Рис.33. Схема следящей системы.
Таким образом, характеризующее глубину обратной связи произведение

Из формулы (17) следует, что коэффициент передачи получается размерной величиной (град/в). Это весьма распространенное в автоматике обобщение понятия о коэффициенте передачи устройств с различной физической природой входной и выходной переменных.
Подобно искажениям сигнала (в усилителях с обратной связью) точность отработки заданного значения выхода в следящей системе сильно зависит от глубины обратной связи, т. е. от значения
. И по прежнему существует предельно допустимое значение этого произведения, превышение которого вызывает самовозбуждение системы. При этом выходная переменная начинает претерпевать непрекращающиеся колебания. Известный запас устойчивости необходим для предотвращения самовозбуждения при случайных изменениях параметров системы, влияющих на коэффициенты и К, а также для получения достаточно быстрого переходного процесса (типа 1 или 2 на рис. 22).
Что же касается статической ошибки, то в описанной следящей системе мы встречаемся с особым динамическим звеном, допускающим ее полное исключение. Таким звеном служит электродвигатель. Действительно, ои должен вращаться до тех пор, пока на него поступает напряжение от усилителя сигнала рассогласования. Следовательно, система придет в равновесие лишь при условии, что выход
точно равен заданному значению
.
Автоматические системы, у которых статическая ошибка отсутствует, называются астатическими. Динамическое звено, придающее системе это свойство, также называется астатическим. Особенность астатического звена заключается в том, что его выходная переменная непрерывно увеличивается, если к его входу приложено постоянное воздействие. Так, угол поворота вала электродвигателя непрерывно возрастает при его вращении под действием неизменного напряжения.
К сожалению, существует очень мало достаточно совершенных элементов, обладающих характеристиками астатического звена. Многие такие элементы проявляют необходимое свойство лишь в течение ограниченных интервалов времени или при ограниченных изменениях выхода. Так, на протяжении отрезков времени, много меньших т, свойства астатического звена обнаруживает простое инерционное звено первого порядка (см. рис. 21). Но сохраняющаяся после переходного процесса статическая ошибка в системе с таким звеном не обращается в нуль.
Нужная для астатического звена зависимость выхода от входа наблюдается у ряда электрохимических приборов, основанных на осаждении металла из электролита при пропускании через него постоянного тока. Таким путем удается изменять электрическое сопротивление под действием неизменного тока. Однако возможные пределы изменения сопротивления, выступающего в роли выходной переменной, у этих приборов ограничены. Эти и другие недостатки устройств, имитирующих астатическое звено, ограничивают возможности создания астатических систем с действительно нулевой статической ошибкой.
Принцип обратной связи находит применение не только в следящих системах, но и в системах автоматического регулирования, предназначенных для стабилизации фиксированного значения выходной переменной. При этом структура замкнутых САР совпадает со структурой следящих систем или усилителей с обратной связью (рис. 31), если под входом Ц понимать заданное постоянное значение выхода. Так, схеме па рис. 31 соответствует структурный принцип построения электронных и полупроводниковых стабилизаторов напряжения. Принципиальная схема полупроводникового стабилизатора показана на рис. 34.

Рис. 34. Принципиальная схема полупроводникового стабилизатора напряжения.
На вход стабилизатора подается нестабилизированное напряжение
от выпрямителя. Выходное напряжение
меньше входного на величину падения напряжения между выводами коллектор — эмиттер транзистора
. В состав стабилизатора вводится маломощный источник стабильного напряжения, называемого опорным напряжением UОП- На рис. 34 в качестве такого источника показан гальванический элемент. Величина UОП обычно значительно меньше необходимого выходного напряжения U ВЫХ. Выходное напряжение с помощью делителя напряжения на резисторах
и
делится до величины
. Тогда к промежутку база — эмиттер транзистора Т2 приложено напряжение ошибки

.
Чем больше величина
, тем больше ток коллектора
транзистора Т2. Этот ток вычитается из тока базы
транзистора Т1 поступающего от источника входного напряжения через сопротивление
. С уменьшением тока базы транзистора
его сопротивление между выводами коллектор — эмиттер возрастает, и это приводит к уменьшению напряжения на выходе стабилизатора. Таким образом, ошибка уменьшается.
В отличие от стабилизаторов со структурой разомкнутой САР этот стабилизатор уменьшает изменения выходного напряжения, вызванные не только отклонениями входного напряжения, но и изменениями тока нагрузки, а также нестабильностью параметров регулирующего элемента — транзистора T1.
Для этого стабилизатора остаются в силе и соотношения (13) — (16), если в качестве UBХ принять опорное напряжение
, напряжение U'BX заменить напряжением
, а коэффициент усиления К приравнять усилению от входа транзистора Т2 до выходных зажимов стабилизатора. Величины UBЫХ и
сохраняют прежний смысл.
В обоих случаях, когда ошибка стремится к нулю, получаем

Это уравнение, как и формулы (13) — (16), устанавливает линейные соотношения между сигналами, действующими в различных цепях системы, а потому и вся система должна быть линейной. Теория таких систем полностью разработана и позволяет производить точный математический расчет соответствующих устройств.
Но часто возникают более сложные задачи, когда решающая их система в принципе не может быть линейной. Распространенное устройство такого рода — замкнутая система АРУ.
Как и в усилителе с обратной связью, здесь входным воздействием служит подлежащий усилению сигнал, а выходным — усиленный сигнал. Но теперь требуется не постоянство коэффициента усиления, а такое автоматическое изменение его, при котором выходной сигнал будет сохранять одинаковый уровень при изменениях уровня входного сигнала в широких пределах. Естественно, что управляющее устройство в этом случае должно располагать информацией не о самих входных и выходных сигналах, а об их уровнях (интенсивностях), и для получения такой информации нужны датчики этих уровней. Используя принцип обратной связи, достаточно ограничиться контролем уровня выходного сигнала и сравнивать его с заданным значением. Получающийся сигнал ошибки используется далее для управления коэффициентом усиления регулируемого усилителя. Соответствующая структурная схема приведена на рис. 35.

Рис. 35. Схема замкнутой системы АРУ.
Несмотря на внешнее сходство этой схемы с рис. 31, действие входящих в нее устройств резко отличается. Если раньше задающим воздействием Ц служил подлежащий усилению сигнал, то теперь им является постоянное напряжение,соответствующее желаемому уровню У0 выходного сигнала («напряжение задержки»), а усиливаемый сигнал выступает в роли возмущающего воздействия х, вызывающего изменения уровня выхода. Узел ДУ, введенный в цепь обратной связи, является датчиком уровня выходного сигнала и принципиально должен быть нелинейным устройством. В качестве этого датчика может работать устройство, аналогичное датчику уровня входного сигнала в схеме АРУ «вперед» (рис. 20), который состоит из детектора и сглаживающего фильтра. Наконец, ошибка
теперь представляет собой не разность входного и выходного сигналов усилителя, а отклонение уровня выходного сигнала от заданного уровня (
), а управляющее воздействие — специальный сигнал, формируемый регулятором Р под действием чотклонения
с целью изменения коэффициента усиления К усилителя.
Работу такой системы можно описать соотношениями:

которые позволяют записать уравнение всей системы в виде

Здесь символы
и
обозначают функциональные преобразования, осуществляемые соответственно датчиком уровня, регулятором и элементом усилителя, изменяющим коэффициент усиления в зависимости от управляющего воздействия. Все эти функции в общем случае нелинейные. Нелинейной является и операция перемножения двух переменных Кх. Расчет такой системы — достаточно сложная задача, решаемая в инженерной практике приближенно.
Другая особенность нелинейных систем, часто доставляющая большие неудобства, заключается в том, что у таких систем глубина обратной связи изменяется в зависимости от уровня задающих или возмущающих воздействий. Так, в замкнутой системе АРУ от величины входного сигнала зависит коэффициент его усиления К, а следовательно, и приращение выхода при одинаковых приращениях воздействия от разных исходных уровней. Это приводит к зависимости формы переходного процесса от величины возмущающего воздействия. Апериодический переходной процесс при малых возмущениях (типа 1 на рис. 2) может смениться сильно колебательным при больших (типа 3), а при чрезмерно сильных возмущениях система может потерять устойчивость и самовозбудиться.
Рис. 27. Цепь взаимосвязанных событий (а, Ь, с, d, е) и обратная связь (от события d к событию Ь).
Рис. 28. Усилитель с отрицательной обратной связью.
Рис. 30. Изменение характера обратной связи с изменением частоты сигнала в инерционной системе с одинаковым временем задержки для сигналов разных частот: а, б — входные сигналы различных частот; в, г, — выходные сигналы тех же частот.
Рис. 31. Схема замкнутой автоматической системы с регулятором Р (ОС — цепь обратной связи).
Рис. 32. Устройство дистанционного управления настройкой радиоприемника.